GM Service Manual Online
For 1990-2009 cars only
Makes
🢒
Cadillac
🢒
2007
🢒
SRX
🢒 Power, Ground, DLC, and Controls
Power, Ground, DLC, and Controls
Power, Ground, DLC, and Controls
Master Electrical Component List
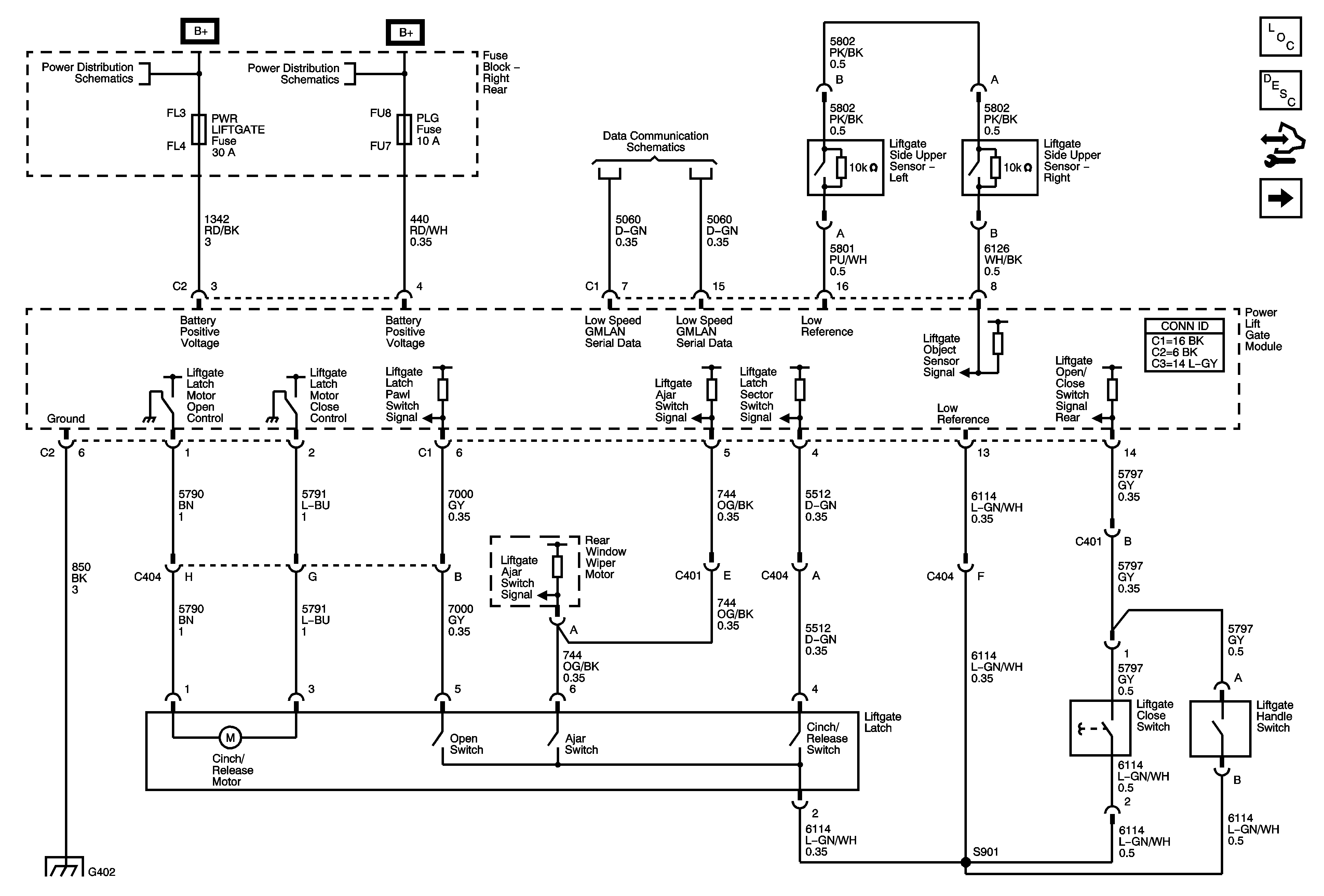
Liftgate Description and Operation
Control Module References
Power Lift Gate Motor
Right Rear Fuse Block B+ Bus
Right Rear Fuse Block B+ Bus
Low Speed GMLAN Serial Data 1 of 2
G402 (1 of 2)