GM Service Manual Online
For 1990-2009 cars only
Makes
🢒
Cadillac
🢒
2007
🢒
SRX
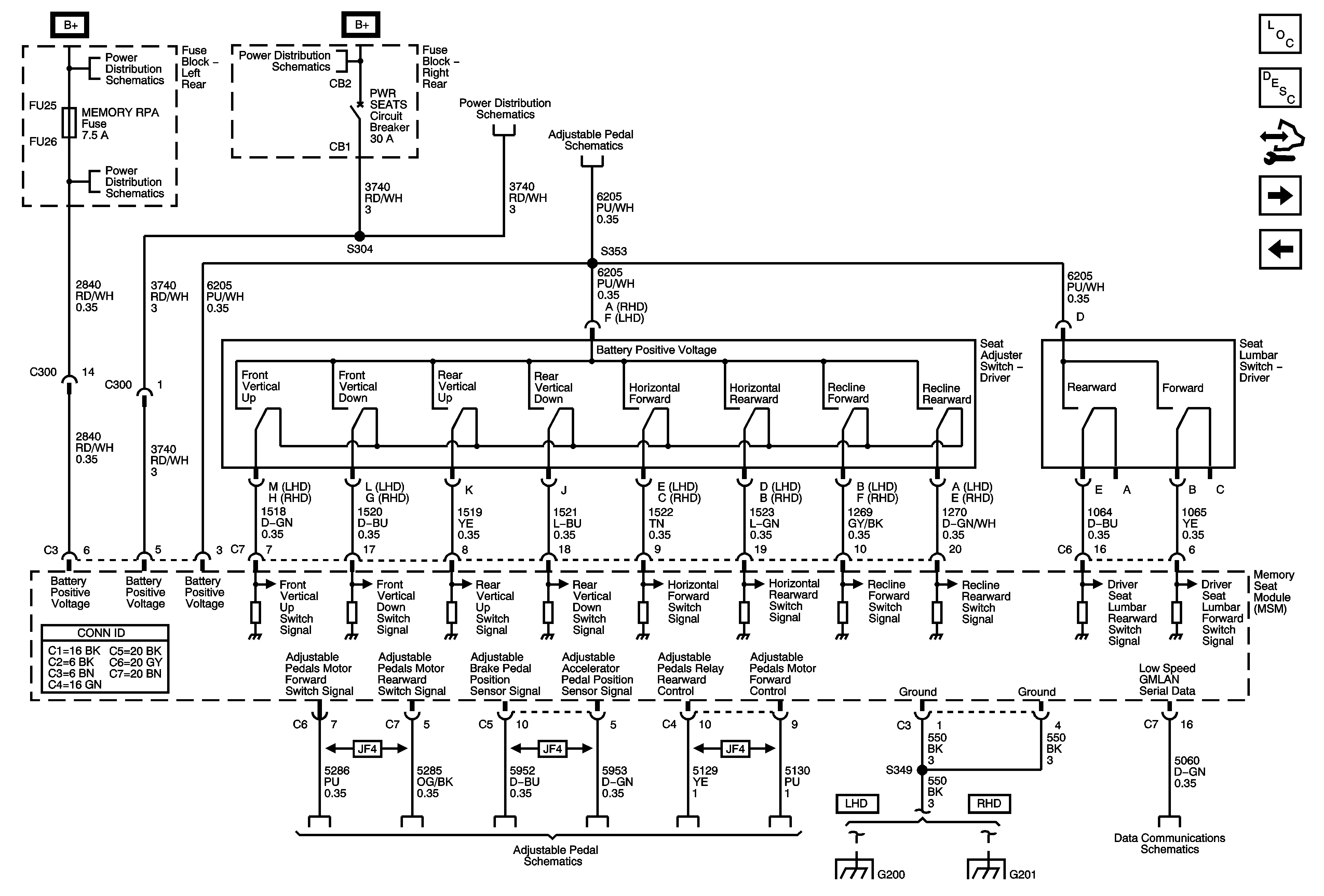
🢒 Memory Seat Module Power, Ground and Seat Adjuster Switches (A45)
Memory Seat Module Power, Ground and Seat Adjuster Switches (A45)
Memory Seat Module Power, Ground, and Seat Adjuster Switches (A45)
Master Electrical Component List
Memory Seats Description and Operation
Control Module References
Memory Seat Controls (A45)
Power Seat (w/o A45)
Left Rear Fuse Block B+ Bus
APO Fuse, DRIVER DR MOD Fuse, MEMORY RPA Fuse, and PWR WNDWS Fuse
Right Rear Fuse Block B+ Bus
PWR SEATS Circuit Breaker, SUNROOF MOD Fuse, THEFT VGDO/RFA Fuse
Adjustable Pedals Schematics
Adjustable Pedals Schematics
G200 (2 of 2) LHD
G201 (RHD)
Low Speed GMLAN Serial Data 1 of 2