GM Service Manual Online
For 1990-2009 cars only
Makes
🢒
Cadillac
🢒
2007
🢒
SRX
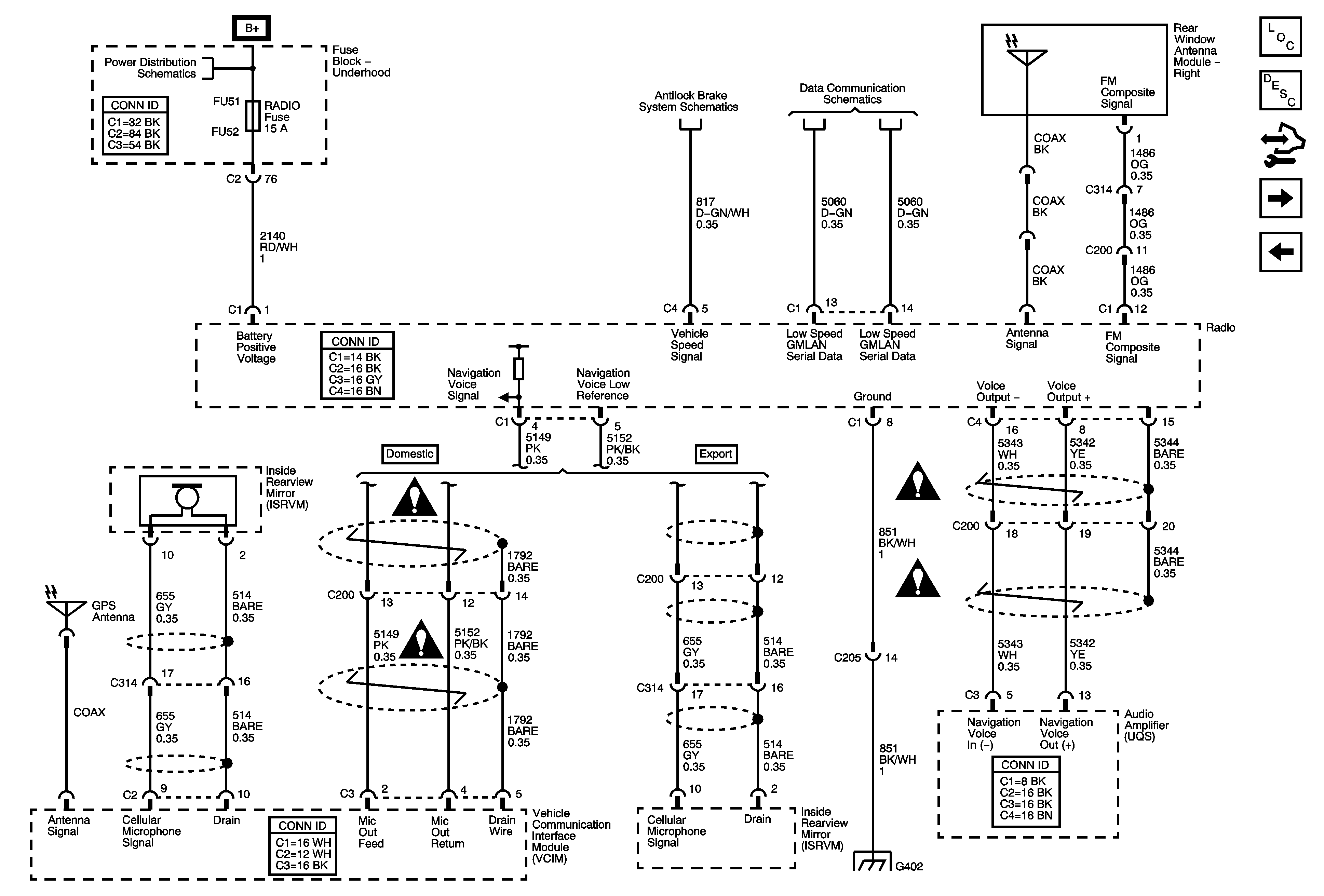
🢒 Navigation Controls (U2V/U2X/U2Y)
Navigation Controls (U2V/U2X/U2Y)
Navigation Controls (U2V/U2X/U2Y)
Master Electrical Component List
Navigation System Description and Operation
Control Module References
Steering Wheel Controls
Digital Radio Receiver (U2K)
Underhood Fuse Block B+ Bus - 1 of 2
Wheel Speed Sensors
Low Speed GMLAN Serial Data 1 of 2
Entertainment/Communication Schematic Icons
Entertainment/Communication Schematic Icons
Entertainment/Communication Schematic Icons
Entertainment/Communication Schematic Icons
G402 (1 of 2)