GM Service Manual Online
For 1990-2009 cars only
Makes
🢒
Cadillac
🢒
2007
🢒
SRX
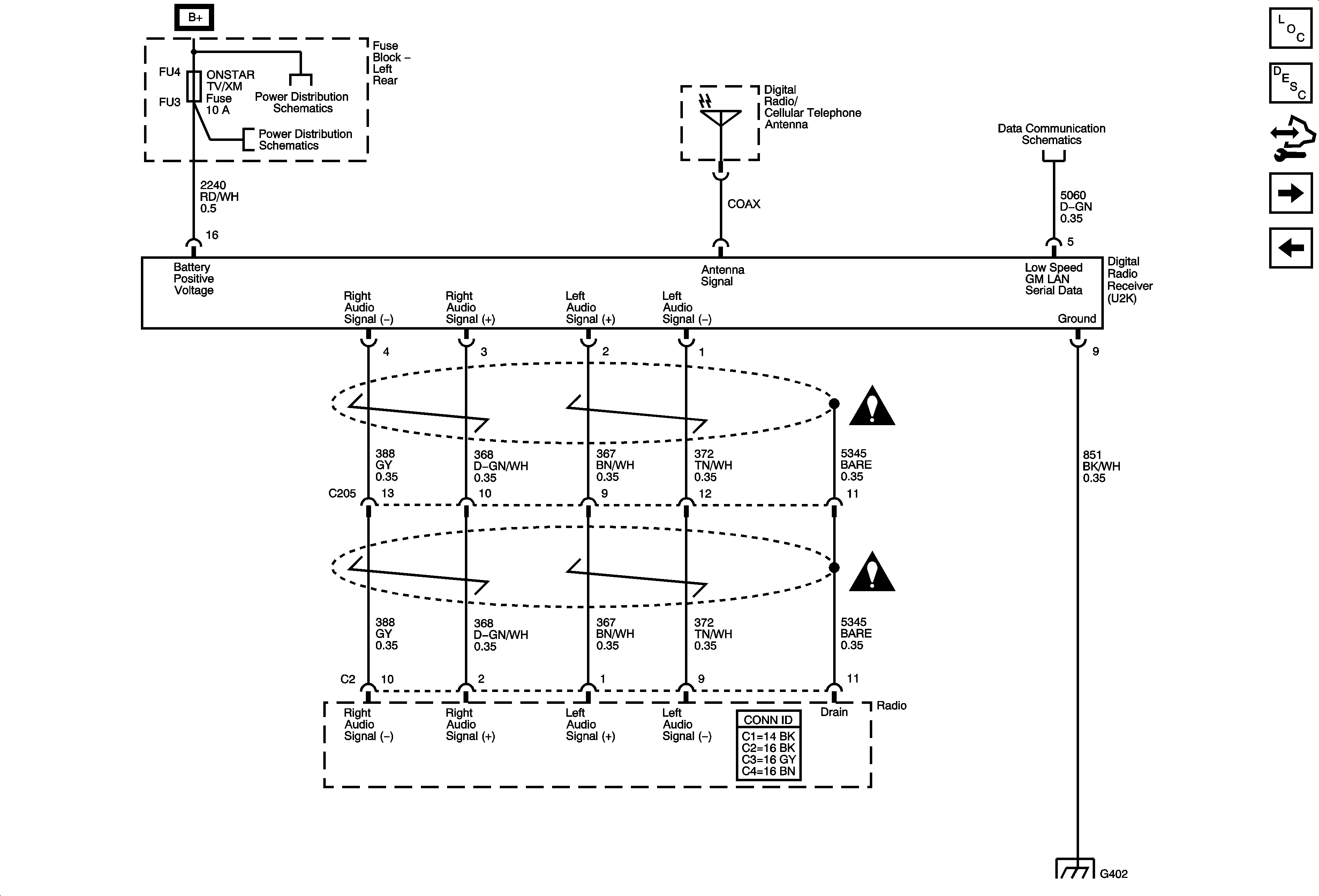
🢒 Digital Radio Receiver (U2K)
Digital Radio Receiver (U2K)
Digital Radio Receiver (U2K)
Master Electrical Component List
Radio/Audio System Description and Operation
Control Module References
Navigation Controls (U2V/U2X/U2Y)
Traffic Information Receiver (U2X)
Left Rear Fuse Block B+ Bus
3RD ROW SW/RFA Fuse, AMP Fuse, ONSTAR TV/XM Fuse, RSA/RSE Fuse, and RSM Fuse
Low Speed GMLAN Serial Data 2 of 2
Entertainment/Communication Schematic Icons
Entertainment/Communication Schematic Icons
G402 (1 of 2)