GM Service Manual Online
For 1990-2009 cars only
Makes
🢒
Cadillac
🢒
2007
🢒
SRX
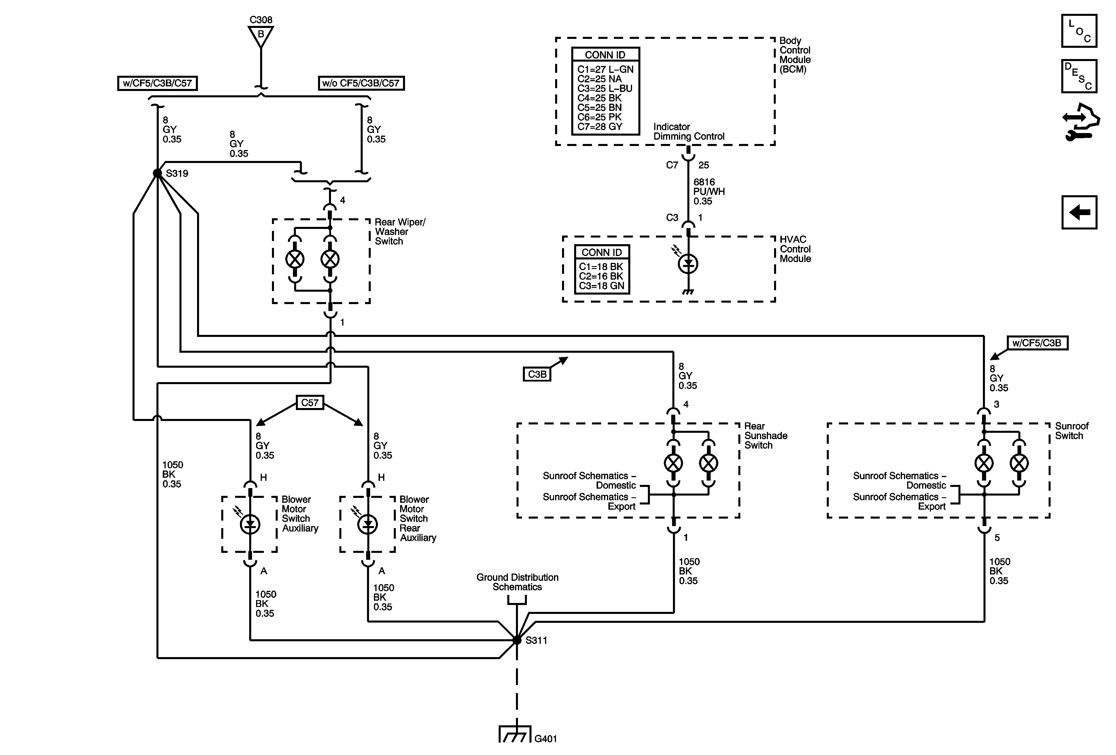
🢒 Dimming Lamps (3 of 3)
Dimming Lamps (3 of 3)
Dimming Lamps 3 of 3
Master Electrical Component List
Interior Lighting Systems Description and Operation
Control Module References
Dimming Lamps (2 of 3)
Dimming Lamps (2 of 3)
Rear Sunshade - Domestic
Rear Sunshade - Export
Sunroof and Front Sunshade - Domestic
Sunroof and Front Sunshade - Export
G401 (2 of 3)
G401 (2 of 3)