GM Service Manual Online
For 1990-2009 cars only
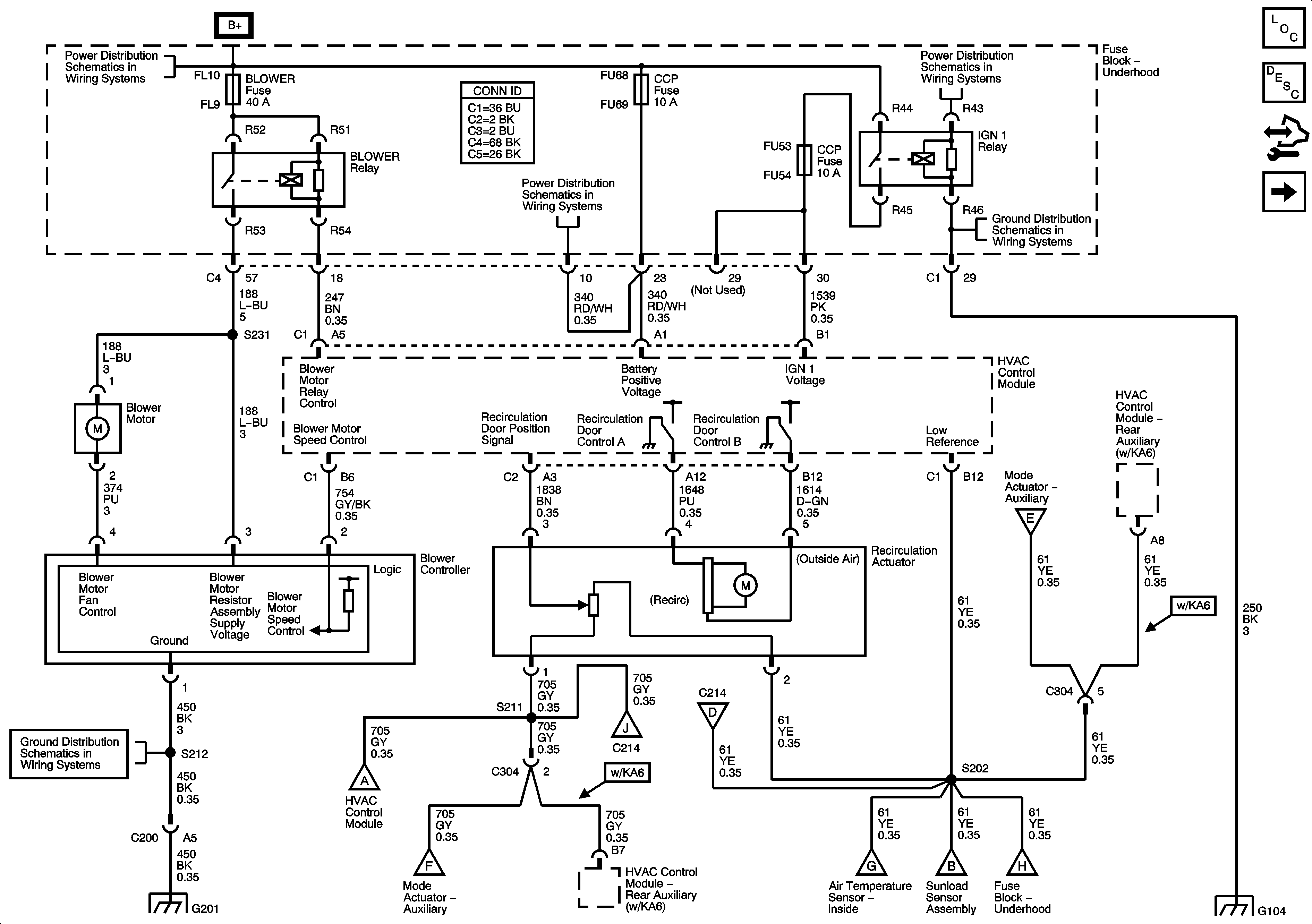
Figure 1:

Power, Ground, Blower Motor, Recirculation Actuator


Object Number: 1396275  Size: FS
Master Electrical Component List
Air Delivery Description and Operation
Control Module References
Air Delivery, EVAP Temperature Sensor, Rear Passenger Air temperature Actuator
Fuse Block Underhood Bussing
Fuse Block-Underhood Fuses/Relay: IPM/ALDL, Auto Headlamp Dimming, CCP, ECM/TCM, WPR MOD, WPR SW/VICS and Rain Sensor/HDLP Wash Fuses. Accessory Relay
Fuse Block Right Rear: LT Turn Signal, RIM(1), Rear Fog Lamp, FT Passenger Door Module, Heated Steering Column, IGN 1, RIM(2) and Airbag Fuses; Rear Fog Lamp and IGN 1 Relays
G104 (1 of 2)
Air Quality Sensor, Rear Mode Motor
G201 (1 of 2)
G201 (1 of 2)
Air Delivery, EVAP Temperature Sensor, Rear Passenger Air temperature Actuator
Air Quality Sensor, Rear Mode Motor
Air Delivery, EVAP Temperature Sensor, Rear Passenger Air temperature Actuator
Air Delivery, EVAP Temperature Sensor, Rear Passenger Air temperature Actuator
DLC, Temperature Controls, Sunload sensor
DLC, Temperature Controls, Sunload sensor
DLC, Temperature Controls, Sunload sensor
G104 (1 of 2)
Figure 2:

Air Delivery, EVAP Temperature Sensor, Rear Passenger Air Temperature Actuator


Object Number: 1396279  Size: FS
Master Electrical Component List
Air Delivery Description and Operation
Control Module References
DLC, Temperature Controls, Sunload sensor
Power, Ground, Blower Motor, Recirculation Actuator
Power, Ground, Blower Motor, Recirculation Actuator
Power, Ground, Blower Motor, Recirculation Actuator
Power, Ground, Blower Motor, Recirculation Actuator
Figure 3:

A/C Refrigerant Pressure Sensor and Compressor Clutch


Object Number: 1396270  Size: FS
Master Electrical Component List
Air Delivery Description and Operation
Control Module References
Air Quality Sensor, Rear Mode Motor
DLC, Temperature Controls, Sunload sensor
GMLAN High Speed - Domestic w/UE1
Fuse Block Right Rear: LT Turn Signal, RIM(1), Rear Fog Lamp, FT Passenger Door Module, Heated Steering Column, IGN 1, RIM(2) and Airbag Fuses; Rear Fog Lamp and IGN 1 Relays
Fuse Block Underhood Bussing
Engine Data Sensors - Low Reference Bus
Engine Data Sensors - 5 Volt Reference Bus
G100 (LH2)
G107 (LH2), G113 (LY7)
Figure 4:

DLC, Temperature Controls, Sunload Sensor


Object Number: 1396278  Size: FS
Master Electrical Component List
Air Temperature Description and Operation
Control Module References
A/C Refrigerant Pressure Sensor and Compressor Clutch
Air Delivery, EVAP Temperature Sensor, Rear Passenger Air temperature Actuator
Air Quality Sensor, Rear Mode Motor
GMLAN Low Speed 2 of 2
Coolant Level Switch and After Boil Coolant Pump w/LH2/V92/V03
G101
Power, Ground, Blower Motor, Recirculation Actuator
Power, Ground, Blower Motor, Recirculation Actuator
Power, Ground, Blower Motor, Recirculation Actuator
Figure 5:

Air Quality Sensor, Rear Mode Motor


Object Number: 1396284  Size: FS
Master Electrical Component List
Air Delivery Description and Operation
Control Module References
A/C Refrigerant Pressure Sensor and Compressor Clutch
Fuse Block-Underhood: Starter IGN 1 Relays; Starter, Starter Relay, CCP, TCM/IPM/ECM, MAF, ABS and Washer Nozzle/ACC Fuses
DLC, Temperature Controls, Sunload sensor
Power, Ground, Blower Motor, Recirculation Actuator
Power, Ground, Blower Motor, Recirculation Actuator
Radio Antennas, Audio/Video Adapter
G201 (2 of 2)
G104 (2 of 2)
G201 (2 of 2)