GM Service Manual Online
For 1990-2009 cars only
Makes
🢒
Cadillac
🢒
2005
🢒
STS
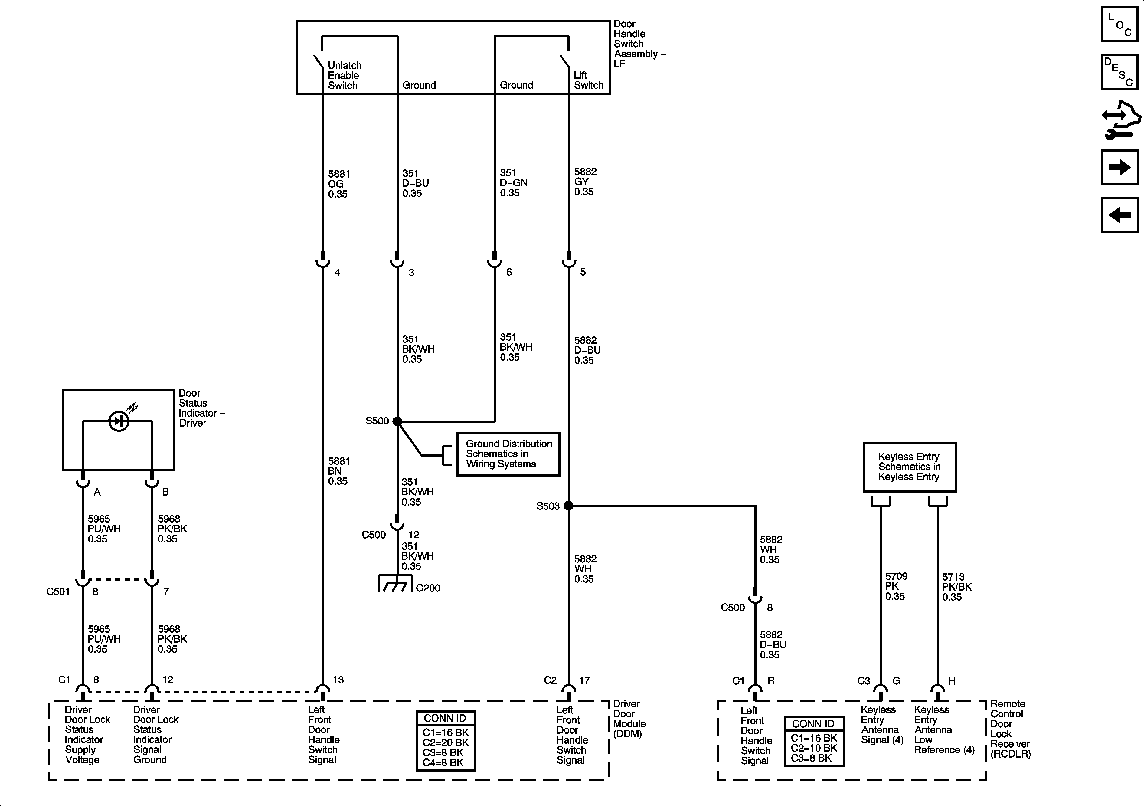
🢒 Left Front Door Handle Assembly
Left Front Door Handle Assembly
Left Front Door Handle Assembly, Door Status Indicator - Driver
Master Electrical Component List
Door Ajar Indicator Description and Operation
Control Module References
Right Front Door Handle Assembly
Left Rear and Right Rear Door Lock
G200 (1 of 2)
Module Power, Ground, Antennas, Switches
G200 (1 of 2)