GM Service Manual Online
For 1990-2009 cars only
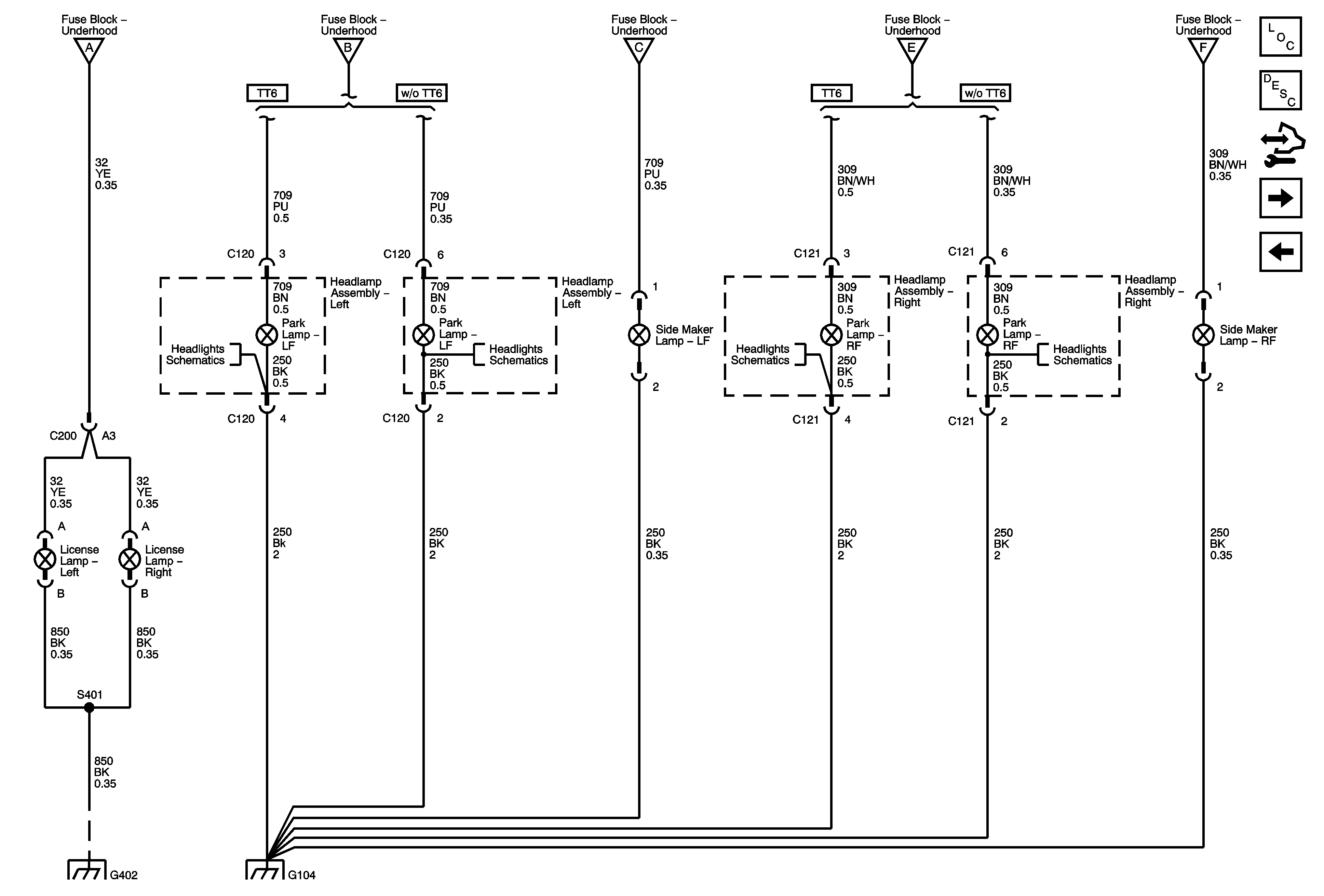
Figure 1:

Park Lamp Relay, Switch, and Instrument Cluster - Domestic


Object Number: 1822368  Size: FS
Master Electrical Component List
Exterior Lighting Systems Description and Operation
Control Module References
License, Park and Side Marker Lamps - Domestic
GM LAN - Low Speed 2 of 2
Fuse Block - Underhood Relay/Fuses: Park Lamp Relay, Rt Park Fuses, Tilt/Lk/LMP/CLM Relay Coils Fuse
Fuse Block - Underhood Relay/Fuses: Park Lamp Relay, Rt Park Fuses, Tilt/Lk/LMP/CLM Relay Coils Fuse
License, Park and Side Marker Lamps - Domestic
License, Park and Side Marker Lamps - Domestic
Tail Lamps - Domestic
License, Park and Side Marker Lamps - Domestic
Tail Lamps - Domestic
License, Park and Side Marker Lamps - Domestic
License, Park and Side Marker Lamps - Domestic
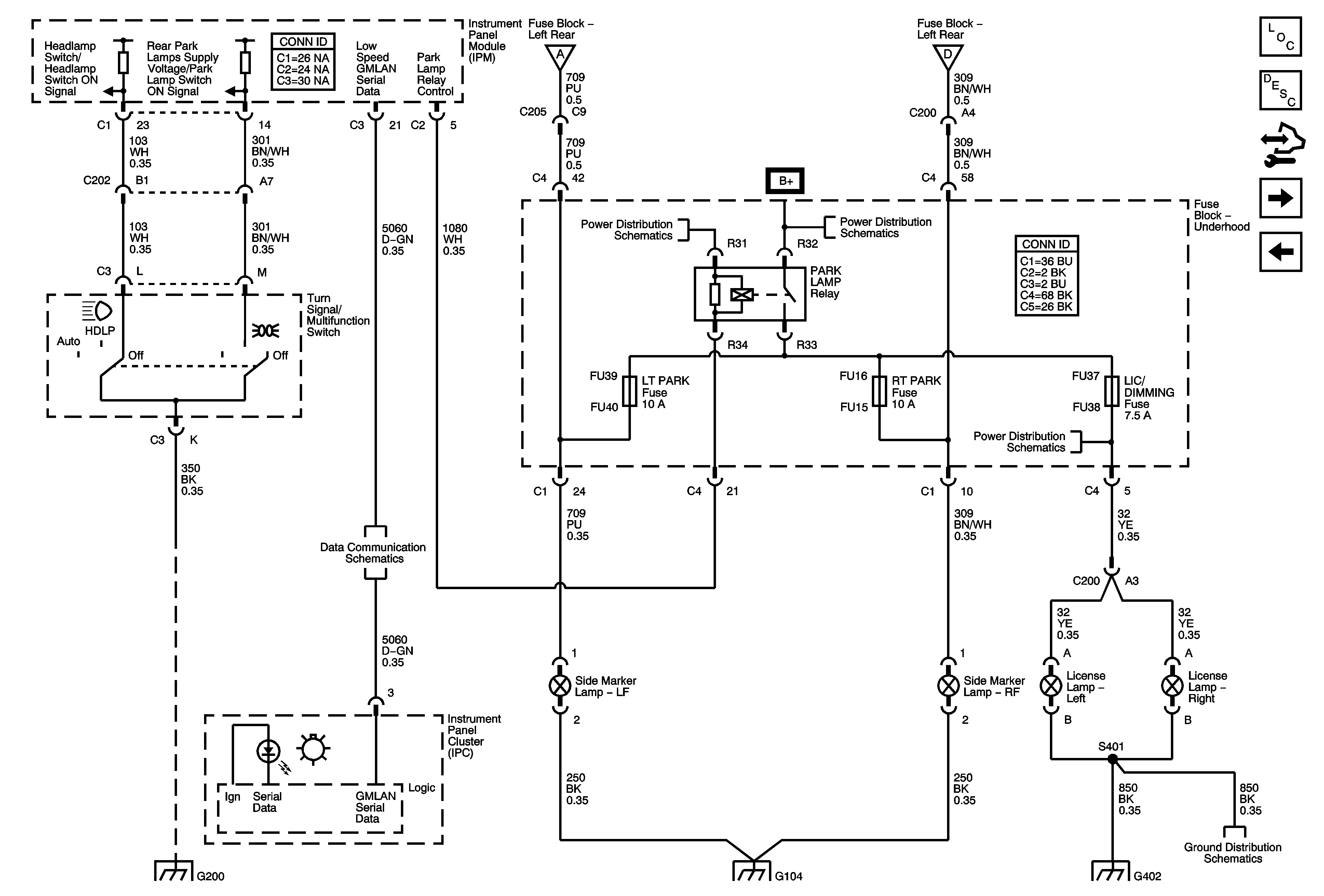
Figure 2:

License, Park, and Side Marker Lamps - Domestic


Object Number: 1822415  Size: FS
Master Electrical Component List
Exterior Lighting Systems Description and Operation
Control Module References
Tail Lamps - Domestic
Park Lamp Relay, Switch and Instrument Cluster - Domestic
Park Lamp Relay, Switch and Instrument Cluster - Domestic
Park Lamp Relay, Switch and Instrument Cluster - Domestic
Park Lamp Relay, Switch and Instrument Cluster - Domestic
Park Lamp Relay, Switch and Instrument Cluster - Domestic
Park Lamp Relay, Switch and Instrument Cluster - Domestic
Park Lamp Relay, Switch and Instrument Cluster - Domestic
Automatic Headlamp Dimming Relay w/ TT6, Headlamps w/ TT6
Power, Ground, Headlamps w/ TT7/TT8 and w/o TT7 and TT8
Automatic Headlamp Dimming Relay w/ TT6, Headlamps w/ TT6
Power, Ground, Headlamps w/ TT7/TT8 and w/o TT7 and TT8
G402 (1 of 2)
G104 (1 of 2)
Figure 3:

Tail Lamps - Domestic


Object Number: 1822442  Size: FS
Master Electrical Component List
Exterior Lighting Systems Description and Operation
Control Module References
Backup Lamps, CHMSL - Domestic and Export
License, Park and Side Marker Lamps - Domestic
Park Lamp Relay, Switch and Instrument Cluster - Domestic
Fuse Block - Right Rear Bussing
Backup Lamps, CHMSL - Domestic and Export
G401 (1 of 2)
Park Lamp Relay, Switch and Instrument Cluster - Domestic
G401 (2 of 2)
G402 (1 of 2)
Figure 4:

Backup Lamps, CHMSL - Domestic, Export


Object Number: 1822445  Size: FS
Master Electrical Component List
Exterior Lighting Systems Description and Operation
Control Module References
Front Turn Signal and Repeater Lamps, Hazard Switch - Domestic and Export
Tail Lamps - Domestic
Fuse Block - Left Rear Bussing
07 STS Inside Rearview Mirror - Power and Ground
Object Detection Schematics
Tail Lamps - Domestic
GM LAN - Low Speed 1 of 2
G402 (1 of 2)
G402 (1 of 2)
Figure 5:

Front Turn Signal and Repeater Lamps, Hazard Switch - Domestic, Export


Object Number: 1822451  Size: FS
Master Electrical Component List
Exterior Lighting Systems Description and Operation
Control Module References
Front Park Lamps, Rear Turn Signal Switch Signal, LT, RT Position and Standing Lamp Relay - Export
Backup Lamps, CHMSL - Domestic and Export
Front Fog Lamps
RIM Inputs and Outputs
Front Fog Lamps
G104 (2 of 2)
RIM Inputs and Outputs
Dimming 1 of 3
G201 (1 of 2)
Figure 6:

Front Park Lamps, Rear Turn Signal SW Signal, LT, RT Position and Standing Lamp Relays - Export


Object Number: 1822455  Size: FS
Master Electrical Component List
Exterior Lighting Systems Description and Operation
Control Module References
Tail Lamps - Export
Front Turn Signal and Repeater Lamps, Hazard Switch - Domestic and Export
Fuse Block - Left Rear Bussing
Park Lamp Relay, Switch and Instrument Cluster - Export
Power, Ground, Headlamps w/ TT7/TT8 and w/o TT7 and TT8
G104 (1 of 2)
Tail Lamps - Export
Tail Lamps - Export
Power, Ground, Headlamps w/ TT7/TT8 and w/o TT7 and TT8
G200 (2 of 2)
Park Lamp Relay, Switch and Instrument Cluster - Export
Fuse Block - Left Rear Bussing
Figure 7:

Tail Lamps - Export


Object Number: 1822457  Size: FS
Master Electrical Component List
Exterior Lighting Systems Description and Operation
Control Module References
Park Lamp Relay, Switch and Instrument Cluster - Export
Front Park Lamps, Rear Turn Signal Switch Signal, LT, RT Position and Standing Lamp Relay - Export
Front Park Lamps, Rear Turn Signal Switch Signal, LT, RT Position and Standing Lamp Relay - Export
Fuse Block - Right Rear Bussing
Front Park Lamps, Rear Turn Signal Switch Signal, LT, RT Position and Standing Lamp Relay - Export
G401 (1 of 2)
G401 (2 of 2)
G402 (2 of 2)
G401 (1 of 2)
Figure 8:

Park Lamp Relay, Switch, and Instrument Cluster - Export


Object Number: 1822459  Size: FS
Master Electrical Component List
Exterior Lighting Systems Description and Operation
Control Module References
Front Turn Signal Switch Signals, Brake Pedal Position Sensor - Domestic and Export
Tail Lamps - Export
Front Park Lamps, Rear Turn Signal Switch Signal, LT, RT Position and Standing Lamp Relay - Export
Front Park Lamps, Rear Turn Signal Switch Signal, LT, RT Position and Standing Lamp Relay - Export
Fuse Block - Underhood Relay/Fuses: Park Lamp Relay, Rt Park Fuses, Tilt/Lk/LMP/CLM Relay Coils Fuse
Fuse Block Underhood Wiring Bussing
GM LAN - Low Speed 2 of 2
G200 (2 of 2)
G104 (1 of 2)
Fuse Block - Underhood Fuses: LT PARK Fuse, License/Dimming Fuse
G402 (1 of 2)
G402 (1 of 2)
Figure 9:

Front Turn Signal Switch Signals, Brake Pedal Position Sensor - Domestic, Export


Object Number: 1822463  Size: FS
Master Electrical Component List
Exterior Lighting Systems Description and Operation
Control Module References
Park Lamp Relay, Switch and Instrument Cluster - Export
G200 (2 of 2)