GM Service Manual Online
For 1990-2009 cars only
Figure 1:

TCM Power, Grounds, ECM, IPM


Object Number: 1822164  Size: FS
Master Electrical Component List
Electronic Component Description
Control Module References
ECM, EBCM
Automatic Transmission Shift Lock Control Schematics
Fuse Block Underhood Wiring Bussing
Fuse Block - Underhood Fuses/Relays: IPM/ALDL, Auto Headlamp Dimming, CCP, ECM/TCM, WPR MOD, WPR SW/VICS and Rain Sensor/HDLP Wash Fuses; ACC Relay
Fuse Block - Underhood: Starter, RUN/CRANK Relays; Starter, Starter Relay, CCP, TCM/IPM/ECM, MAF, ABS and Washer Nozzle/ACC Fuses
Fuse Block - Right Rear - Lt Turn Signal, RIM 1, Rear Fog Lamp, Ft Pass Door Module, Htd Stg Clm, IGN 1, RIM 2 and Airbag Fuses, Rear Fog Lamp and Ign 1 Relays
G104 (1 of 2)
G100 (LH2/LC3)
G104 (1 of 2)
Figure 2:

ECM, EBCM


Object Number: 1822166  Size: FS
Master Electrical Component List
Electronic Component Description
Control Module References
Automatic Transmission Shift Lever Assembly, IPM
Power, Grounds, ECM, IPM
Backup Lamps, CHMSL - Domestic and Export
Figure 3:

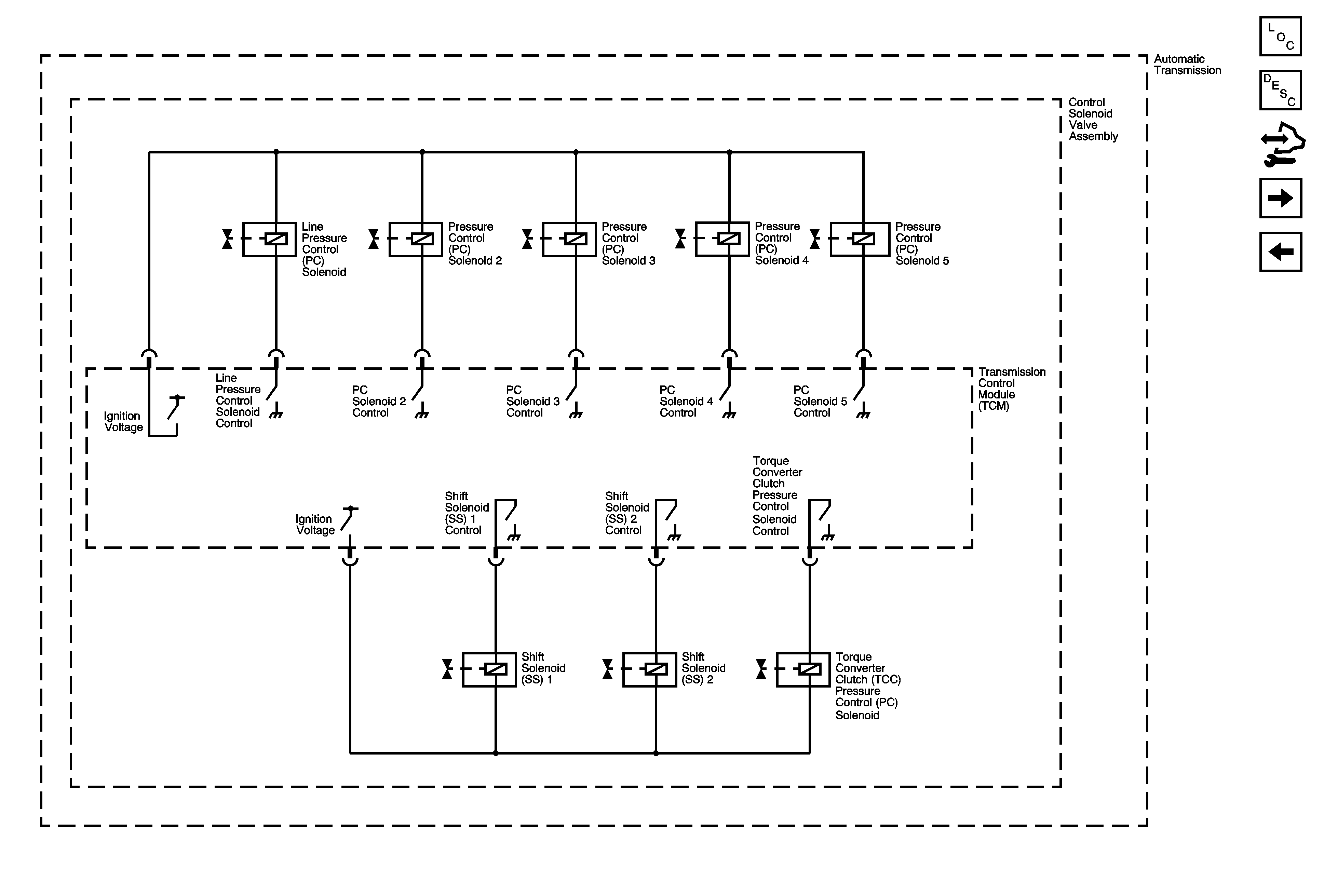
Pressure Controls - 1 of 2 and Shift Controls


Object Number: 1825597  Size: FS
Master Electrical Component List
Electronic Component Description
Control Module References
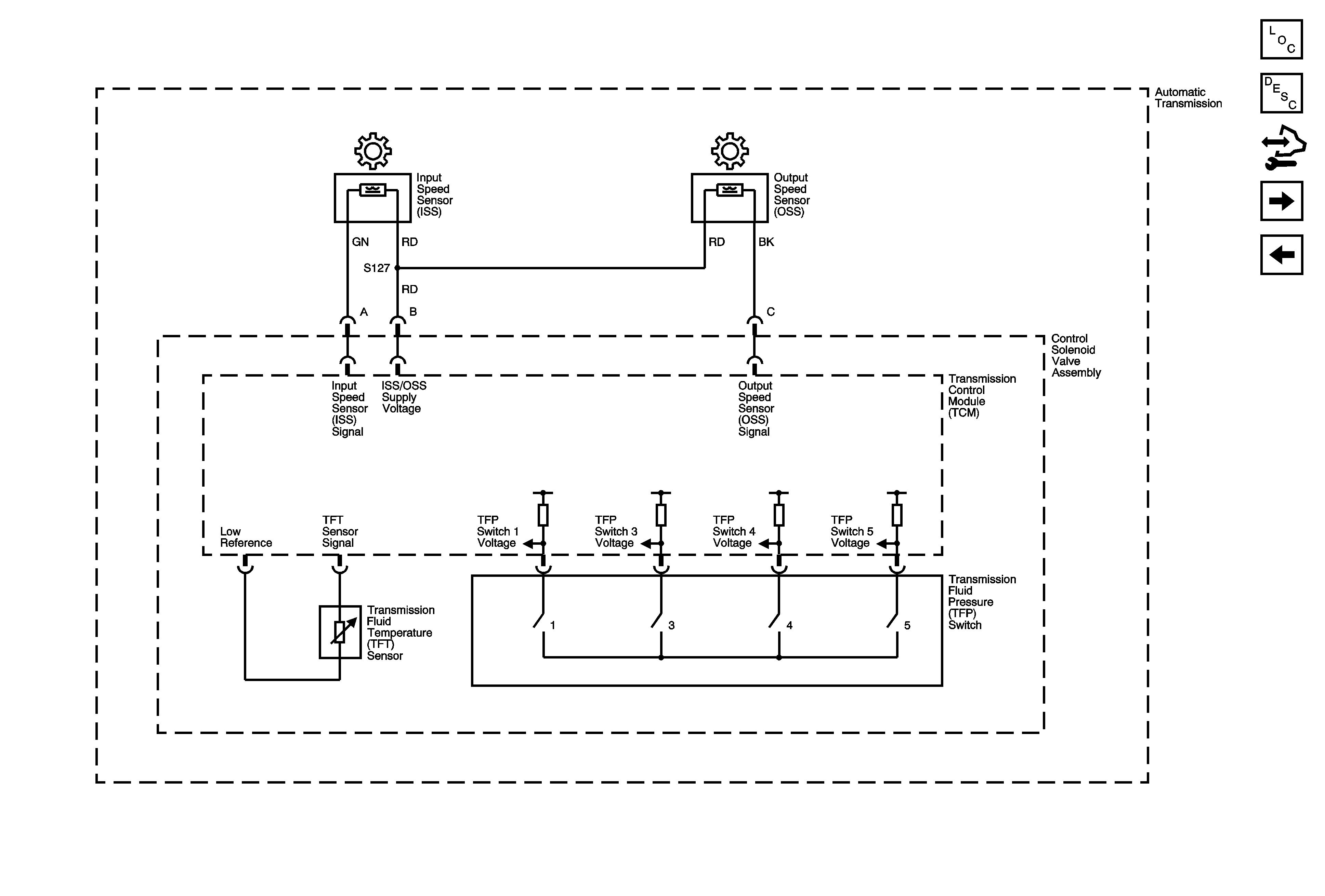
Pressure Controls - 2 of 2 and Speed Sensors
ECM, EBCM
Figure 4:

Pressure Controls - 2 of 2 and Speed Sensors


Object Number: 1825599  Size: FS
Master Electrical Component List
Electronic Component Description
Control Module References
Automatic Transmission Shift Lever Assembly, IPM
Pressure Controls - 1 of 2 and Shift Controls
Figure 5:

Automatic Transmission Shift Lever Assembly, IPM


Object Number: 1822169  Size: FS
Master Electrical Component List
Electronic Component Description
Control Module References
ECM, EBCM
Power Modes
Fuse Block - Left Rear Bussing
Fuse Block - Left Rear - Ign 3 Relay, Ign 3, Rear Heated Seat, Memory, Airbag and Rear Shelf Speaker Fuses
Dimming 2 of 3
G402 (1 of 2)
G201 (1 of 2)