GM Service Manual Online
For 1990-2009 cars only
Figure 1:

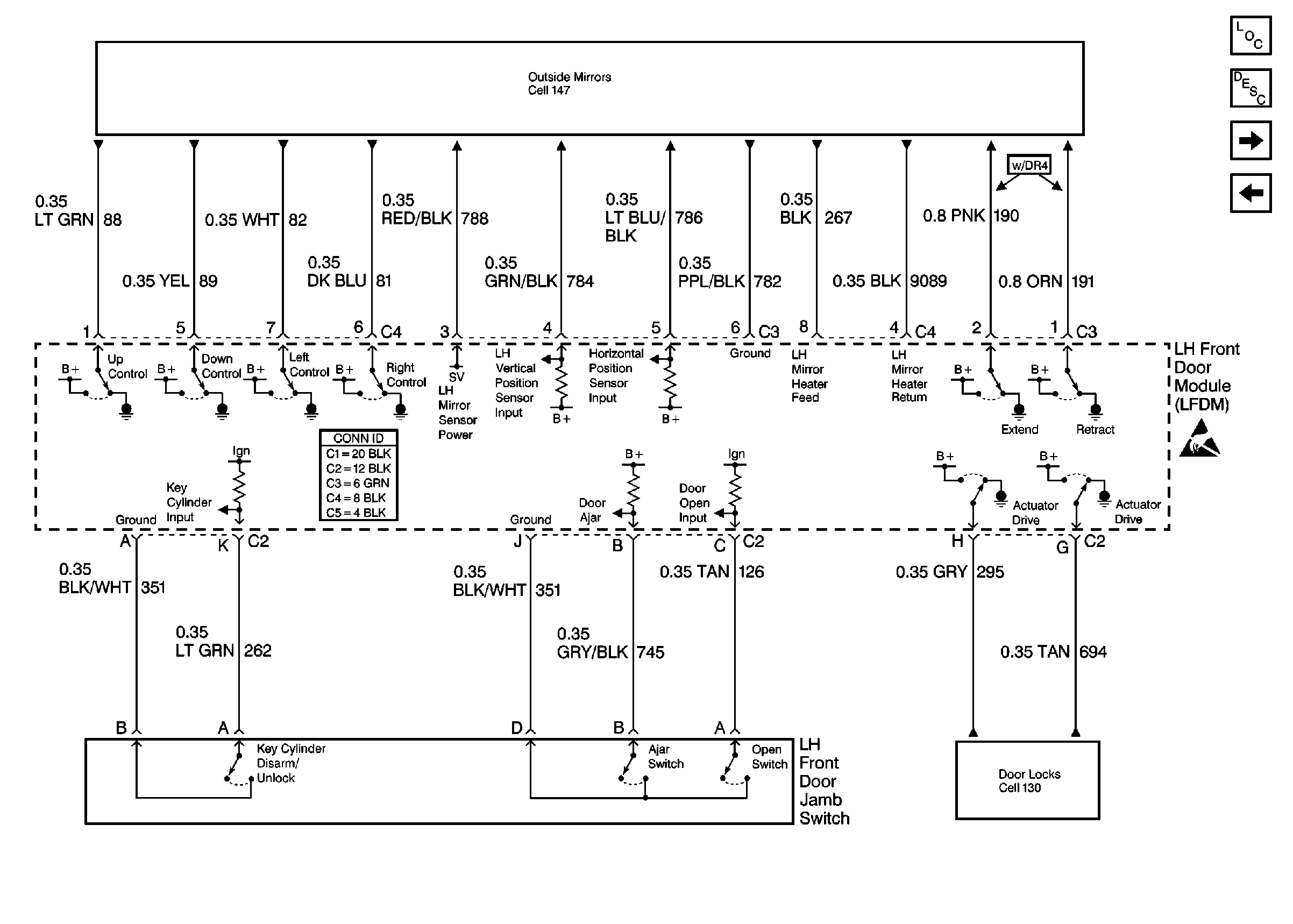
Cell 55: LFDM Inputs and Outputs


Object Number: 154593  Size: FS
Power Door Systems Component Views
Door Description
Cell 120 - LH Power Windows
Handling ESD Sensitive Parts Notice
Cell 120 - LH Power Windows
Cell 14: G200 (1 of 2)
Cell 10: DRV MDL, PASS MDL, RRDR MDL, and ALDL Fuses
Cell 50: Class Serial Data Line (1 of 2)
Figure 2:

Cell 55: LFDM Power, Ground, Inputs, and Outputs


Object Number: 154597  Size: FS
Power Door Systems Components
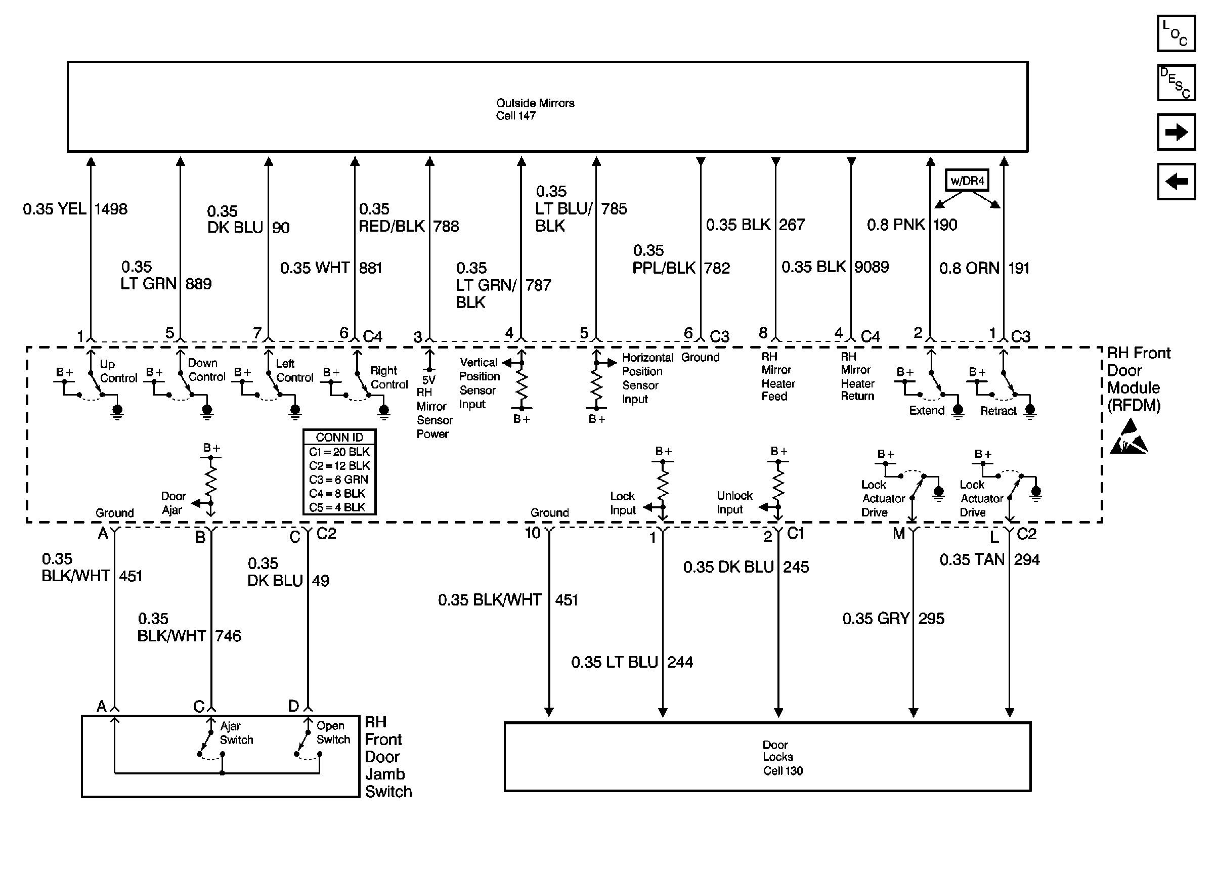
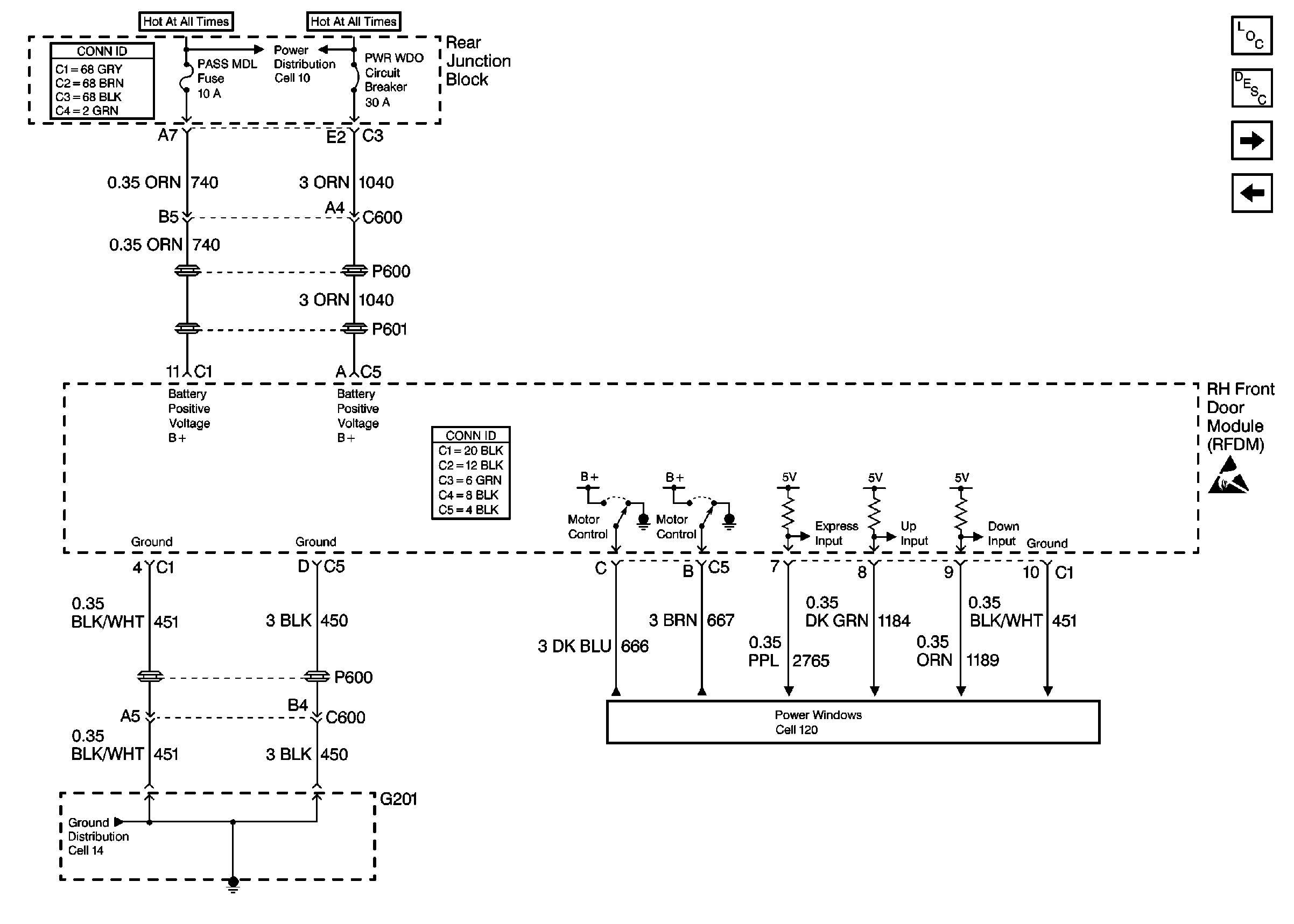
Cell 55: RFDM Power, Ground, Inputs, and Outputs
Cell 55: LFDM Inputs and Outputs
Handling ESD Sensitive Parts Notice
Cell 130 - LH Power Door Locks
Power Door Systems Connector End Views
Cell 147 - LH Power Mirror with Memory (A45)
Door Description
Figure 3:

Cell 55: RFDM Power, Ground, Inputs, and Outputs


Object Number: 154600  Size: FS
Power Door Systems Components
Door Description
Cell 55: RFDM Inputs and Outputs
Cell 55: LFDM Power, Ground, Inputs, and Outputs
Handling ESD Sensitive Parts Notice
Power Door Systems Connector End Views
Cell 14: G201 (1 of 2)
Power Door Systems Connector End Views
Cell 10: DRV MDL, PASS MDL, RRDR MDL, and ALDL Fuses
Cell 120 - RH Power Window
Figure 4:

Cell 55: RFDM Inputs and Outputs


Object Number: 154611  Size: FS
Power Door Systems Components
Cell 55: LRDM Power, Ground, Inputs, and Outputs
Cell 55: RFDM Power, Ground, Inputs, and Outputs
Handling ESD Sensitive Parts Notice
Cell 130 - RH Power Door Lock
Power Door Systems Connector End Views
Door Description
Cell 147 - RH Power Mirror with Memory (A45)
Figure 5:

Cell 55: LRDM Power, Ground, Inputs, and Outputs


Object Number: 154612  Size: FS
Power Door Systems Components
Door Description
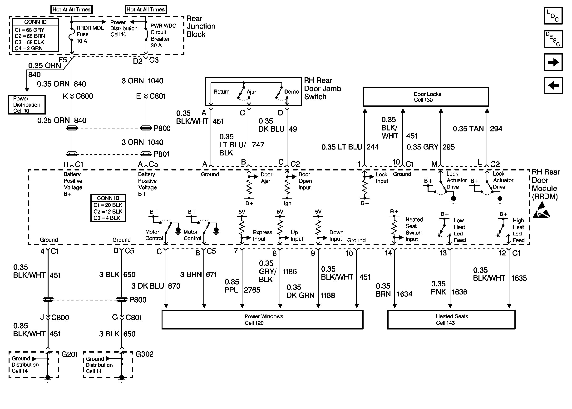
Cell 55: RRDM Power, Ground, Inputs, and Outputs
Cell 55: RFDM Inputs and Outputs
Cell 130 - LH Power Door Locks
Handling ESD Sensitive Parts Notice
Cell 143: Rear Heated Seat Switches
Cell 120 - LH Power Windows
Cell 14: G200 (1 of 2)
Cell 14: G300
Power Door Systems Connector End Views
Cell 10: DRV MDL, PASS MDL, RRDR MDL, and ALDL Fuses
Power Door Systems Connector End Views
Cell 10: DRV MDL, PASS MDL, RRDR MDL, and ALDL Fuses
Figure 6:

Cell 55: RRDM Power, Ground, Inputs, and Outputs


Object Number: 154613  Size: FS
Power Door Systems Components
Door Description
Cell 55: LH Front Power Window Switch
Cell 55: LRDM Power, Ground, Inputs, and Outputs
Handling ESD Sensitive Parts Notice
Cell 130 - RH Power Door Lock
Cell 143: Rear Heated Seat Switches
Cell 120 - RH Power Window
Cell 14: G302
Power Door Systems Connector End Views
Cell 10: DRV MDL, PASS MDL, RRDR MDL, and ALDL Fuses
Power Door Systems Connector End Views
Cell 10: DRV MDL, PASS MDL, RRDR MDL, and ALDL Fuses
Cell 14: G201 (1 of 2)
Figure 7:

Cell 55: LH Front Power Window Switch


Object Number: 141865  Size: FS
Power Door Systems Components
Door Description
Cell 55: SBI
Handling ESD Sensitive Parts Notice
Power Door Systems Connector End Views
Data Link Connector Schematics
Interior Lights Dimming Schematics
Figure 8:

Cell 55: SBI


Object Number: 154616  Size: FS
Power Door Systems Components
Door Description
Cell 55: LH Front Power Window Switch