GM Service Manual Online
For 1990-2009 cars only
Figure 1:

PCM Power and Grounds


Object Number: 576326  Size: FS
Engine Controls Components
OBD II Symbol Description Notice
MIL Control and DLC
PCM BATT, EXPORT BRK, IP, ABS Sol, and ABS MOT Fuses
DIM Ignition Inputs
G106, G110, and G109
Ignition Switch
Powertrain Control Module (PCM)
Figure 2:

MIL Control and DLC


Object Number: 576345  Size: FS
Engine Controls Components
OBD II Symbol Description Notice
Fuel Pump and Engine Oil Pressure Switch
PCM Power and Grounds
DRV MDL, PASS MDL, RRDR MDL and DLC Fuses
Data Link Connector Power and Ground (LH Drive)
DRV MDL, PASS MDL, RRDR MDL and DLC Fuses
Handling ESD Sensitive Parts Notice
G200 1 of 2
G201
G201
Information Sensors/Switches Description
Figure 3:

Fuel Pump and Engine Oil Pressure Switch


Object Number: 576328  Size: FS
Engine Controls Components
OBD II Symbol Description Notice
Fuel Injectors
MIL Control and DLC
Handling ESD Sensitive Parts Notice
NSBU, F/PMP, CVRTD and BODY Fuses
G401 1 of 3
G106 and G108
G301
Fuel System Description
Figure 4:

Fuel Injectors


Object Number: 520706  Size: FS
Engine Controls Components
OBD II Symbol Description Notice
Sensors
Fuel Pump and Engine Oil Pressure Switch
A/C CLU, FOG/DRL, INJR 1 and INJR 2 Fuses
Fuel Supply Component Description
Figure 5:

Sensors


Object Number: 576341  Size: FS
Engine Controls Components
OBD II Symbol Description Notice
HO2S
Fuel Injectors
Handling ESD Sensitive Parts Notice
Handling ESD Sensitive Parts Notice
Information Sensors/Switches Description
Figure 6:

HO2S


Object Number: 576329  Size: FS
Engine Controls Components
OBD II Symbol Description Notice
EVAP and EGR Valve
Sensors
Handling ESD Sensitive Parts Notice
OXYSENA, OXYSENB, DIS and CRCONT Fuses
Information Sensors/Switches Description
Figure 7:

EVAP and EGR Valve


Object Number: 576330  Size: FS
Engine Controls Components
OBD II Symbol Description Notice
MAF and IAC
HO2S
Handling ESD Sensitive Parts Notice
IGN 1 Relay and SIR, Vent SOL, IGN 1 Fuses
IGN 1 and PCM IGN Fuses
IGN 1 and PCM IGN Fuses
Evaporative Emission Control System
Figure 8:

MAF and IAC


Object Number: 576334  Size: FS
Engine Controls Components
OBD II Symbol Description Notice
Cruise Control Module
EVAP and EGR Valve
Handling ESD Sensitive Parts Notice
IGN 1 and PCM IGN Fuses
IGN 1 and PCM IGN Fuses
G106 and G108
Crankcase Ventilation System
Figure 9:

Cruise Control Module


Object Number: 576335  Size: FS
Engine Controls Components
SIR Caution
A/C Relay, A/C Pressure Sensor, CVRSS and EBCM
MAF and IAC
Handling ESD Sensitive Parts Notice
Handling ESD Sensitive Parts Notice
Handling ESD Sensitive Parts Notice
OXYSENA, OXYSENB, DIS and CRCONT Fuses
G101 and G105
Handling ESD Sensitive Parts Notice
Information Sensors/Switches Description
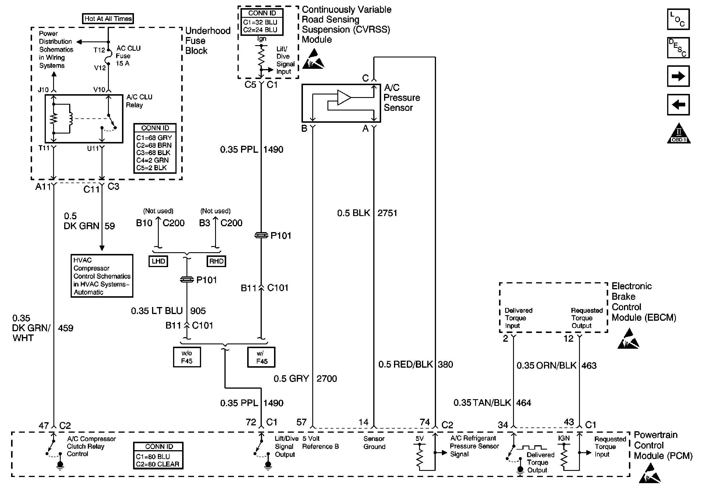
Figure 10:

A/C Relay, A/C Pressure Sensor, CVRSS and EBCM


Object Number: 576336  Size: FS
Engine Controls Components
OBD II Symbol Description Notice
Generator, PCM, Steering Pressure Switch and Oil Level Switch
Cruise Control Module
Handling ESD Sensitive Parts Notice
Handling ESD Sensitive Parts Notice
Handling ESD Sensitive Parts Notice
Compressor Controls
A/C CLU, FOG/DRL, INJR 1 and INJR 2 Fuses
Powertrain Control Module Controlled Air Conditioning
Figure 11:

Generator, PCM, Steering Pressure Switch and Oil Level Switch


Object Number: 576338  Size: FS
Engine Controls Components
OBD II Symbol Description Notice
ABS/TCC Switch and Transaxle Solenoids
A/C Relay, A/C Pressure Sensor, CVRSS and EBCM
Handling ESD Sensitive Parts Notice
G106 and G108
Powertrain Control Module (PCM)
Figure 12:

ABS/TCC Switch and Transaxle Solenoids


Object Number: 576339  Size: FS
Engine Controls Components
OBD II Symbol Description Notice
Transaxle Sensors and TR Switch
Generator, PCM, Steering Pressure Switch and Oil Level Switch
Handling ESD Sensitive Parts Notice
IGN 1 Relay and SIR, Vent SOL, IGN 1 Fuses
IGN 1 Relay and SIR, Vent SOL, IGN 1 Fuses
Multifunction Lever and Cruise Control Module Power and Ground
Powertrain Control Module (PCM)
Figure 13:

Transaxle Sensors and TR Switch


Object Number: 576348  Size: FS
Engine Controls Components
OBD II Symbol Description Notice
Park/Neutral Position Switch and VSS
ABS/TCC Switch and Transaxle Solenoids
Handling ESD Sensitive Parts Notice
Handling ESD Sensitive Parts Notice
Powertrain Control Module (PCM)
Figure 14:

Park/Neutral Position Switch and VSS


Object Number: 576340  Size: FS
Engine Controls Components
OBD II Symbol Description Notice
Cooling Fans
Transaxle Sensors and TR Switch
Handling ESD Sensitive Parts Notice
G106 and G108
Powertrain Control Module (PCM)
Figure 15:

Cooling Fans


Object Number: 576344  Size: FS
Engine Controls Components
Ignition Control Module- Front Bank
Park/Neutral Position Switch and VSS
OBD II Symbol Description Notice
Handling ESD Sensitive Parts Notice
Cool Fan 1, Cool Fan 2, and Horn Fuses
G104
Electric Cooling Fan
Figure 16:

Ignition Control Module- Front Bank


Object Number: 576349  Size: FS
Engine Controls Components
OBD II Symbol Description Notice
Ignition Control Module- Rear Bank
Cooling Fans
Handling ESD Sensitive Parts Notice
Handling ESD Sensitive Parts Notice
OXYSENA, OXYSENB, DIS and CRCONT Fuses
OXYSENA, OXYSENB, DIS and CRCONT Fuses
G106 and G108
Electronic Ignition (EI) System
Figure 17:

Ignition Control Module- Rear Bank


Object Number: 576350  Size: FS
Engine Controls Components
OBD II Symbol Description Notice
Secondary Air Injection (AIR) Pump Motors w/NB6-California Emissions
Ignition Control Module- Front Bank
Handling ESD Sensitive Parts Notice
Handling ESD Sensitive Parts Notice
Handling ESD Sensitive Parts Notice
OXYSENA, OXYSENB, DIS and CRCONT Fuses
G106 and G108
Electronic Ignition (EI) System
Figure 18:

Secondary Air Injection (AIR) Pump Motors w/NB6-California Emissions


Object Number: 600315  Size: FS
Engine Controls Components
OBD II Symbol Description Notice
Ignition Control Module- Rear Bank
Handling ESD Sensitive Parts Notice
IGN 1 and PCM IGN Fuses
IGN 1 and PCM IGN Fuses
Air Induction System