GM Service Manual Online
For 1990-2009 cars only

Exterior Lights Schematics Domestic

Figure 1:

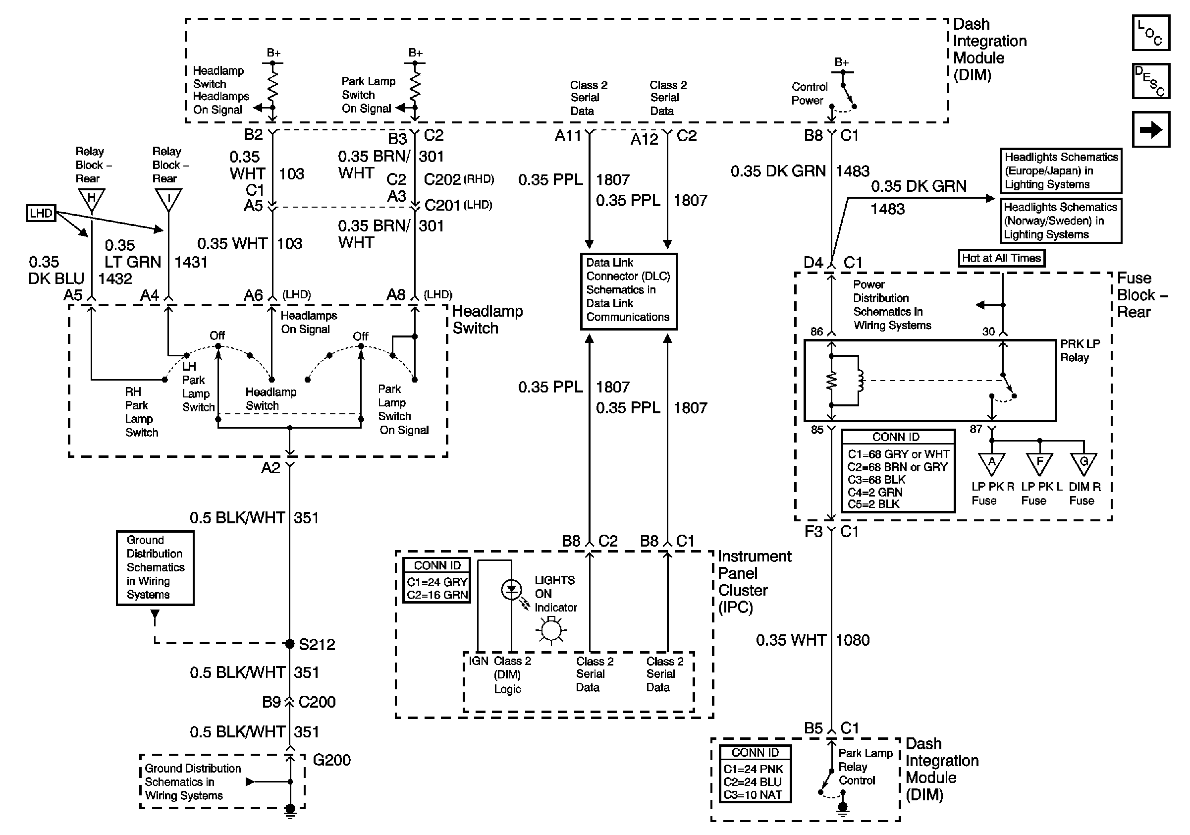
Park Lamp and Class 2


Object Number: 642241  Size: FS
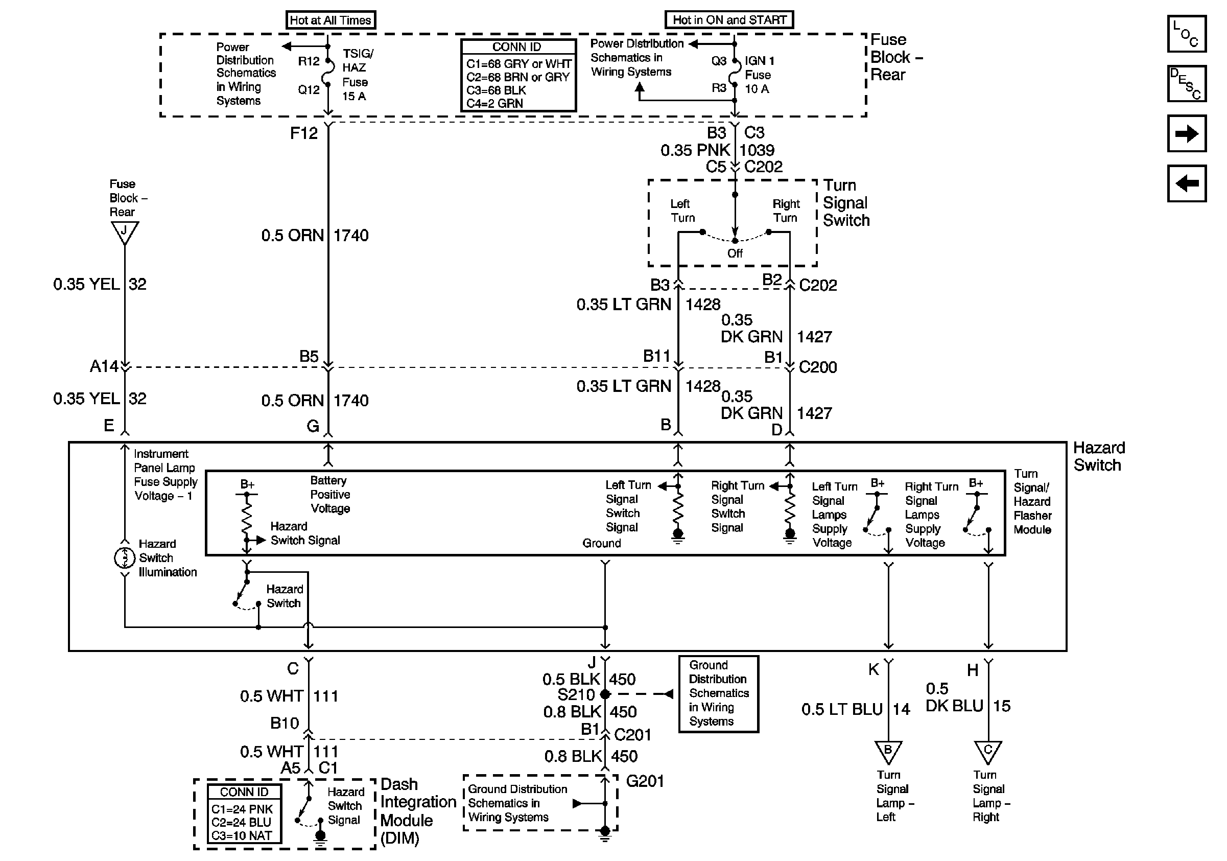
Hazard Switch
Lighting Systems Component Views
Exterior Lighting Systems Description and Operation
Class 2 Serial Data Line (LH Drive) (1 of 2)
Low Beam Headlamps
G200
G200
Right Exterior Lights
Left Exterior Lamps
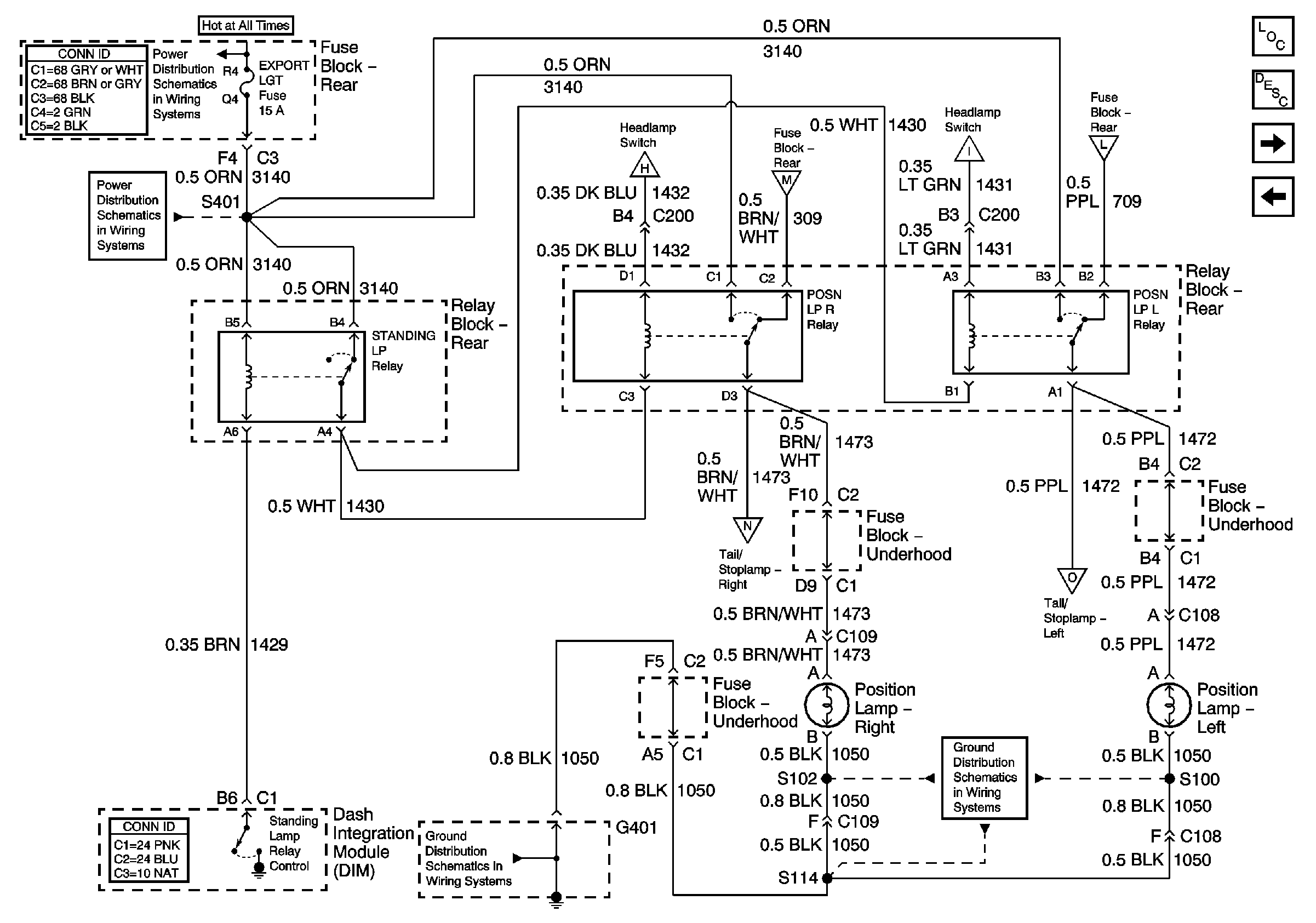
License, Underhood, and Cornering Lamps
Figure 2:

Hazard Switch


Object Number: 642242  Size: FS
Park Lamp and Class 2
Stoplamp Switches
Lighting Systems Component Views
Exterior Lighting Systems Description and Operation
Battery Feeds
Battery Feeds
License, Underhood, and Cornering Lamps
G201 (2 of 3)
Left Exterior Lamps
Right Exterior Lights
G201 (2 of 3)
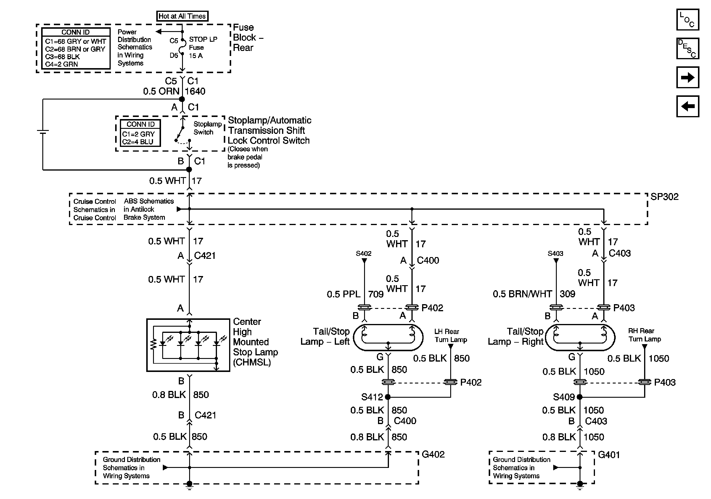
Figure 3:

Stoplamp Switches


Object Number: 642244  Size: FS
Hazard Switch
Right Exterior Lights
Lighting Systems Component Views
Exterior Lighting Systems Description and Operation
Battery Feeds
G402 (1 of 2)
G401 (1 of 3)
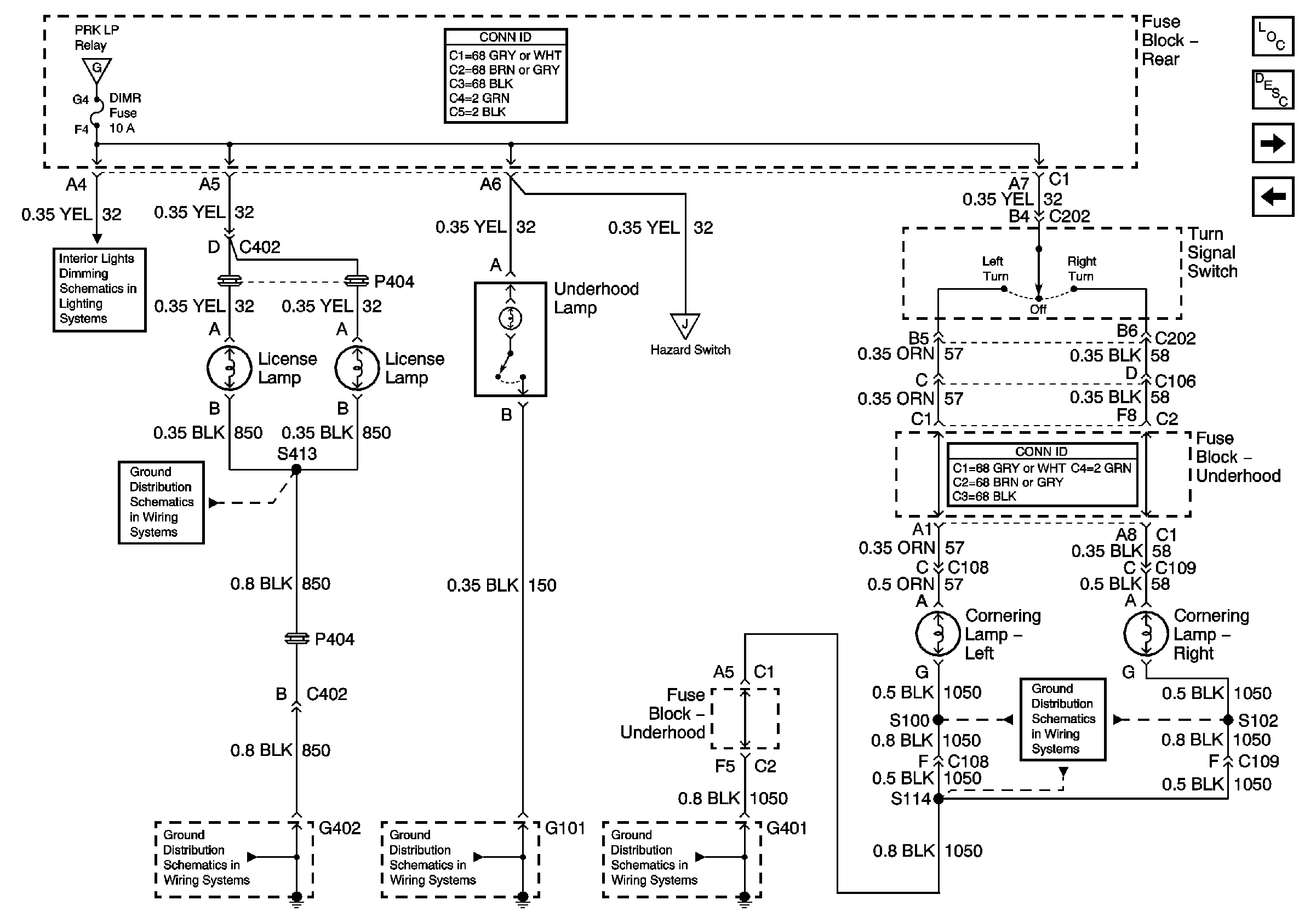
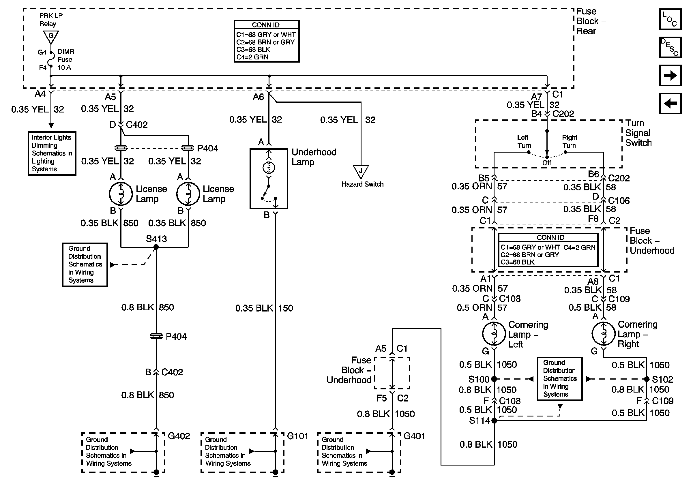
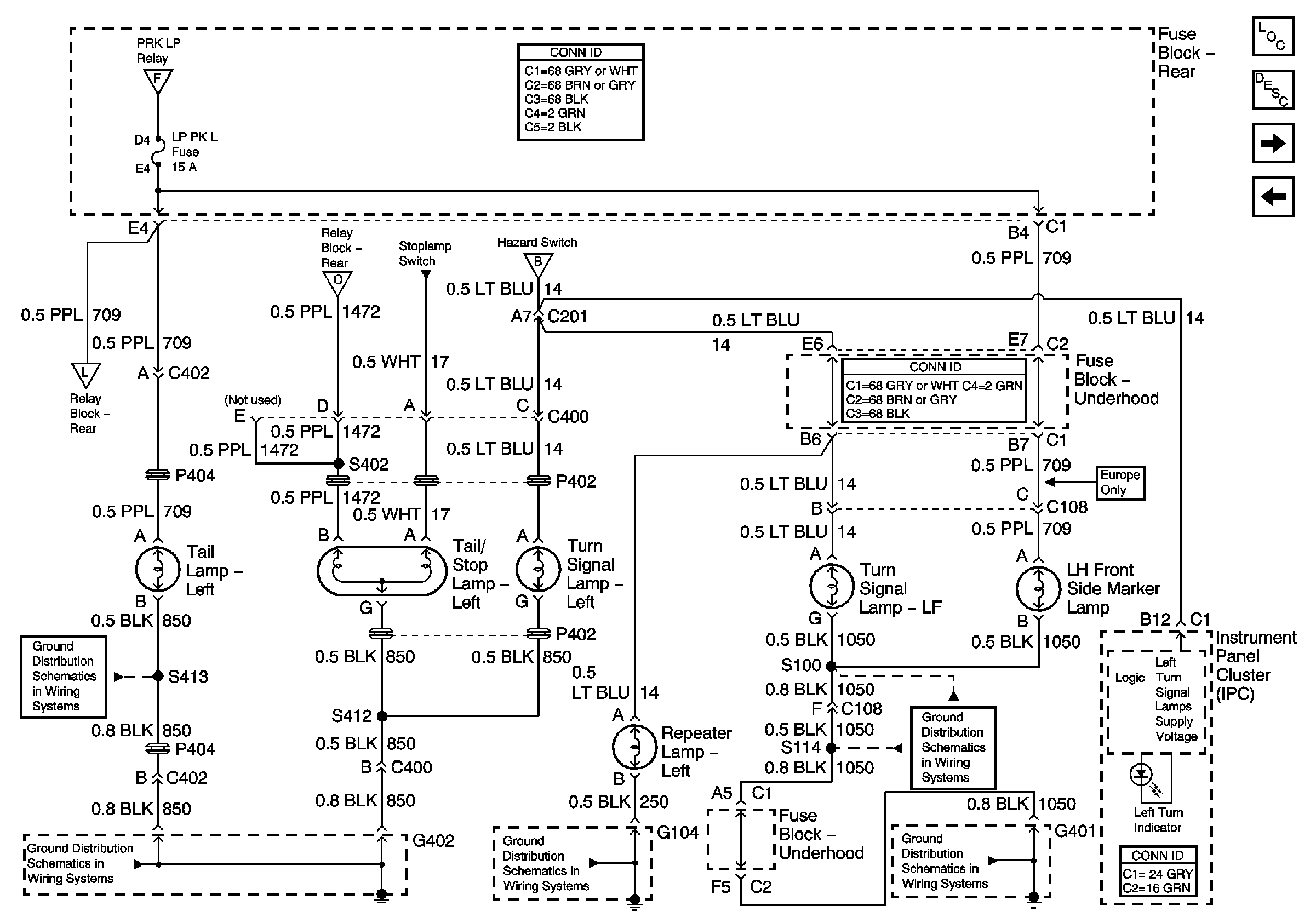
Figure 4:

Right Exterior Lights


Object Number: 642246  Size: FS
Stoplamp Switches
Left Exterior Lamps
Lighting Systems Component Views
Exterior Lighting Systems Description and Operation
Park Lamp and Class 2
Hazard Switch
G402 (2 of 2)
G402 (2 of 2)
G401 (3 of 3)
G401 (3 of 3)
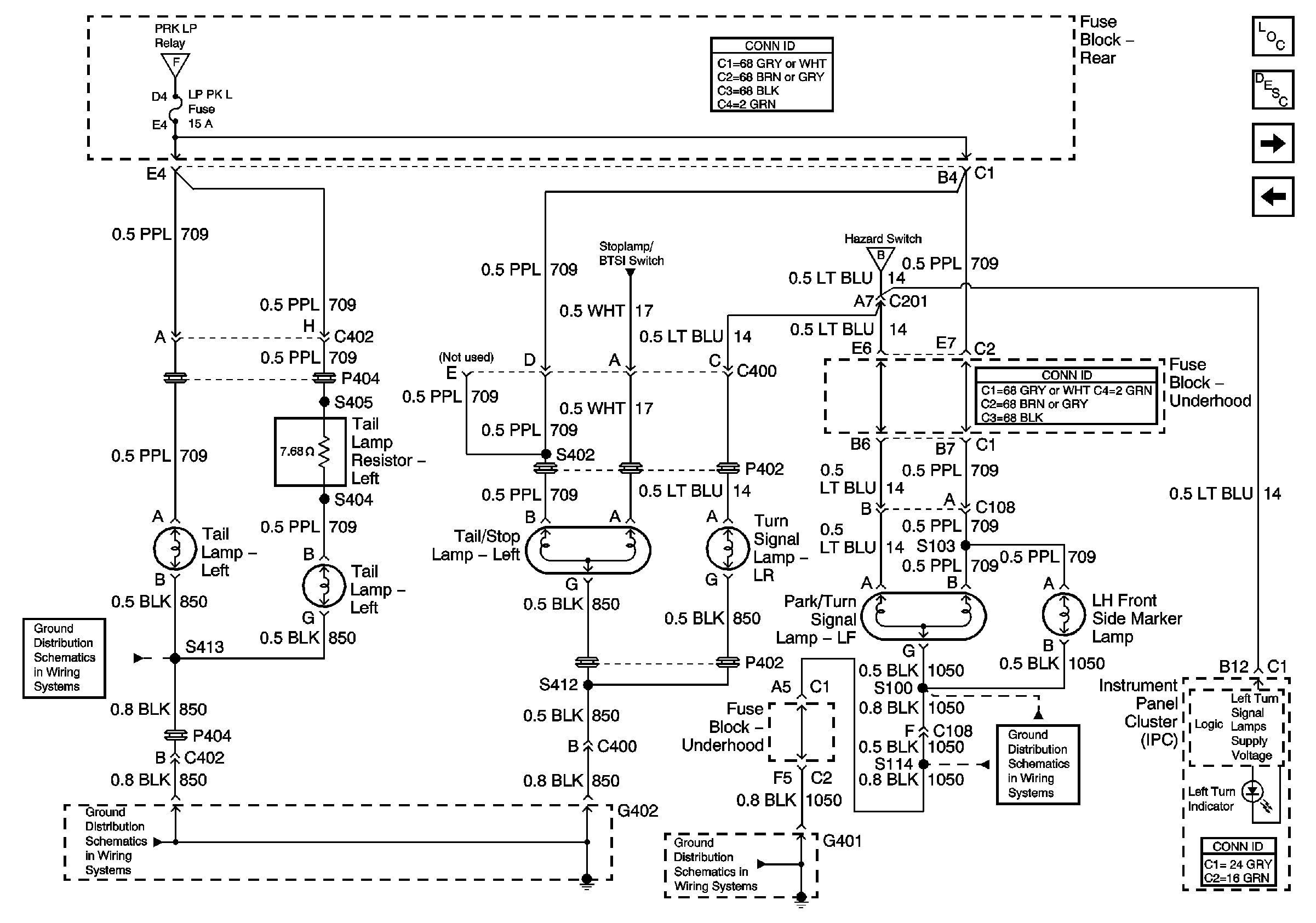
Figure 5:

Left Exterior Lamps


Object Number: 642247  Size: FS
Right Exterior Lights
License, Underhood, and Cornering Lamps
Lighting Systems Component Views
Exterior Lighting Systems Description and Operation
Park Lamp and Class 2
Hazard Switch
G402 (2 of 2)
G402 (2 of 2)
G401 (3 of 3)
G401 (3 of 3)
Figure 6:

License, Underhood, and Cornering Lamps


Object Number: 642248  Size: FS
Left Exterior Lamps
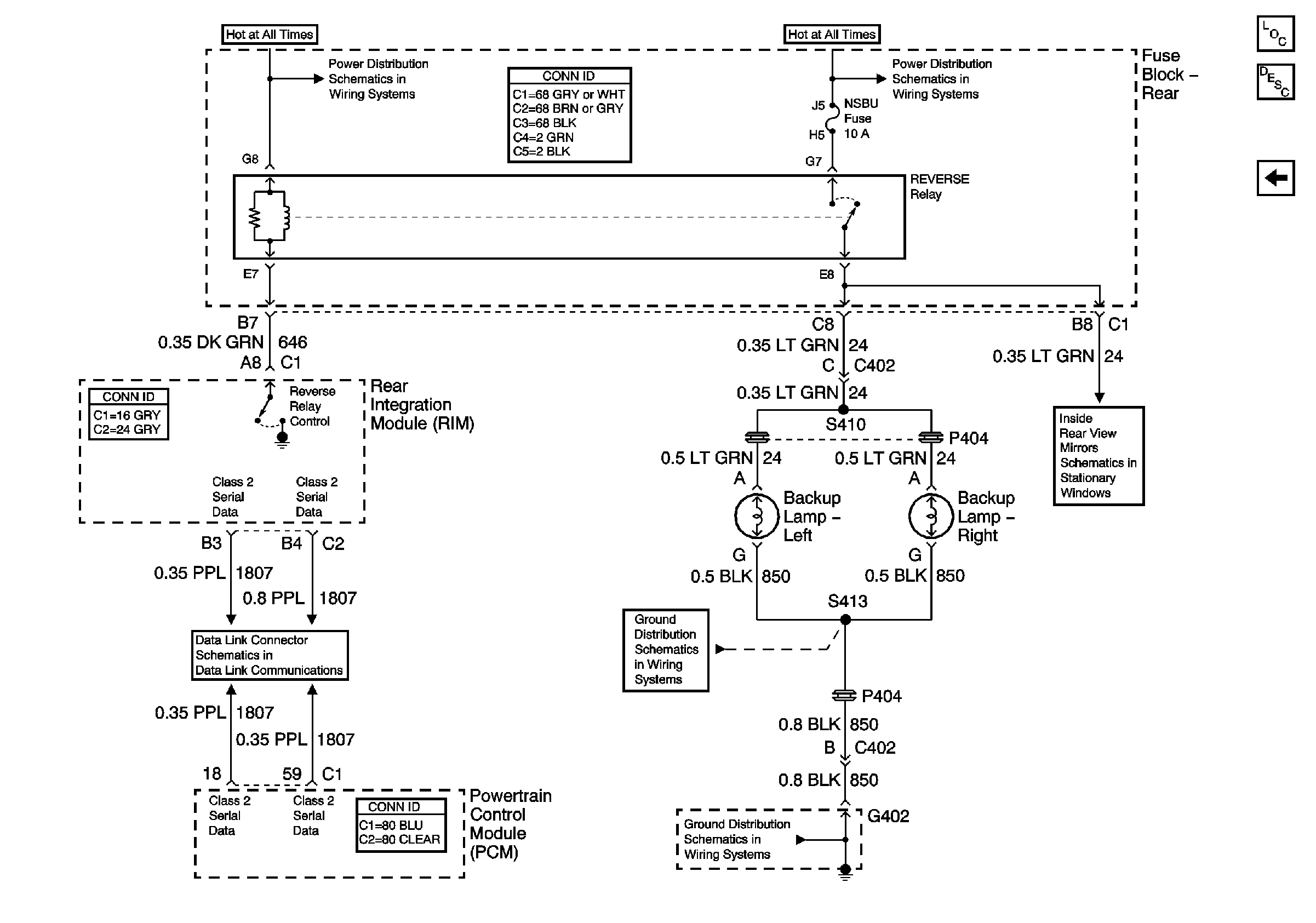
Backup Lights
Lighting Systems Component Views
Exterior Lighting Systems Description and Operation
Park Lamp and Class 2
Dimming Control
Hazard Switch
G402 (2 of 2)
G402 (2 of 2)
G101 and G105
G401 (3 of 3)
G401 (3 of 3)
Figure 7:

Backup Lights


Object Number: 642258  Size: FS
License, Underhood, and Cornering Lamps
Lighting Systems Component Views
Exterior Lighting Systems Description and Operation
Battery Feeds
Battery Feeds
Class 2 Serial Data Line (LH Drive) (1 of 2)
Rear Object Sensor Control Module Power and Ground
Inside Rearview Mirror Power and Ground
G402 (2 of 2)
G402 (2 of 2)

Exterior Lights Schematics Export

Figure 1:

Park Lamp and Class 2


Object Number: 642250  Size: FS
Hazard Switch
Lighting Systems Component Views
Exterior Lighting Systems Description and Operation
Position Lamps
Class 2 Serial Data Line (LH Drive) (1 of 2)
G200
G200
Figure 2:

Hazard Switch


Object Number: 642251  Size: FS
Park Lamp and Class 2
Stoplamp Switches
Lighting Systems Component Views
Exterior Lighting Systems Description and Operation
Battery Feeds
Battery Feeds
License, Underhood, and Cornering Lamps
G201 (2 of 3)
Left Exterior Lamps
Right Exterior Lamps
G201 (2 of 3)
Figure 3:

Stoplamp Switches


Object Number: 642252  Size: FS
Hazard Switch
Right Exterior Lamps
Lighting Systems Component Views
Exterior Lighting Systems Description and Operation
Battery Feeds
G402 (1 of 2)
G401 (1 of 3)
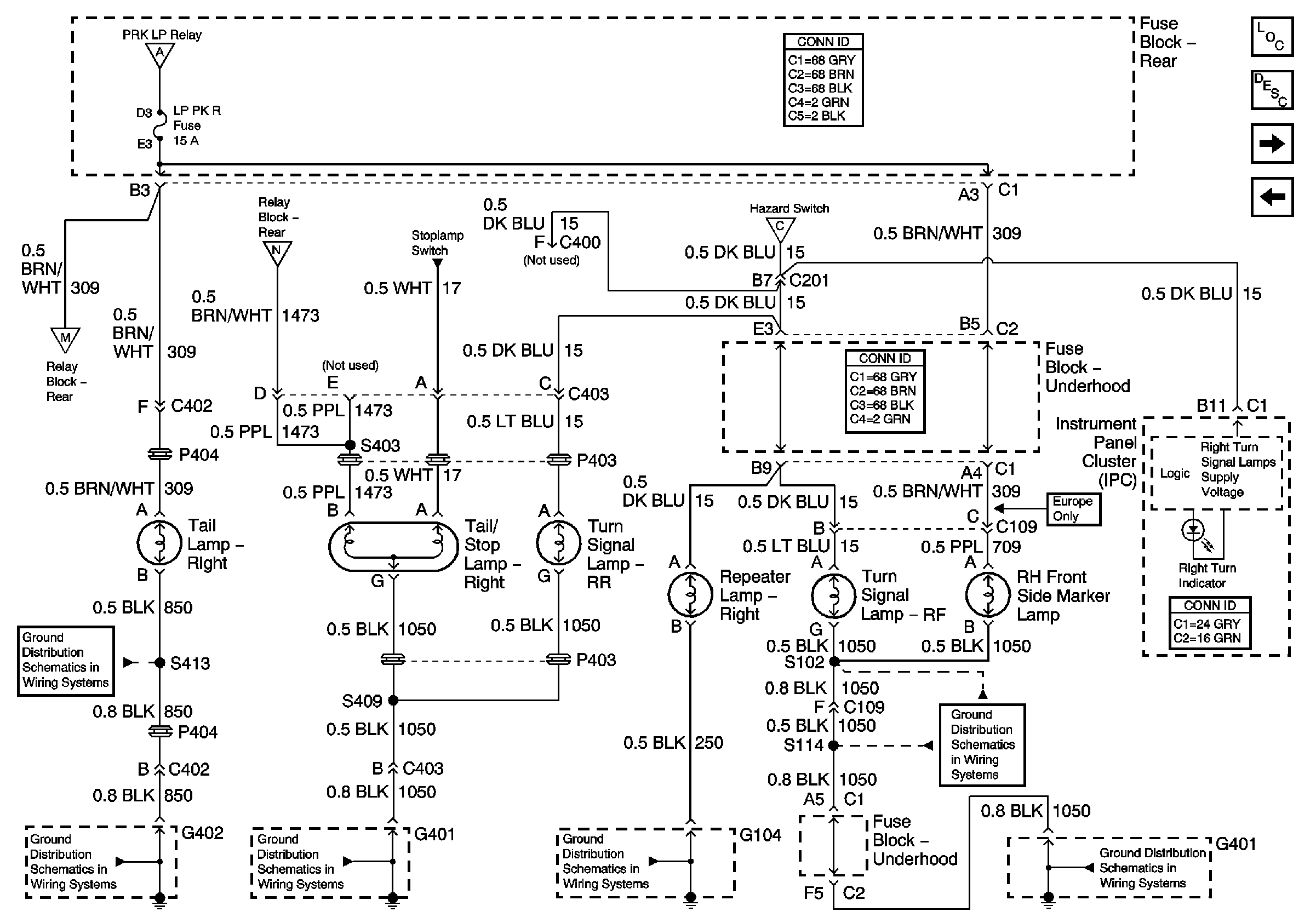
Figure 4:

Right Exterior Lamps


Object Number: 642253  Size: FS
Stoplamp Switches
Left Exterior Lamps
Lighting Systems Component Views
Exterior Lighting Systems Description and Operation
Park Lamp and Class 2
Position Lamps
Position Lamps
Hazard Switch
G402 (2 of 2)
G402 (2 of 2)
G401 (1 of 3)
G104
G401 (3 of 3)
G401 (3 of 3)
Figure 5:

Left Exterior Lamps


Object Number: 642254  Size: FS
Right Exterior Lamps
Position Lamps
Lighting Systems Component Views
Exterior Lighting Systems Description and Operation
Park Lamp and Class 2
Position Lamps
Position Lamps
Hazard Switch
G402 (2 of 2)
G402 (2 of 2)
G104
G401 (3 of 3)
G401 (3 of 3)
Figure 6:

Position Lamps


Object Number: 642255  Size: FS
Left Exterior Lamps
License, Underhood, and Cornering Lamps
Lighting Systems Component Views
Exterior Lighting Systems Description and Operation
Battery Feeds
RAP and EXPORT LGT Fuses
Park Lamp and Class 2
Right Exterior Lamps
Park Lamp and Class 2
Left Exterior Lamps
Right Exterior Lamps
Left Exterior Lamps
G401 (3 of 3)
G401 (3 of 3)
Figure 7:

License, Underhood, and Cornering Lamps


Object Number: 642256  Size: FS
Position Lamps
Backup Lights
Lighting Systems Component Views
Exterior Lighting Systems Description and Operation
Park Lamp and Class 2
Hazard Switch
G402 (2 of 2)
G101 and G105
G401 (3 of 3)
G401 (3 of 3)
Figure 8:

Backup Lights


Object Number: 751555  Size: FS
Lighting Systems Component Views
Exterior Lighting Systems Description and Operation
License, Underhood, and Cornering Lamps
Battery Feeds
Battery Feeds
Class 2 Serial Data Line (LH Drive) (1 of 2)
Inside Rearview Mirror Power and Ground
G402 (2 of 2)
G402 (2 of 2)