GM Service Manual Online
For 1990-2009 cars only
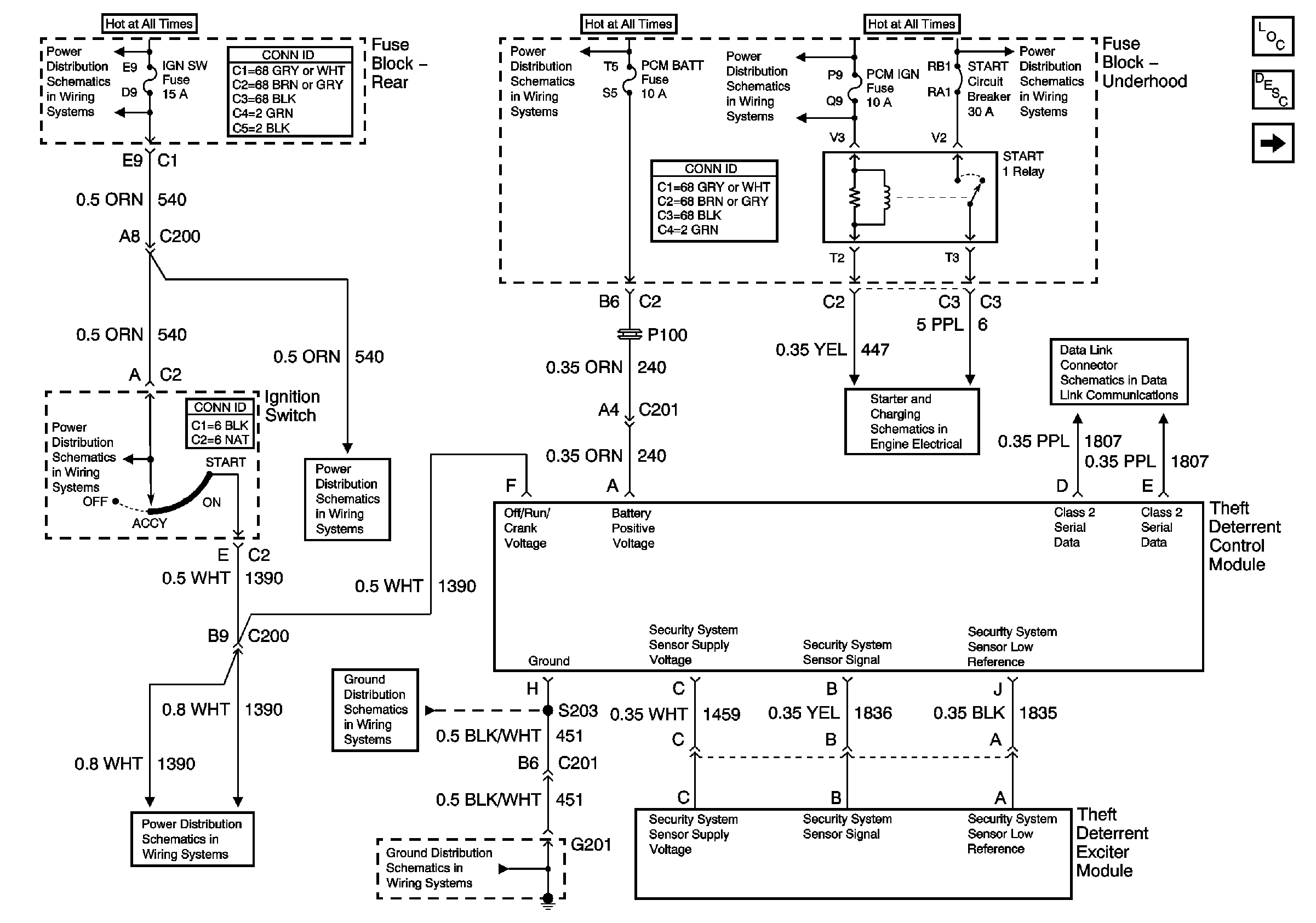
Figure 1:

Power and Ground PASS-Key LHD


Object Number: 642347  Size: FS
Power and Ground PASS-Key RHD
Theft Deterrent System Component Views
Battery Feeds
Power to Underhood Fuse Block
Power to Underhood Fuse Block
Power to Underhood Fuse Block
Ignition Switch
Ignition Switch
Ignition Switch
G201 (1 of 3)
G201 (1 of 3)
Starting Controls
Class 2 Serial Data Line (LH Drive) (1 of 2)
Figure 2:

Power and Ground PASS-Key RHD


Object Number: 642348  Size: FS
Power and Ground PASS-Key LHD
Power Door Serial Data and Door Lock Actuator Inputs
Theft Deterrent System Component Views
Battery Feeds
Power to Underhood Fuse Block
Power to Underhood Fuse Block
Power to Underhood Fuse Block
Ignition Switch
Ignition Switch
G201 (1 of 3)
G201 (1 of 3)
Starting Controls
Class 2 Serial Data Line (RH Drive) (2 of 2)
Figure 3:

Power Door Serial Data and Door Lock Actuator Inputs


Object Number: 642349  Size: FS
Power and Ground PASS-Key RHD
Class 2 and Tamper Switches
Theft Deterrent System Component Views
Figure 4:

Class 2 and Tamper Switches


Object Number: 642350  Size: FS
Power Door Serial Data and Door Lock Actuator Inputs
Theft Deterrent System Component Views
Class 2 Serial Data Line (LH Drive) (1 of 2)
Power and Ground
G402 (1 of 2)
G104