GM Service Manual Online
For 1990-2009 cars only
Makes
🢒
Cadillac
🢒
2001
🢒
Seville - RHD
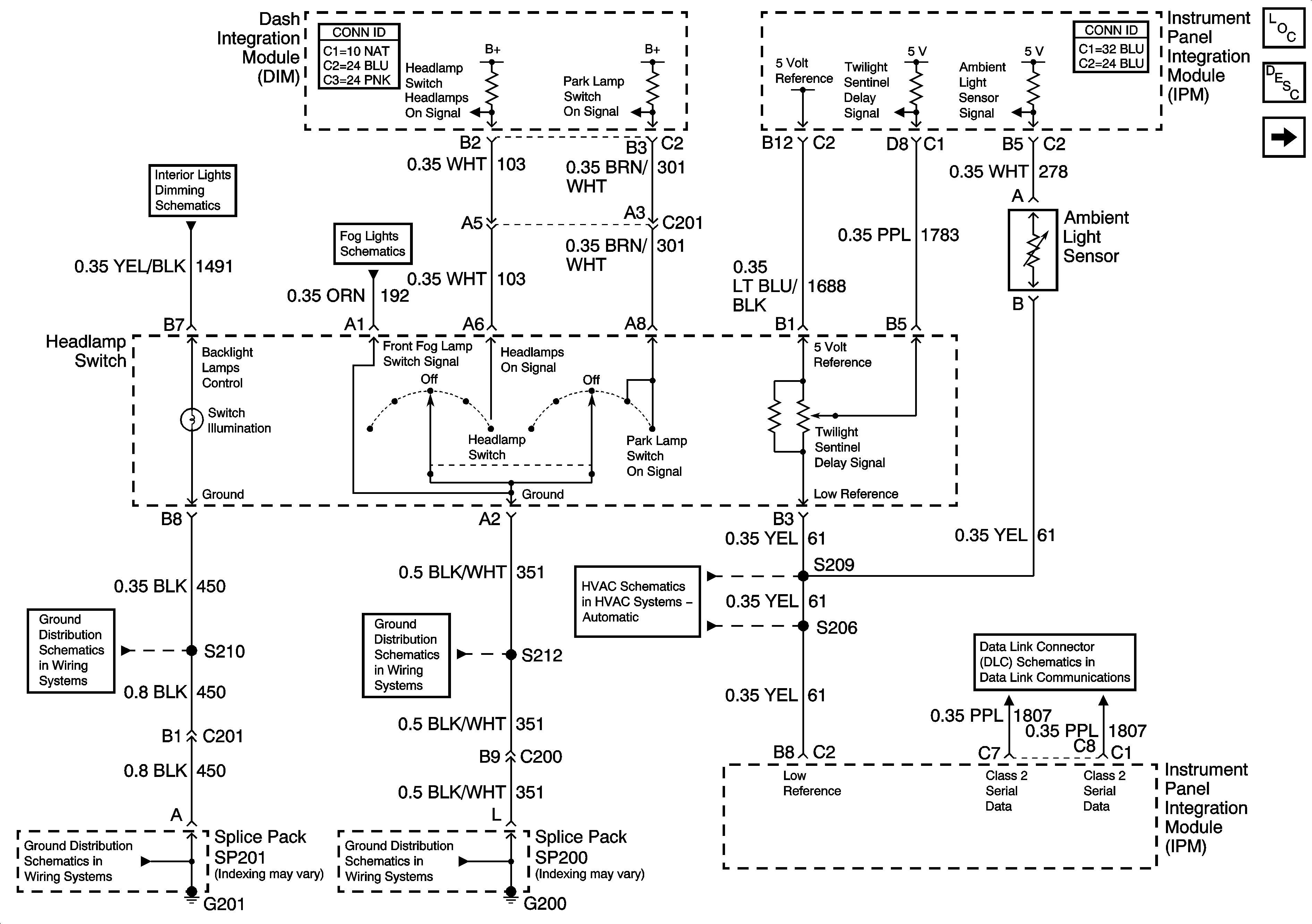
🢒 Headlamp Switch Power and Ground
Headlamp Switch Power and Ground
Headlamp Switch Power and Ground
Master Electrical Component List
Exterior Lighting Systems Description and Operation
Low Beam Headlamps (Generation 2.5)
Class 2 Serial Data Line (LH Drive) (1 of 2)
Temperature Sensors - LH Drive
G200
G200
G201 2 of 3
G201 2 of 3
DIC and Headlamp Switch
Front Fog Lamps