GM Service Manual Online
For 1990-2009 cars only
Figure 1:

DLC, Ground, MIL, and Power


Object Number: 977770  Size: FS
Master Electrical Component List
Engine Control Module Description
12 Volt and 5 Volt Reference Bussing
Engine Controls Schematic Icons
BCM Fuses; A.C.LATCH/PK BRK B, CLUSTER, DOOR LOCKS, HVAC/PWR SND, INTERIOR LIGHTS, ISRVM/HVAC, and TUTD SW/STRG COL SW
Fuse Block-Underhood Fuses; ABS, AMP, BATT2, COOLFAN, ECM/TCM, HORN, HVAC, and MRRTD
BCM Fuses; ECM, GMLAN DEVICES, RPA / H/C SEAT, and SDM/PSIR SW, Fuse Block-Underhood Fuses; ABS/MRRTD, and ACC/TCM
Fuse Block-Underhood Bussing
Fuse Block-Underhood Bussing
DLC, Ground and Power
BCM Fuses; ECM, GMLAN DEVICES, RPA / H/C SEAT, and SDM/PSIR SW, Fuse Block-Underhood Fuses; ABS/MRRTD, and ACC/TCM
DLC, Ground and Power
Class 2
GMLAN
Fuse Block-Underhood Fuses; ABS, AMP, BATT2, COOLFAN, ECM/TCM, HORN, HVAC, and MRRTD
DLC, Ground and Power
Figure 2:

12-Volt and 5-Volt Reference Bussing


Object Number: 977787  Size: FS
Master Electrical Component List
Engine Control Module Description
Low Reference Bussing
DLC, Ground, MIL, and Power
Engine Controls Schematic Icons
Figure 3:

Low Reference Bussing


Object Number: 977802  Size: FS
Master Electrical Component List
Engine Control Module Description
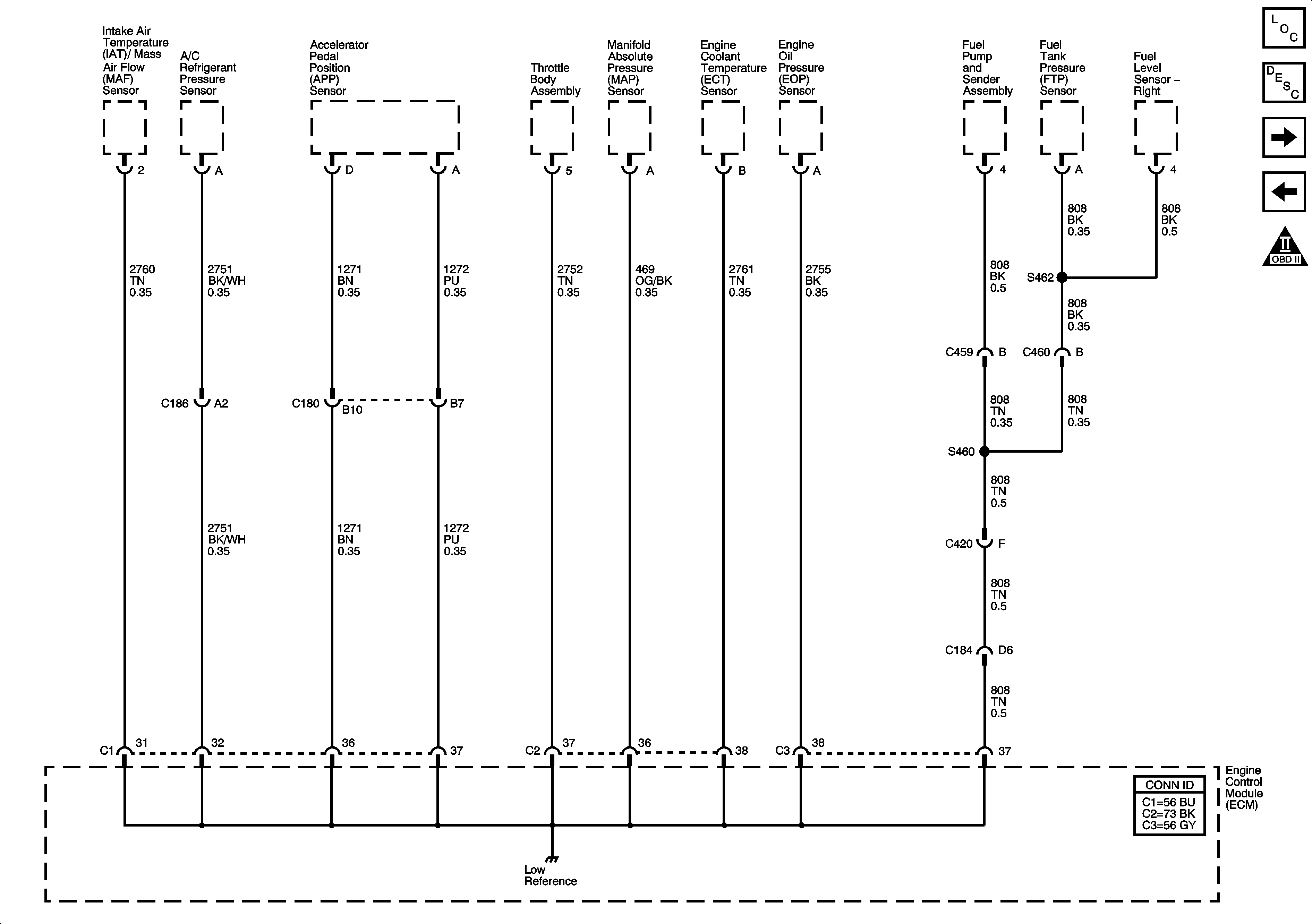
Engine Data Sensors-Pressure Temperature, MAF, VSS, and Brake Travel
12 Volt and 5 Volt Reference Bussing
Engine Controls Schematic Icons
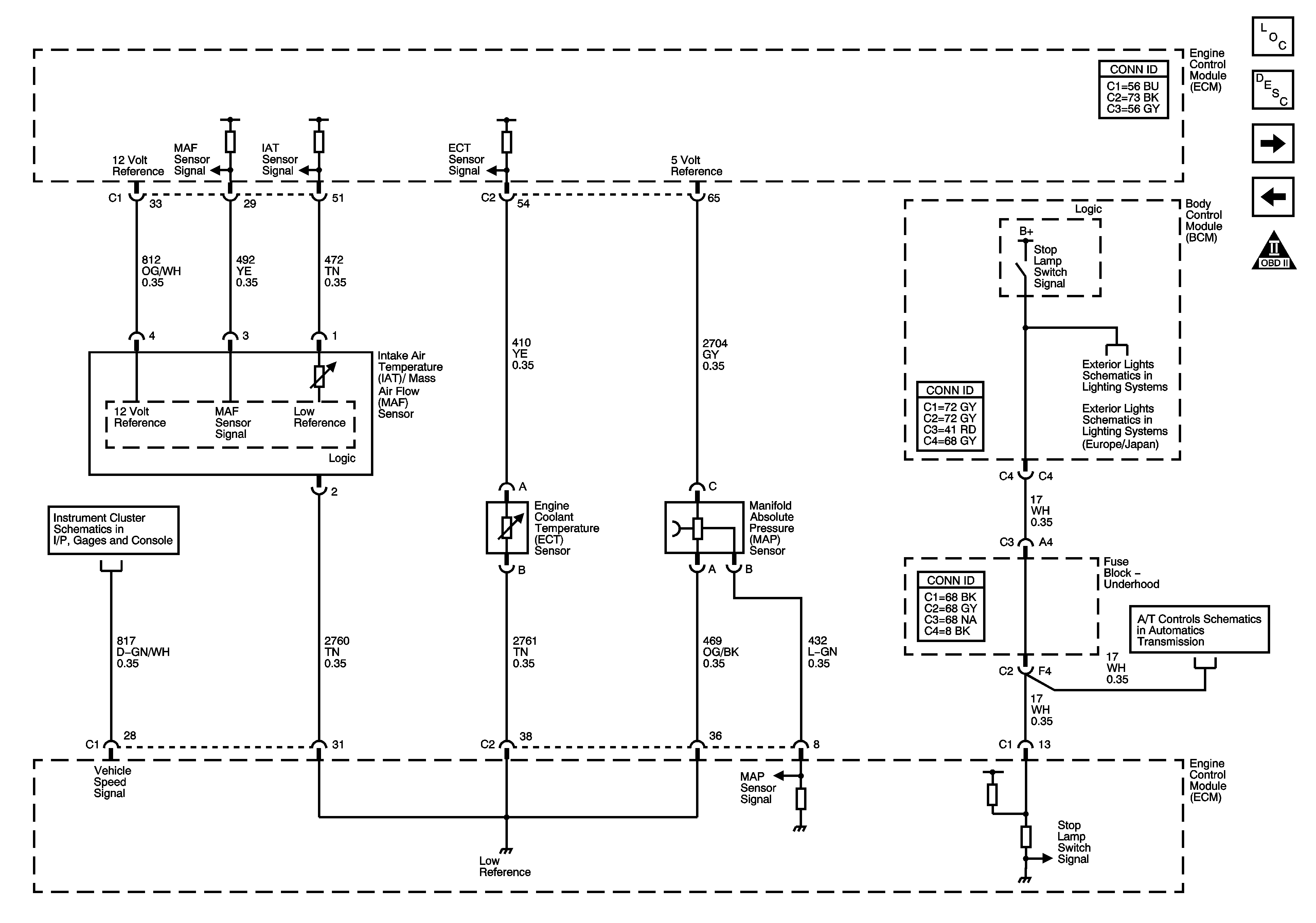
Figure 4:

Engine Data Sensors-Pressure, Temperature, MAF, VSS, and Brake Travel


Object Number: 977808  Size: FS
Master Electrical Component List
Air Intake System Description
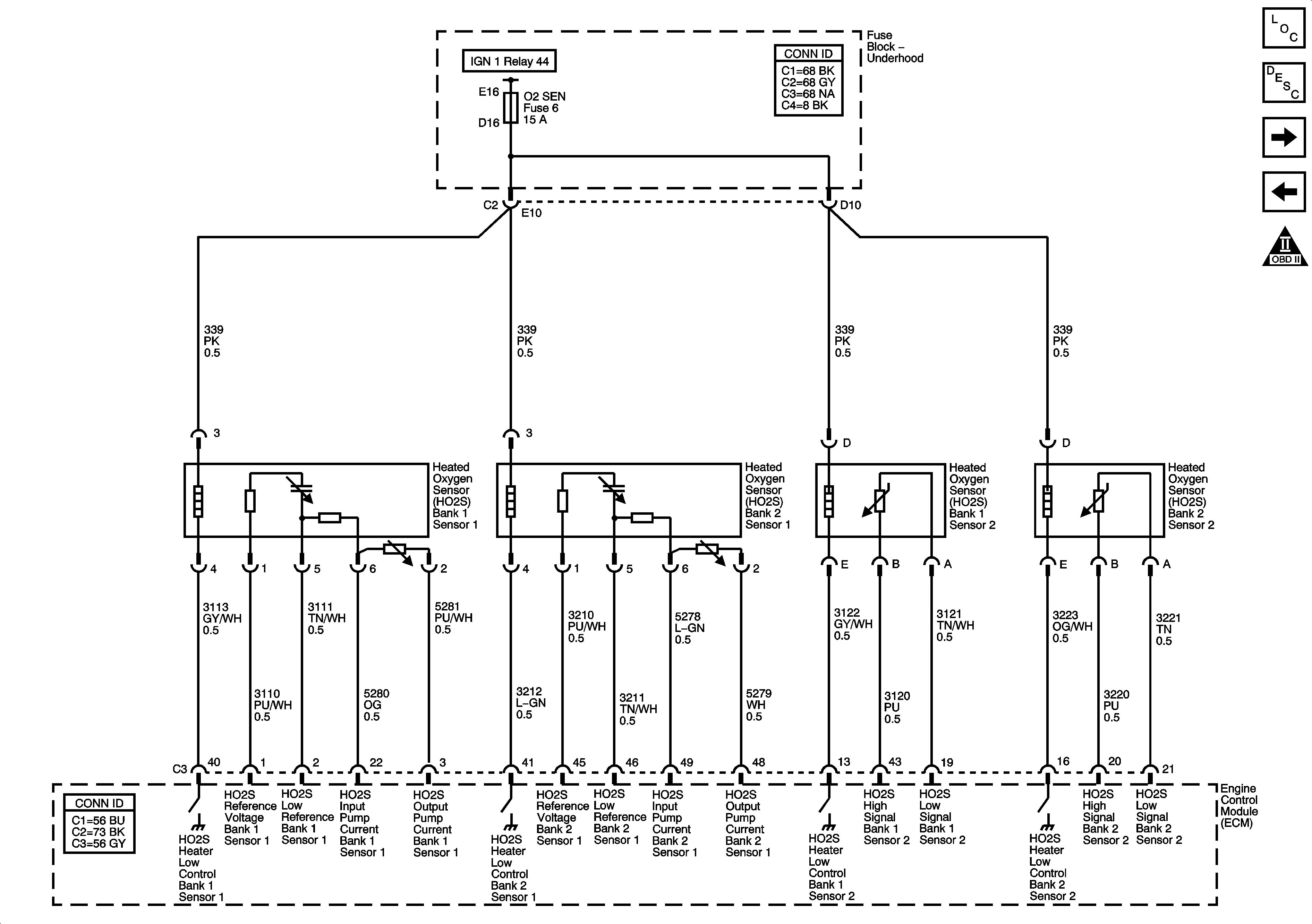
Oxygen Sensors
Low Reference Bussing
Engine Controls Schematic Icons
Gages
Stoplamps
Stoplamps
Shift Lever
Figure 5:

Engine Data Sensors-Oxygen Sensors


Object Number: 979078  Size: FS
Master Electrical Component List
Engine Control Module Description
Electronic Throttle Controls
Engine Data Sensors-Pressure Temperature, MAF, VSS, and Brake Travel
Engine Controls Schematic Icons
Figure 6:

Engine Data Sensors-Electronic Throttle Controls


Object Number: 979098  Size: FS
Master Electrical Component List
Throttle Actuator Control (TAC) System Description
Ignition System-Bank 1
Oxygen Sensors
Engine Controls Schematic Icons
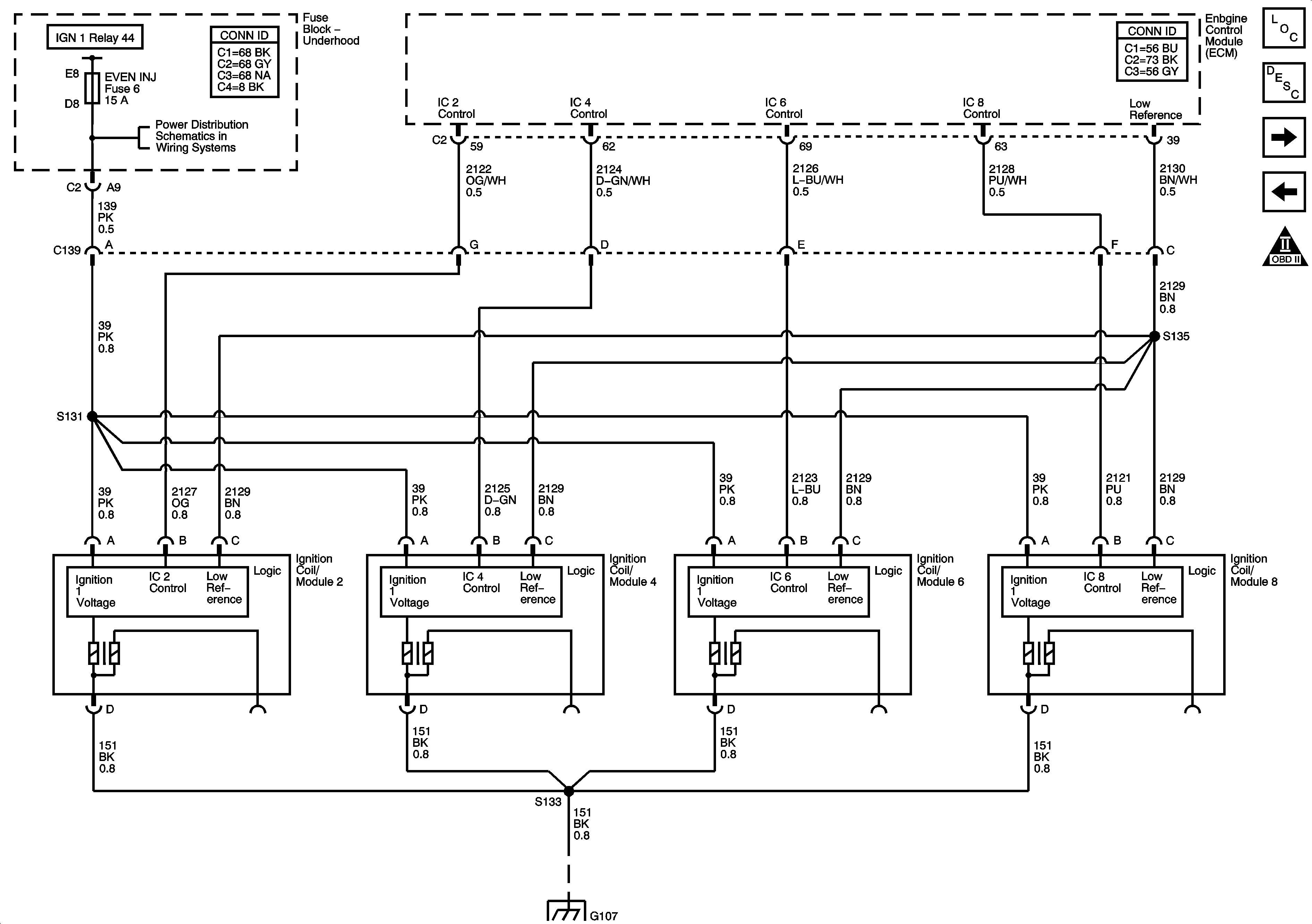
Figure 7:

Ignition System-Bank 1


Object Number: 979122  Size: FS
Master Electrical Component List
Electronic Ignition (EI) System Description
Ignition System-Bank 2
Electronic Throttle Controls
Engine Controls Schematic Icons
Fuse Block-Underhood Bussing
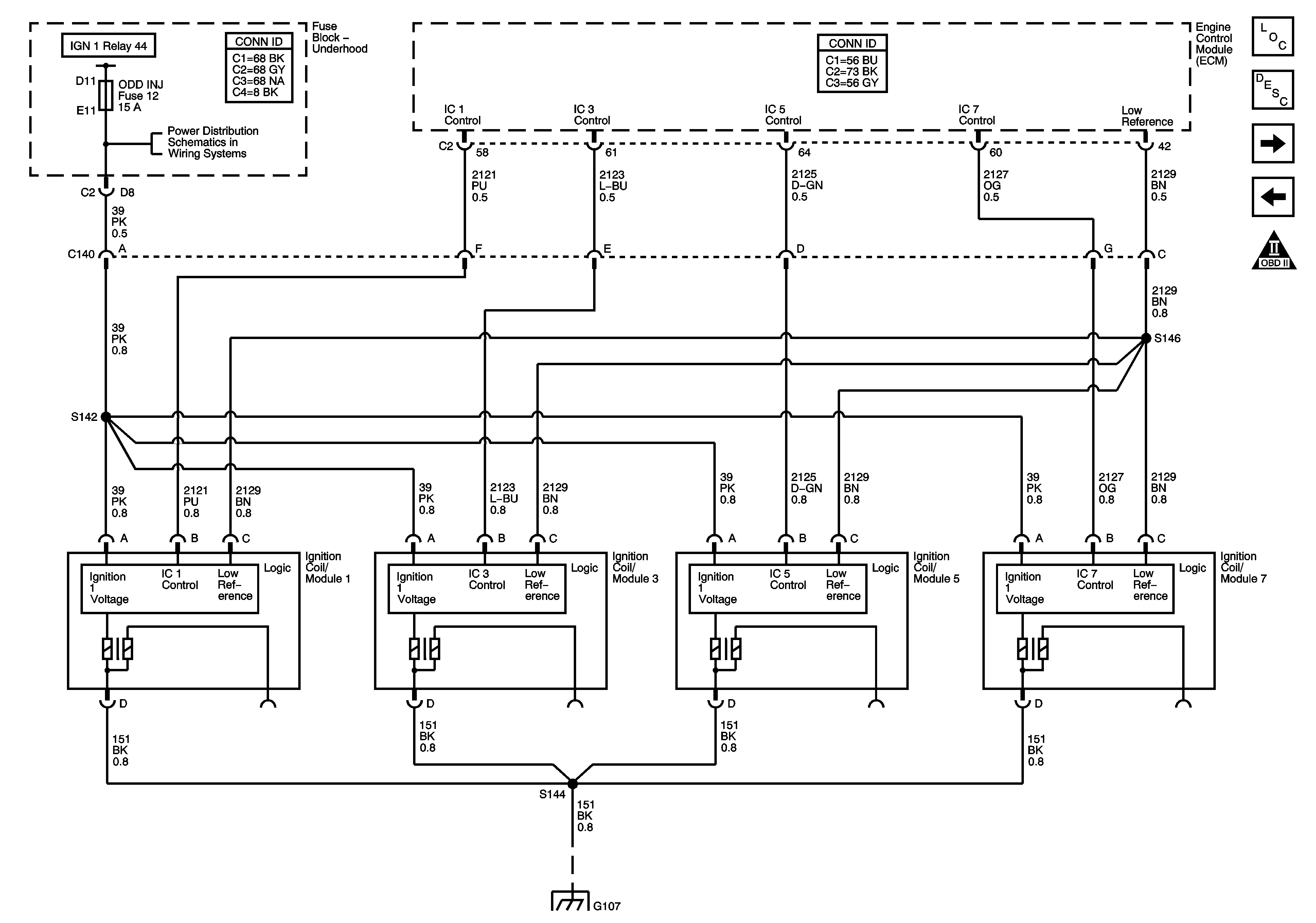
Figure 8:

Ignition System-Bank 2


Object Number: 979125  Size: FS
Master Electrical Component List
Electronic Ignition (EI) System Description
Ignition Controls-CKP and KS Sensors
Ignition System-Bank 1
Engine Controls Schematic Icons
Fuse Block-Underhood Bussing
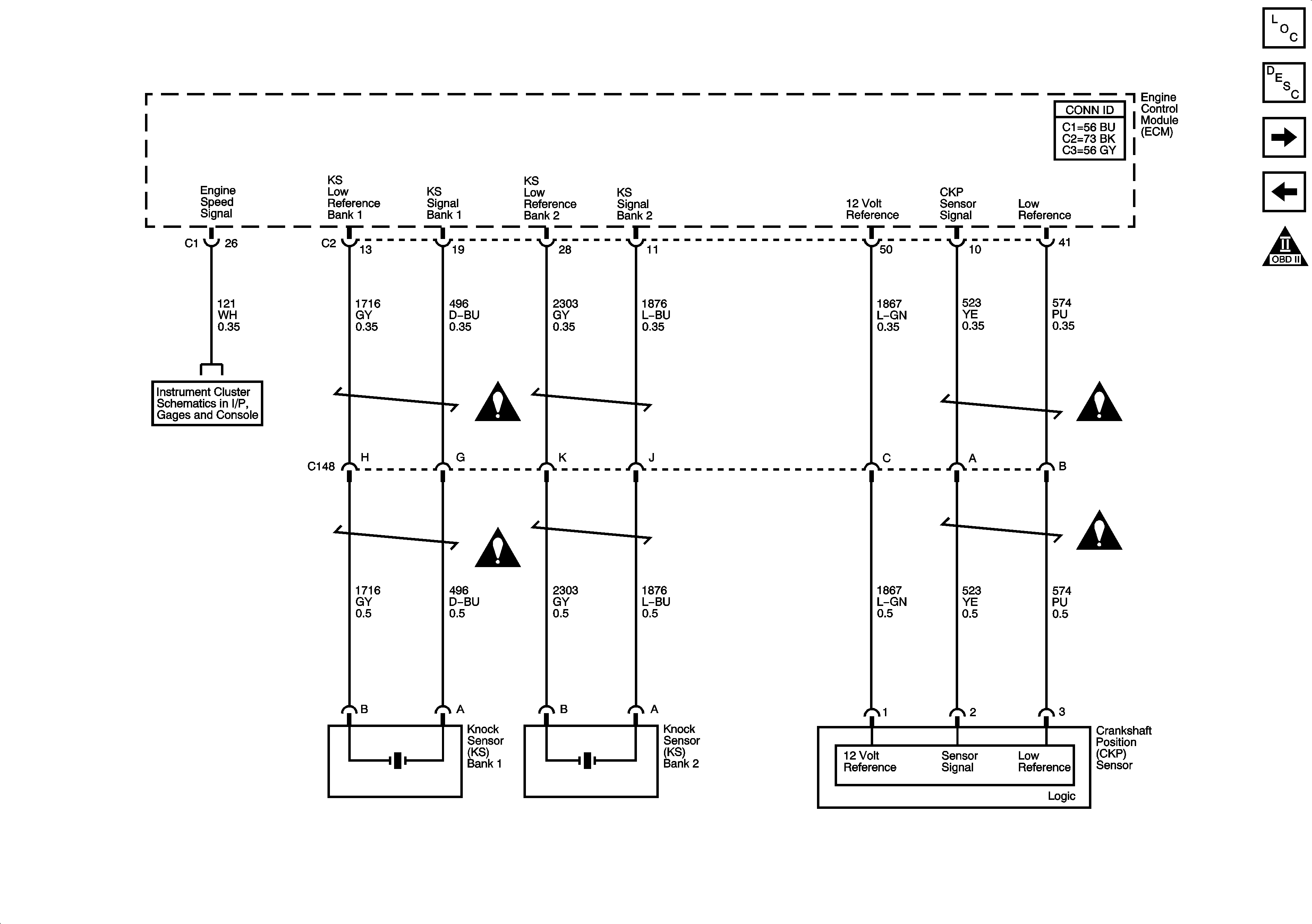
Figure 9:

Ignition Controls-CKP and KS Sensors


Object Number: 979128  Size: FS
Master Electrical Component List
Knock Sensor (KS) System Description
CMP Sensors and Solenoids
Ignition System-Bank 2
Engine Controls Schematic Icons
Engine Controls Schematic Icons
Engine Controls Schematic Icons
Engine Controls Schematic Icons
Engine Controls Schematic Icons
Gages
Figure 10:

Ignition Controls-CMP Sensors and Solenoids


Object Number: 979158  Size: FS
Master Electrical Component List
Camshaft Actuator System Description
Fuel Controls-Fuel Injectors and Fuel Pump Controls
Ignition Controls-CKP and KS Sensors
Engine Controls Schematic Icons
Figure 11:

Fuel Controls-Fuel Injectors and Fuel Pump Controls


Object Number: 979161  Size: FS
Master Electrical Component List
Fuel System Description
EVAP Controls
CMP Sensors and Solenoids
Engine Controls Schematic Icons
Fuse Block-Underhood Bussing
Gages
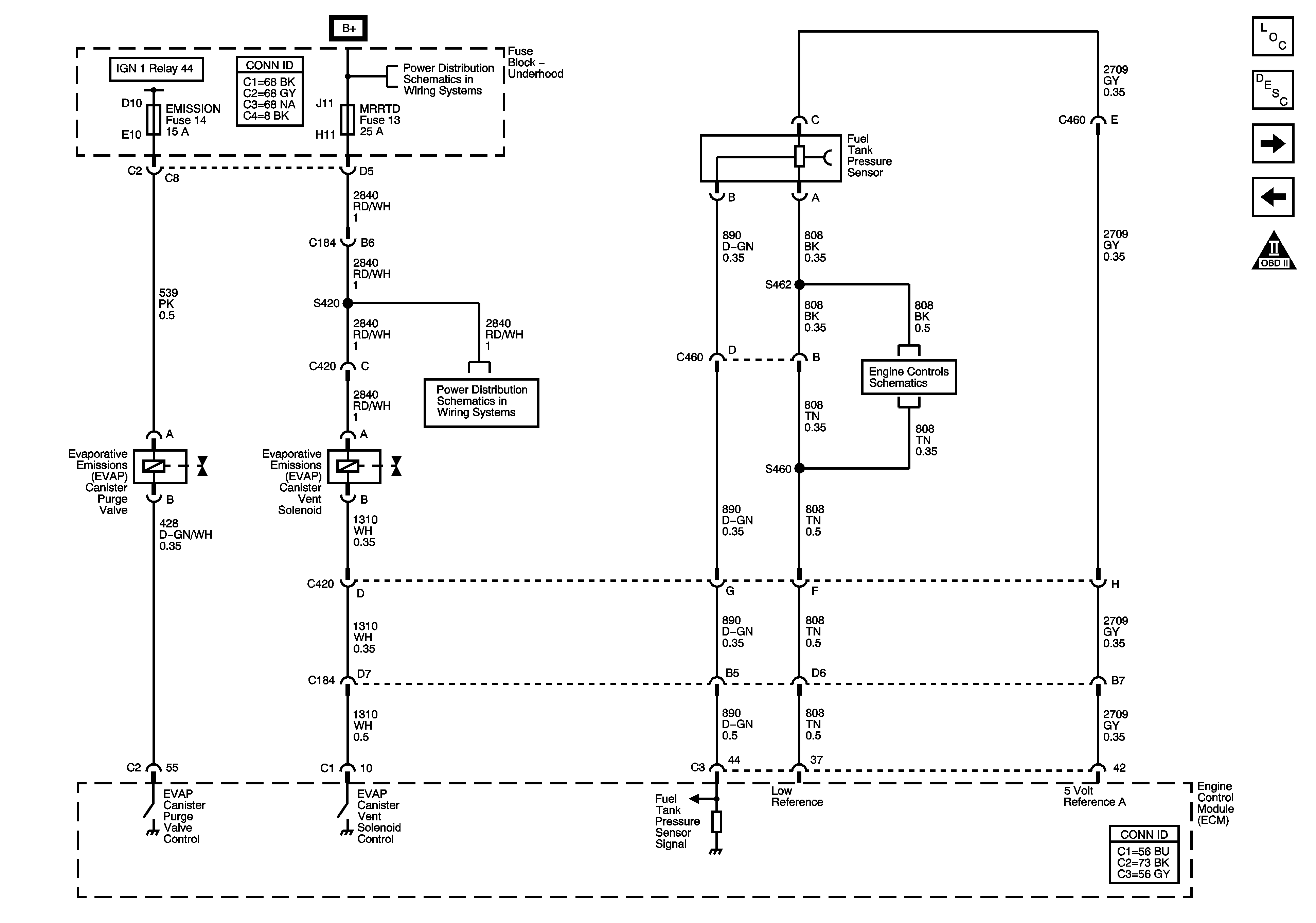
Figure 12:

Fuel Controls-EVAP Controls


Object Number: 979168  Size: FS
Master Electrical Component List
Evaporative Emission Control System Description
Controlled/Monitored Subsystem References
Fuel Controls-Fuel Injectors and Fuel Pump Controls
Engine Controls Schematic Icons
Fuse Block-Underhood Bussing
Fuse Block-Underhood Bussing
Low Reference Bussing
Figure 13:

Controlled/Monitored Subsystem References


Object Number: 979180  Size: FS
Master Electrical Component List
Engine Control Module Description
EVAP Controls
Engine Controls Schematic Icons
Charging
Cranking
Compressor Controls
Engine Cooling Schematics
Messages
Gages