GM Service Manual Online
For 1990-2009 cars only
Figure 1:

DLC, Ground, MIL, and Power


Object Number: 1480622  Size: FS
Master Electrical Component List
Engine Control Module Description
Control Module References
12-Volt and 5-Volt Reference Bussing
OBD II Symbol Description Notice
BCM Fuses - AC LATCH/PK BRK B, CLUSTER, DOOR LOCKS, HVAC/PWR SND, INTERIOR LIGHTS, ISRVM/HVAC, and TUTD SW/STRG COL SW
Fuse Block Underhood Fuses - ABS, AMP, BATT2, COOL FAN, ECM/TCM/ HORN, HVAC and MRRTD
BCM Fuses - ECM. GMLAN Devices, RPA/H/C SEAT and SDM/PSIR SW, Fuse Block Underhood Fuses - ABS/MRRTD, and ACC/TCM
Fuse Block - Underhood Bussing
Fuse Block - Underhood Bussing
DLC, Ground and Power
BCM Fuses - ECM. GMLAN Devices, RPA/H/C SEAT and SDM/PSIR SW, Fuse Block Underhood Fuses - ABS/MRRTD, and ACC/TCM
DLC, Ground and Power
DLC - Class 2
GMLAN
Fuse Block Underhood Fuses - ABS, AMP, BATT2, COOL FAN, ECM/TCM/ HORN, HVAC and MRRTD
DLC, Ground and Power
G104 and G106
Figure 2:

12-Volt and 5-Volt Reference Bussing


Object Number: 1480624  Size: FS
Master Electrical Component List
Engine Control Module Description
Control Module References
Low Reference Bussing
DLC, Ground, MIL and Power
OBD II Symbol Description Notice
Figure 3:

Low Reference Bussing


Object Number: 1480627  Size: FS
Master Electrical Component List
Engine Control Module Description
Control Module References
Engine Data Sensors - Pressure, Temperature, MAF, VSS and Brake Travel
12-Volt and 5-Volt Reference Bussing
OBD II Symbol Description Notice
Figure 4:

Engine Data Sensors - Pressure, Temperature, MAF, VSS, and Brake Travel


Object Number: 1480629  Size: FS
Master Electrical Component List
Air Intake System Description
Control Module References
Engine Data Sensors - Oxygen Sensors
Low Reference Bussing
OBD II Symbol Description Notice
Gages
Stop Lamps - Europe and Japan
Shift Lever
Figure 5:

Engine Data Sensors - Oxygen Sensors


Object Number: 1480633  Size: FS
Master Electrical Component List
Engine Control Module Description
Control Module References
Engine Data Sensors - Electronic Throttle Controls
Engine Data Sensors - Pressure, Temperature, MAF, VSS and Brake Travel
OBD II Symbol Description Notice
Figure 6:

Engine Data Sensors - Electronic Throttle Controls


Object Number: 1480635  Size: FS
Master Electrical Component List
Throttle Actuator Control (TAC) System Description
Control Module References
Ignition System - Bank 1
Engine Data Sensors - Oxygen Sensors
OBD II Symbol Description Notice
Figure 7:

Ignition System - Bank 1


Object Number: 1480638  Size: FS
Master Electrical Component List
Electronic Ignition (EI) System Description
Control Module References
Ignition System - Bank 2
Engine Data Sensors - Electronic Throttle Controls
OBD II Symbol Description Notice
Fuse Block Underhood Fuses - EMISSION, ETC, EVEN INJ, FUEL, O2SEN, and ODD INJ
G105 and G107
Figure 8:

Ignition System - Bank 2


Object Number: 1480641  Size: FS
Master Electrical Component List
Electronic Ignition (EI) System Description
Control Module References
Ignition Controls - CKP and KS Sensors
Ignition System - Bank 1
OBD II Symbol Description Notice
Fuse Block Underhood Fuses - EMISSION, ETC, EVEN INJ, FUEL, O2SEN, and ODD INJ
G105 and G107
Figure 9:

Ignition Controls - CKP and KS Sensors


Object Number: 1480642  Size: FS
Master Electrical Component List
Knock Sensor (KS) System Description
Control Module References
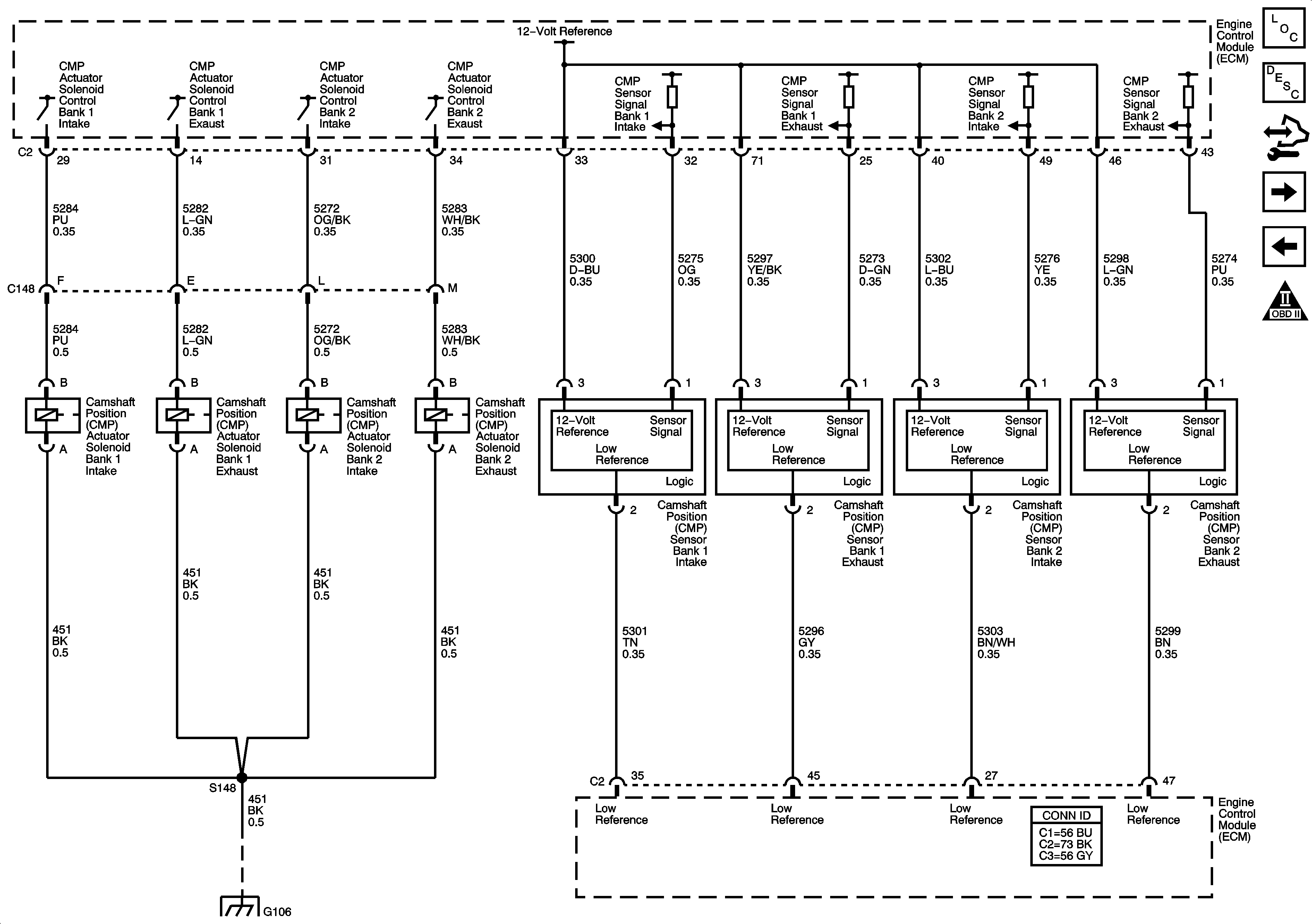
Ignition Controls - CMP Sensors and Controls
Ignition System - Bank 2
OBD II Symbol Description Notice
Gages
Engine Controls Schematic Icons
Engine Controls Schematic Icons
Engine Controls Schematic Icons
Engine Controls Schematic Icons
Figure 10:

Ignition Controls - CMP Sensors and Solenoids


Object Number: 1480644  Size: FS
Master Electrical Component List
Electronic Ignition (EI) System Description
Control Module References
Fuel Controls - Fuel Injectors and Fuel Pump Controls
Ignition Controls - CKP and KS Sensors
OBD II Symbol Description Notice
G104 and G106
Figure 11:

Fuel Controls - Fuel Injectors and Fuel Pump Controls


Object Number: 1480645  Size: FS
Master Electrical Component List
Fuel System Description
Control Module References
Fuel Controls - EVAP Controls
Ignition Controls - CMP Sensors and Controls
OBD II Symbol Description Notice
Fuse Block Underhood Fuses - EMISSION, ETC, EVEN INJ, FUEL, O2SEN, and ODD INJ
Gages
G302, G401 and G402
Figure 12:

Fuel Controls - EVAP Controls


Object Number: 1480647  Size: FS
Master Electrical Component List
Evaporative Emission Control System Description
Control Module References
Controlled/Monitored Subsystem References
Fuel Controls - Fuel Injectors and Fuel Pump Controls
OBD II Symbol Description Notice
Fuse Block - Underhood Bussing
Fuse Block Underhood Fuses - ABS, AMP, BATT2, COOL FAN, ECM/TCM/ HORN, HVAC and MRRTD
Low Reference Bussing
Figure 13:

Controlled/Monitored Subsystem References


Object Number: 1480649  Size: FS
Master Electrical Component List
Engine Control Module Description
Control Module References
Fuel Controls - EVAP Controls
OBD II Symbol Description Notice
Charging
Cranking
Compressor Controls
Early Production
Messages
Gages