GM Service Manual Online
For 1990-2009 cars only
Figure 1:

Park Lamp Control, Side Marker, Park and Position Lamps


Object Number: 1480729  Size: FS
Master Electrical Component List
Exterior Lighting Systems Description and Operation
Control Module References
Rear Park Lamps and License Lamps
Fuse Block - Underhood Bussing
Ground, Indicator, Power, Sensors and Switches
DLC, Ground, Indicators and Power
Rear Park Lamps and License Lamps
Rear Park Lamps and License Lamps
Rear Park Lamps and License Lamps
Headlamp/DRL Controls
G201
G201
G101
G102
Figure 2:

Rear Park Lamps and License Lamps


Object Number: 1480730  Size: FS
Master Electrical Component List
Exterior Lighting Systems Description and Operation
Control Module References
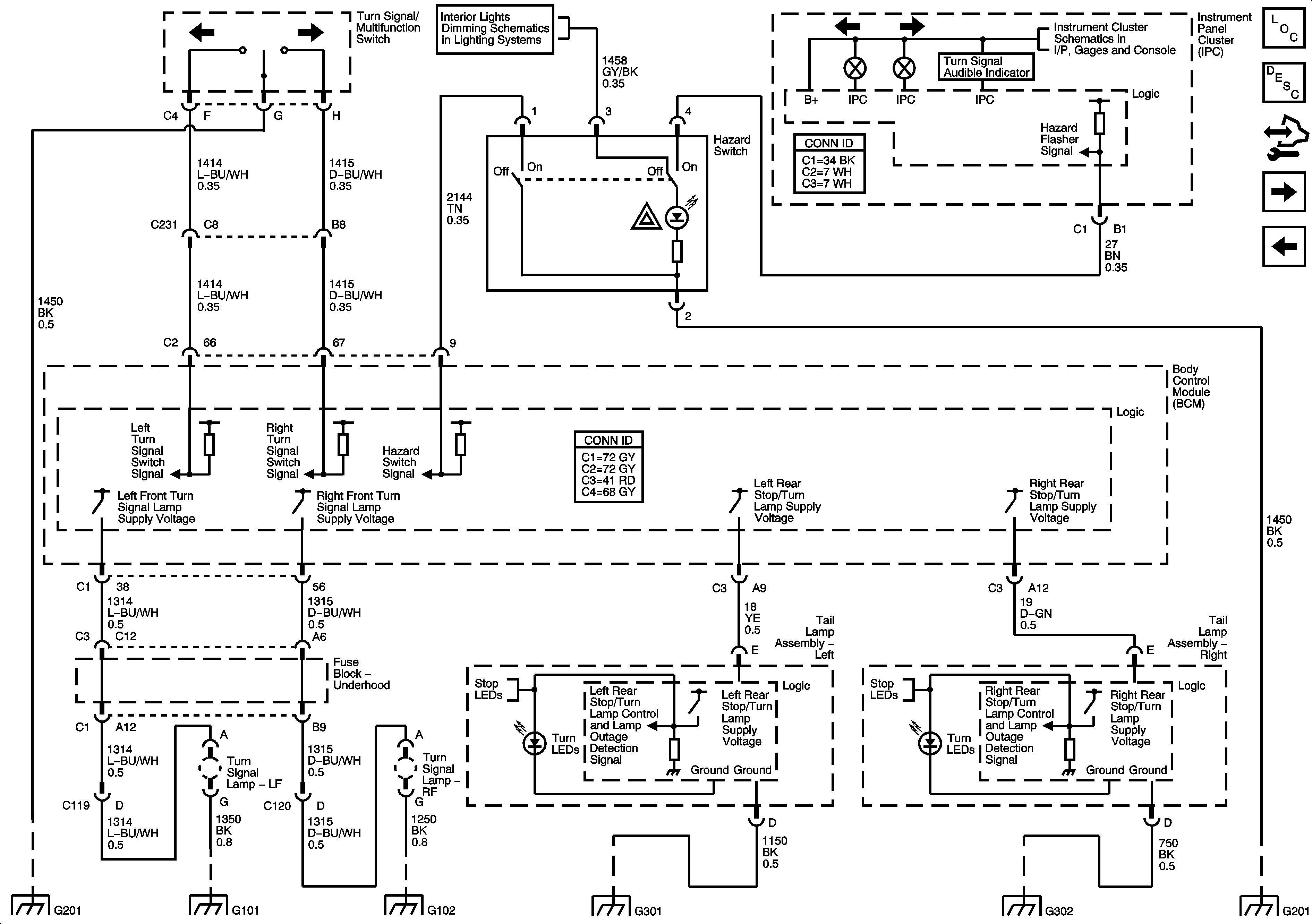
Turn Signal and Hazard Lamps - Europe and Japan
Park Lamp Control, Side Marker, Park and Position Lamps
Park Lamp Control, Side Marker, Park and Position Lamps
Park Lamp Control, Side Marker, Park and Position Lamps
Park Lamp Control, Side Marker, Park and Position Lamps
G301
G302, G401 and G402
G301
Figure 3:

Turn Signal and Hazard Lamps - Except Europe and Japan


Object Number: 1633590  Size: FS
Figure 4:

Turn Signal and Hazard Lamps - Europe and Japan


Object Number: 1480731  Size: FS
Master Electrical Component List
Exterior Lighting Systems Description and Operation
Control Module References
Stop Lamps - Europe and Japan
Rear Park Lamps and License Lamps
DLC, HVAC Control Module, Radio and Switches
DLC, Ground, Indicators and Power
G201
G101
G102
G301
G302, G401 and G402
G201
Figure 5:

Stop Lamps - Except Europe and Japan


Object Number: 1633592  Size: FS
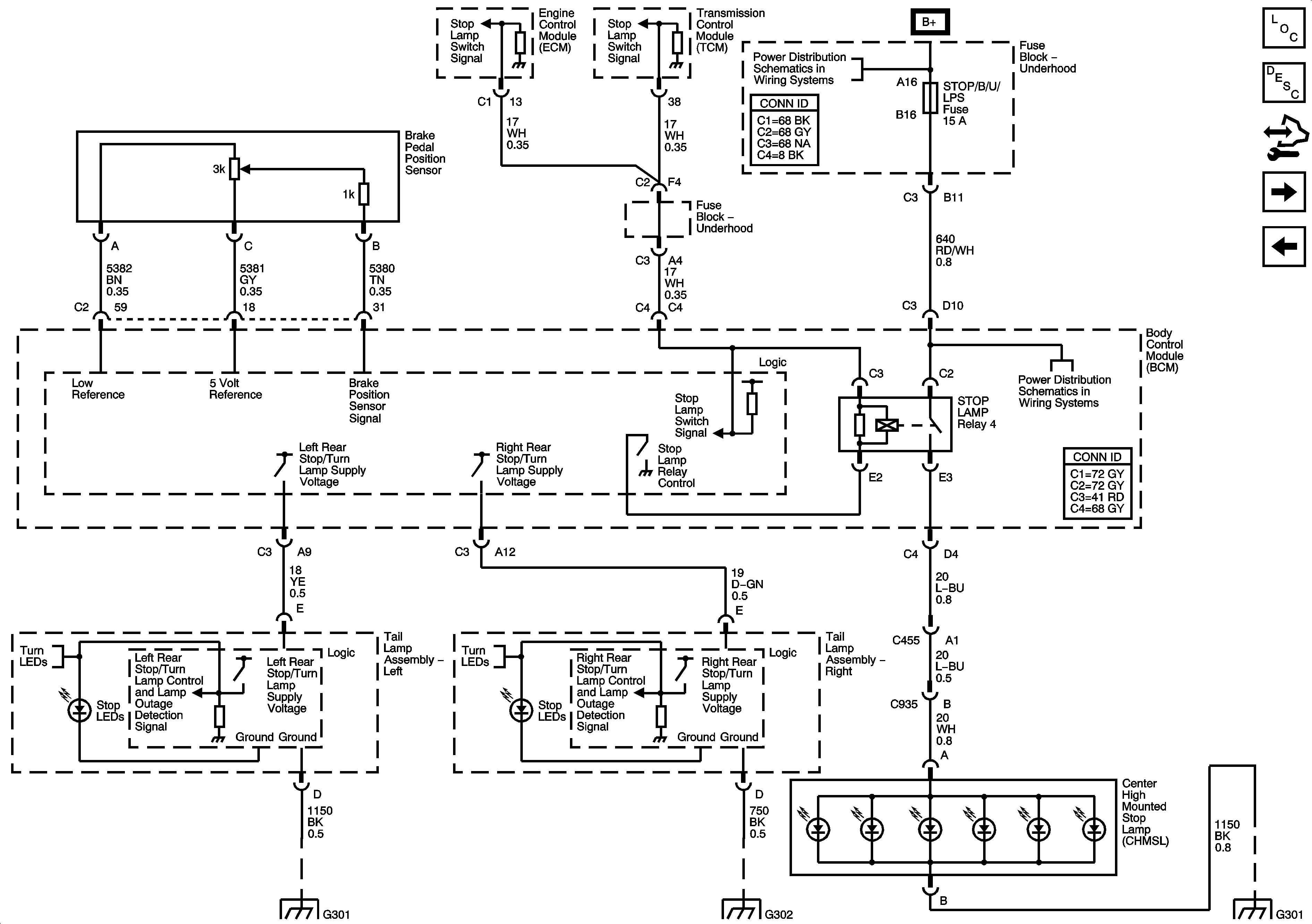
Figure 6:

Stop Lamps - Europe and Japan


Object Number: 1480732  Size: FS
Master Electrical Component List
Exterior Lighting Systems Description and Operation
Control Module References
Backup Lamps
Turn Signal and Hazard Lamps - Europe and Japan
Fuse Block - Underhood Bussing
Fuse Block Underhood Fuses - BATT3, STOP/BULPS, BCM Fuses - BTSI SOL/COL LOCK, PWR FLDG MIR-EXT/RET, RADIO/ANT/VICS, REAR FOG/ALDL TOPSW, REVERSE LPS
G301
G302, G401 and G402
G301
Figure 7:

Backup Lamps


Object Number: 1480733  Size: FS
Master Electrical Component List
Exterior Lighting Systems Description and Operation
Control Module References
Stop Lamps - Europe and Japan
Shift Lever
Fuse Block - Underhood Bussing
GMLAN
DLC - Class 2
Fuse Block Underhood Fuses - BATT3, STOP/BULPS, BCM Fuses - BTSI SOL/COL LOCK, PWR FLDG MIR-EXT/RET, RADIO/ANT/VICS, REAR FOG/ALDL TOPSW, REVERSE LPS
G301
DLC, Ground, Power and Non-Sensor Signals
G301