GM Service Manual Online
For 1990-2009 cars only
Makes
🢒
Cadillac
🢒
2005
🢒
XLR
🢒
Accessories
🢒
Cellular Communication
🢒 OnStar Schematics
Figure
1:
Antenna, DLC, Ground, Power, and User Inputs
Master Electrical Component List
OnStar Description and Operation
Control Module References
Audio Output
Fuse Block Underhood Fuses - BATT5, BCM Fuses - ACCA/DRIV DRSW, IGNITION SW/INTR SENS, ONSTAR, PARK BRAKE SOL A, TILT/TELE SW/MEM SEAT MOD
DLC - Class 2
GMLAN
Inside Rearview Mirror
Park Lamp Control, Side Marker, Park and Position Lamps
G104 and G106
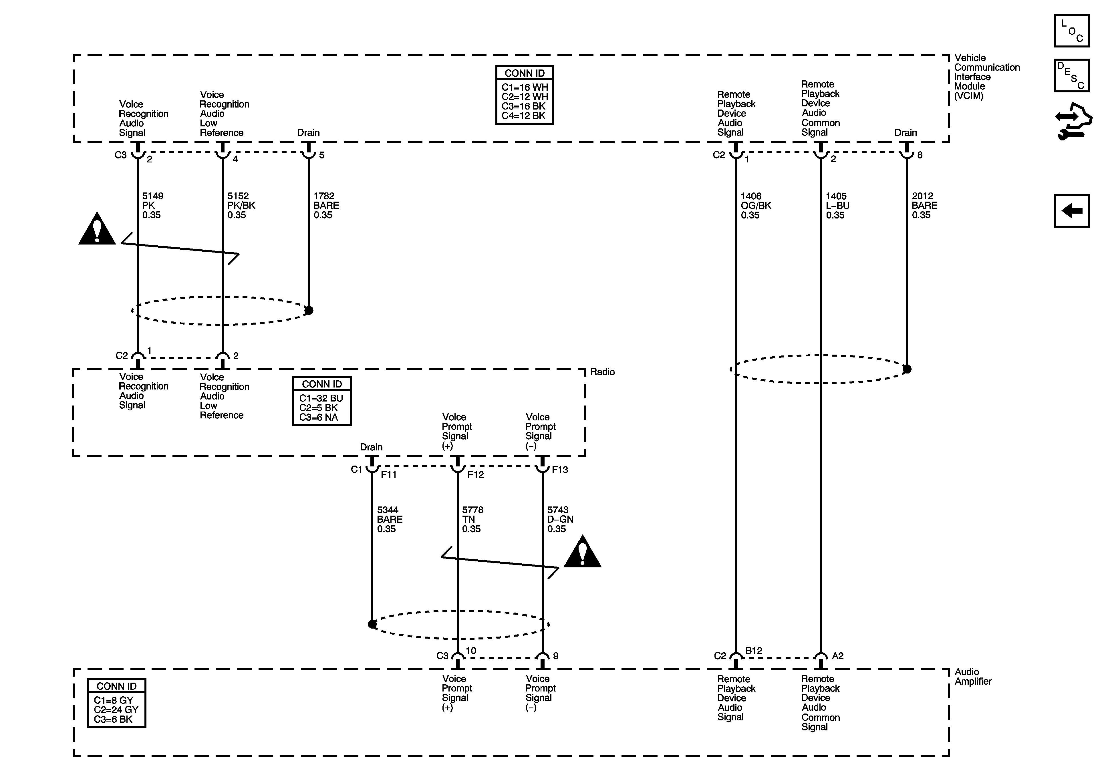
Figure
2:
Audio Output
Master Electrical Component List
OnStar Description and Operation
Control Module References
Antenna, DLC, Ground, Power and User Inputs
Cellular Communication Schematic Icons
Cellular Communication Schematic Icons