GM Service Manual Online
For 1990-2009 cars only
Makes
🢒
Cadillac
🢒
2007
🢒
XLR
🢒
Diagnostic Navigation
🢒
Vehicle Diagnostic Information
🢒 Data Communication Schematics
Figure
1:
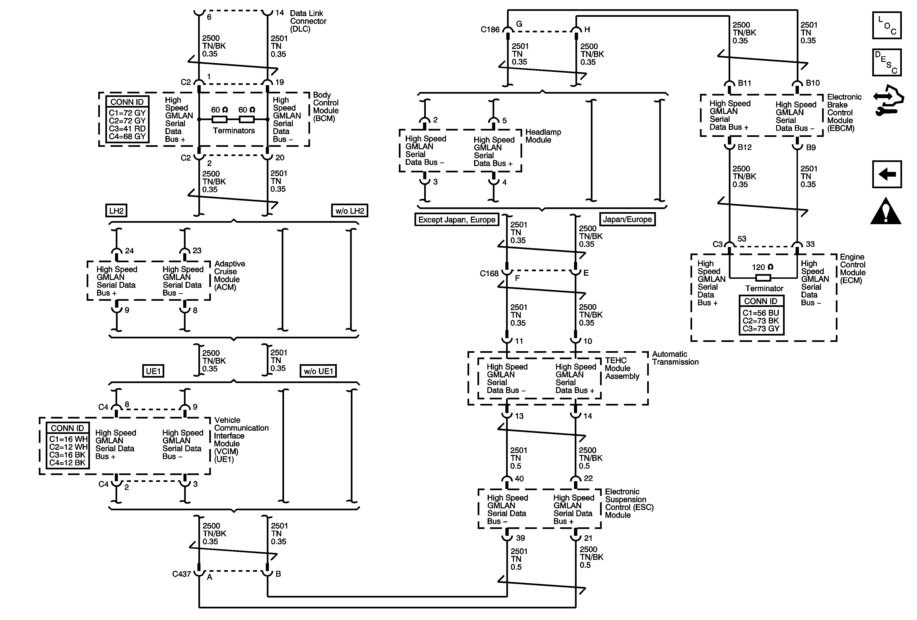
Class 2
Master Electrical Component List
Data Link Communications Description and Operation
Control Module References
GMLAN
BATT 3, STOP/B/U/LPS, BTSI SOL/COL LOCK, RADIO/ANT/VICS, PWR FLDG MIR - EXT/RET, REAR FOG/ALDL TOP SW, REVERSE LAMPS Fuses, AND STOP LAMP, REVERSE LAMP Relays
BATT 3, STOP/B/U/LPS, BTSI SOL/COL LOCK, RADIO/ANT/VICS, PWR FLDG MIR - EXT/RET, REAR FOG/ALDL TOP SW, REVERSE LAMPS Fuses, AND STOP LAMP, REVERSE LAMP Relays
Data Communication Schematic Icons
G104 and G106
G201
Figure
2:
GMLAN
Master Electrical Component List
Data Link Communications Description and Operation
Control Module References
Class 2
Data Communication Schematic Icons