GM Service Manual Online
For 1990-2009 cars only
Figure 1:

Power, Ground, and Blower Motor Controls


Object Number: 1755258  Size: FS
Master Electrical Component List
Air Delivery Description and Operation
Control Module References
A/C Compressor Controls
Fuse Block - Underhood Bussing
COOLFAN, AMP, HVAC, ABS, MRRTD, ECM/TCM, HORN, BATT 2 Fuses, and HORN, REAR DEFOG Relays
CLUSTER, A.C. LATCH/PK BRK B, DOOR LOCKS, INTERIOR LIGHTS, HVAC/PWR SND, ISRVM/HVAC, TUTD SW/STRG COL SW FUSES, and RUN/CRANK Relay 2
CLUSTER, A.C. LATCH/PK BRK B, DOOR LOCKS, INTERIOR LIGHTS, HVAC/PWR SND, ISRVM/HVAC, TUTD SW/STRG COL SW FUSES, and RUN/CRANK Relay 2
CLUSTER, A.C. LATCH/PK BRK B, DOOR LOCKS, INTERIOR LIGHTS, HVAC/PWR SND, ISRVM/HVAC, TUTD SW/STRG COL SW FUSES, and RUN/CRANK Relay 2
4.4L
Valet Switch
CLUSTER, A.C. LATCH/PK BRK B, DOOR LOCKS, INTERIOR LIGHTS, HVAC/PWR SND, ISRVM/HVAC, TUTD SW/STRG COL SW FUSES, and RUN/CRANK Relay 2
Defogger Schematics
Driver
Passenger
Class 2
G202
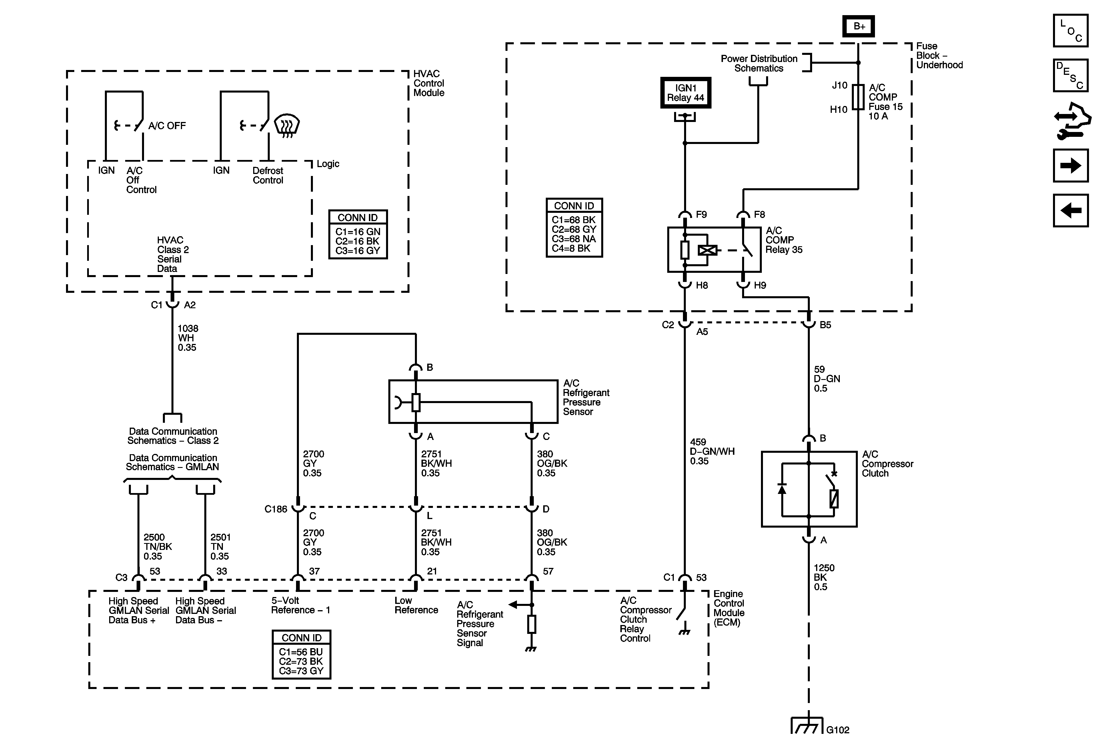
Figure 2:

A/C Compressor Controls


Object Number: 1755268  Size: FS
Master Electrical Component List
Air Delivery Description and Operation
Control Module References
Temperature Sensors
Power, Ground, and Blower Motor Controls
Fuse Block - Underhood Bussing
Fuse Block - Underhood Bussing
ETC, O2 SEN, EMISSION, ODD INJ, EVEN INJ, and IGN 1, A/C COMP Relays
Class 2
GMLAN
G102
Figure 3:

Temperature Sensors


Object Number: 1755270  Size: FS
Master Electrical Component List
Air Delivery Description and Operation
Control Module References
Mode and Air Temperature Actuators
A/C Compressor Controls
CLUSTER, A.C. LATCH/PK BRK B, DOOR LOCKS, INTERIOR LIGHTS, HVAC/PWR SND, ISRVM/HVAC, TUTD SW/STRG COL SW FUSES, and RUN/CRANK Relay 2
CLUSTER, A.C. LATCH/PK BRK B, DOOR LOCKS, INTERIOR LIGHTS, HVAC/PWR SND, ISRVM/HVAC, TUTD SW/STRG COL SW FUSES, and RUN/CRANK Relay 2
CLUSTER, A.C. LATCH/PK BRK B, DOOR LOCKS, INTERIOR LIGHTS, HVAC/PWR SND, ISRVM/HVAC, TUTD SW/STRG COL SW FUSES, and RUN/CRANK Relay 2
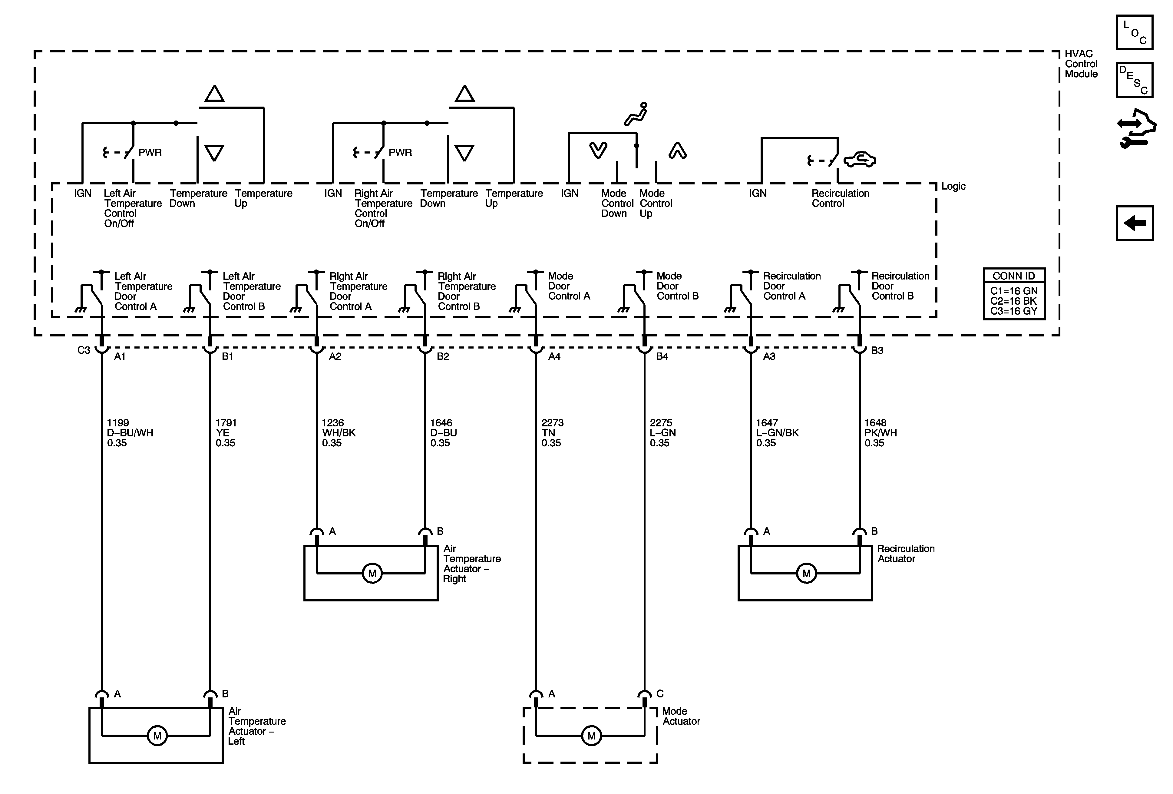
Figure 4:

Mode and Air Temperature Controls


Object Number: 1755272  Size: FS
Master Electrical Component List
Air Delivery Description and Operation
Control Module References
Temperature Sensors