GM Service Manual Online
For 1990-2009 cars only
Makes
🢒
Cadillac
🢒
2007
🢒
XLR
🢒
Diagnostic Navigation
🢒
Vehicle Diagnostic Information
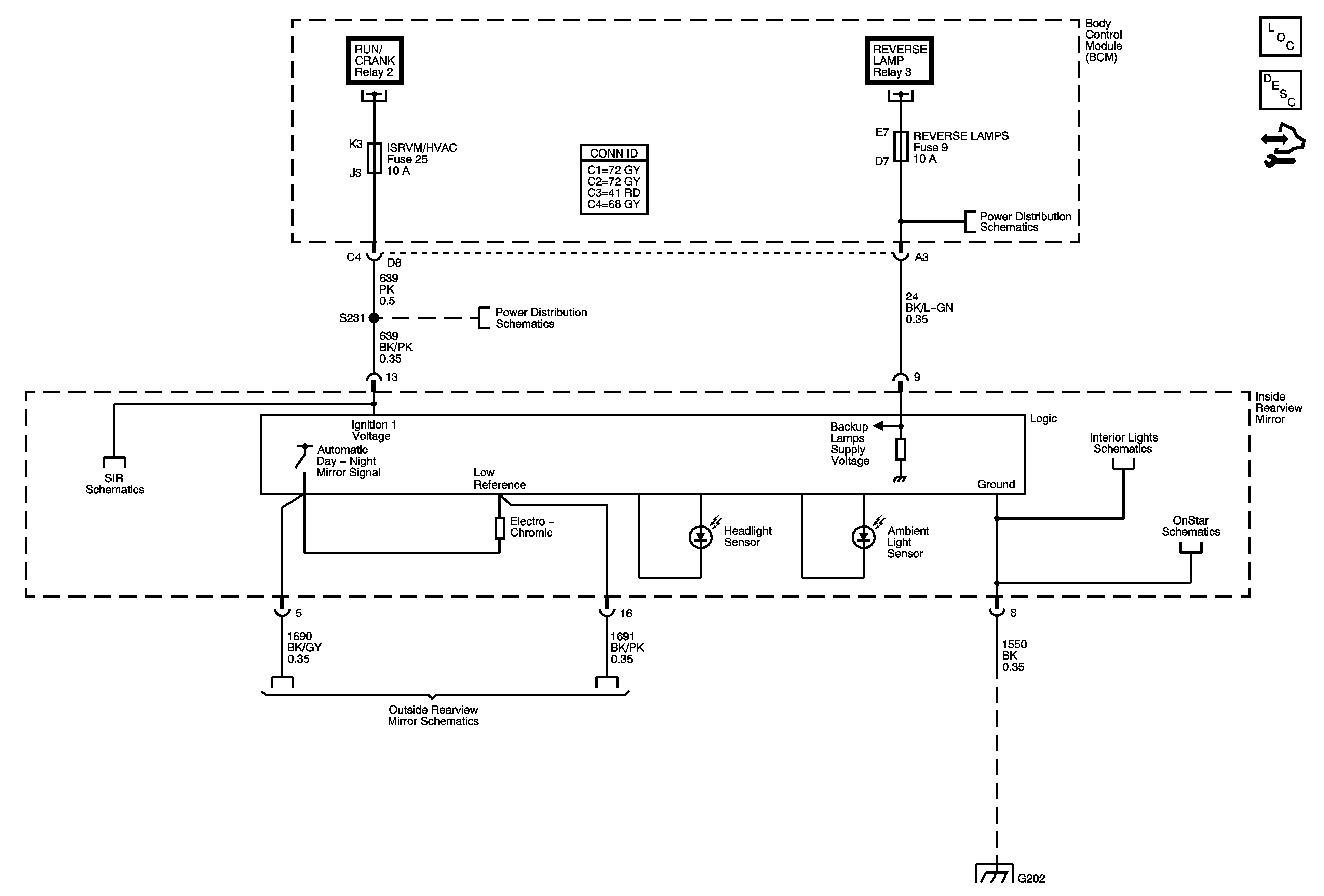
🢒 Inside Rearview Mirror Schematics
Master Electrical Component List
Automatic Day-Night Mirror Description and Operation
Control Module References
CLUSTER, A.C. LATCH/PK BRK B, DOOR LOCKS, INTERIOR LIGHTS, HVAC/PWR SND, ISRVM/HVAC, TUTD SW/STRG COL SW FUSES, and RUN/CRANK Relay 2
CLUSTER, A.C. LATCH/PK BRK B, DOOR LOCKS, INTERIOR LIGHTS, HVAC/PWR SND, ISRVM/HVAC, TUTD SW/STRG COL SW FUSES, and RUN/CRANK Relay 2
CLUSTER, A.C. LATCH/PK BRK B, DOOR LOCKS, INTERIOR LIGHTS, HVAC/PWR SND, ISRVM/HVAC, TUTD SW/STRG COL SW FUSES, and RUN/CRANK Relay 2
CLUSTER, A.C. LATCH/PK BRK B, DOOR LOCKS, INTERIOR LIGHTS, HVAC/PWR SND, ISRVM/HVAC, TUTD SW/STRG COL SW FUSES, and RUN/CRANK Relay 2
BATT 3, STOP/B/U/LPS, BTSI SOL/COL LOCK, RADIO/ANT/VICS, PWR FLDG MIR - EXT/RET, REAR FOG/ALDL TOP SW, REVERSE LAMPS Fuses, AND STOP LAMP, REVERSE LAMP Relays
BATT 3, STOP/B/U/LPS, BTSI SOL/COL LOCK, RADIO/ANT/VICS, PWR FLDG MIR - EXT/RET, REAR FOG/ALDL TOP SW, REVERSE LAMPS Fuses, AND STOP LAMP, REVERSE LAMP Relays
Lamp Controls, and Courtesy, Underhood, I/P Compartment, Vanity Mirrors, Inside Rearview Mirror Lamps
Power, Ground, DLC, Antenna, and User Inputs
Passenger Presence System
Dimming Mirror and Heated Mirrors
G202