GM Service Manual Online
For 1990-2009 cars only
Makes
🢒
Cadillac
🢒
2007
🢒
XLR
🢒
Body Systems
🢒
Wipers and Washers
🢒 Wiper/Washer Schematics
Figure
1:
Power, Ground, and Wiper Motor
Master Electrical Component List
Wiper/Washer System Description and Operation
Control Module References
Wiper Switch, Washers, and Outside Moisture Sensor
CLUSTER, A.C. LATCH/PK BRK B, DOOR LOCKS, INTERIOR LIGHTS, HVAC/PWR SND, ISRVM/HVAC, TUTD SW/STRG COL SW FUSES, and RUN/CRANK Relay 2
RPA/H/C SEAT, GMLAN DEVICES, ECM, SDM/PSIR SW, ACC/TCM, and ABS/MRRTD Fuses
RPA/H/C SEAT, GMLAN DEVICES, ECM, SDM/PSIR SW, ACC/TCM, and ABS/MRRTD Fuses
Power, Ground, and DLC
Power, Ground, and DLC
Fuse Block - Underhood Bussing
LT HI BM, RT HI BM, LT LO BM, RT LO BM, WIPER, STEERING WHEEL DIMMING, WIPER DWELL, RUN/ACCESSORY POWER Fuses, and HIGH BEAM, LOW BEAM Relays
G102
Wiper Switch, Washers, and Outside Moisture Sensor
Wiper Switch, Washers, and Outside Moisture Sensor
G102
Wiper Switch, Washers, and Outside Moisture Sensor
Wiper Switch, Washers, and Outside Moisture Sensor
Wiper Switch, Washers, and Outside Moisture Sensor
G201
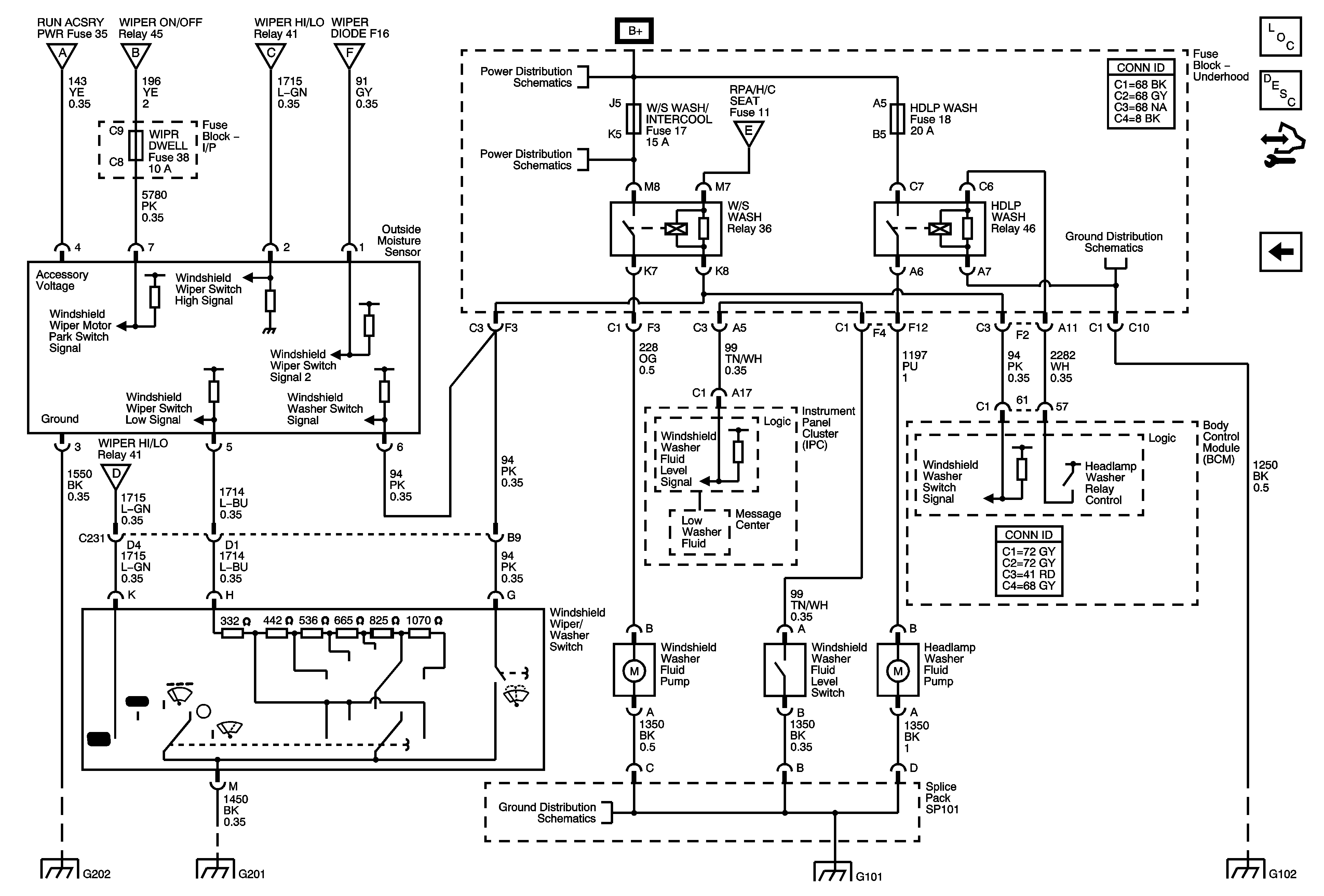
Figure
2:
Wiper Switch, Washers, and Outside Moisture Sensor
Master Electrical Component List
Wiper/Washer System Description and Operation
Control Module References
Power, Ground, and Wiper Motor
Fuse Block - Underhood Bussing
Fuse Block - Underhood Bussing
COOLFAN, AMP, HVAC, ABS, MRRTD, ECM/TCM, HORN, BATT 2 Fuses, and HORN, REAR DEFOG Relays
Power, Ground, and Wiper Motor
G102
Power, Ground, and Wiper Motor
Power, Ground, and Wiper Motor
Power, Ground, and Indicators
G202
G201
G101
G101
G102