GM Service Manual Online
For 1990-2009 cars only
Makes
🢒
Cadillac
🢒
2007
🢒
XLR
🢒
Safety and Security
🢒
Object Detection
🢒 Object Detection Schematics
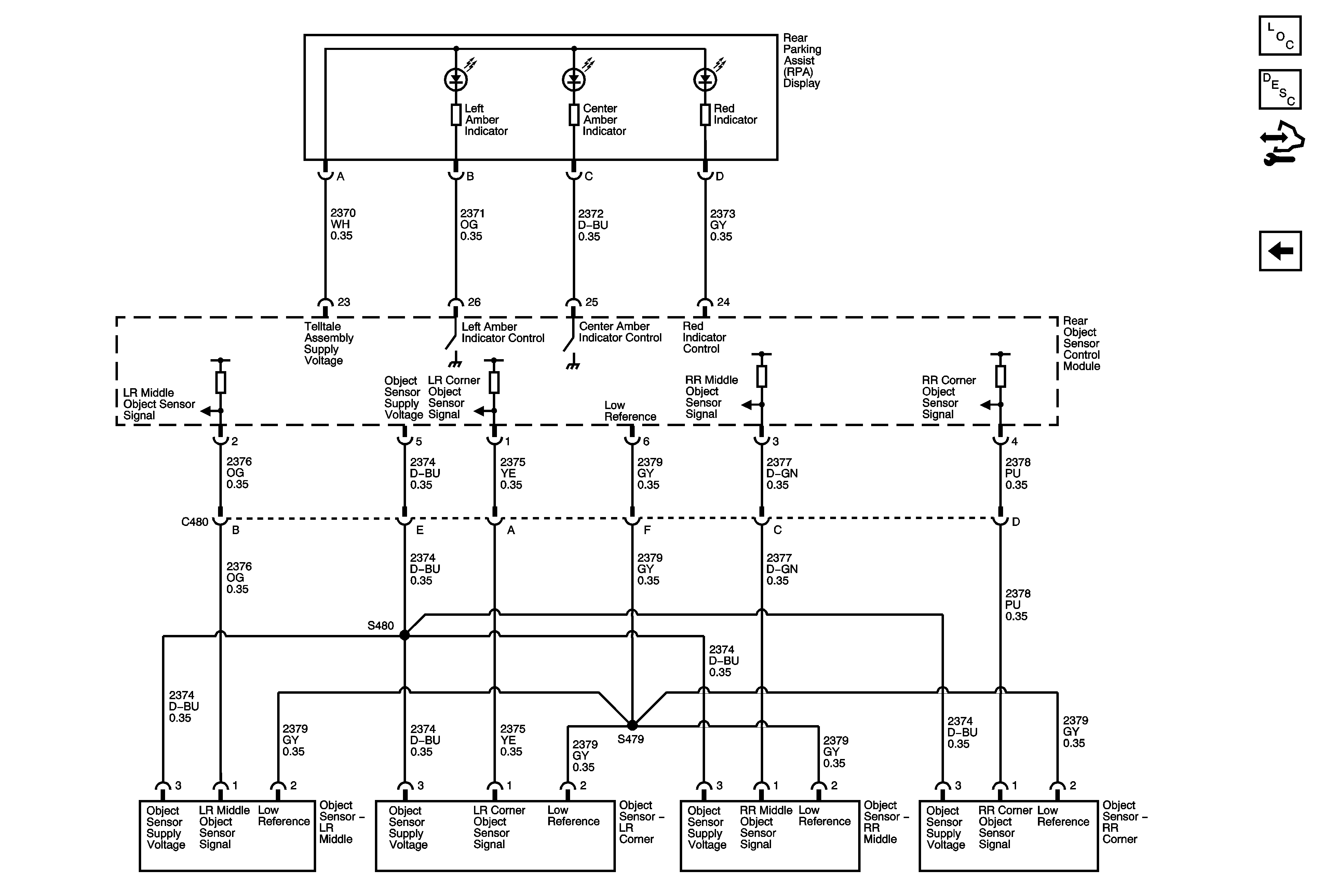
Figure
1:
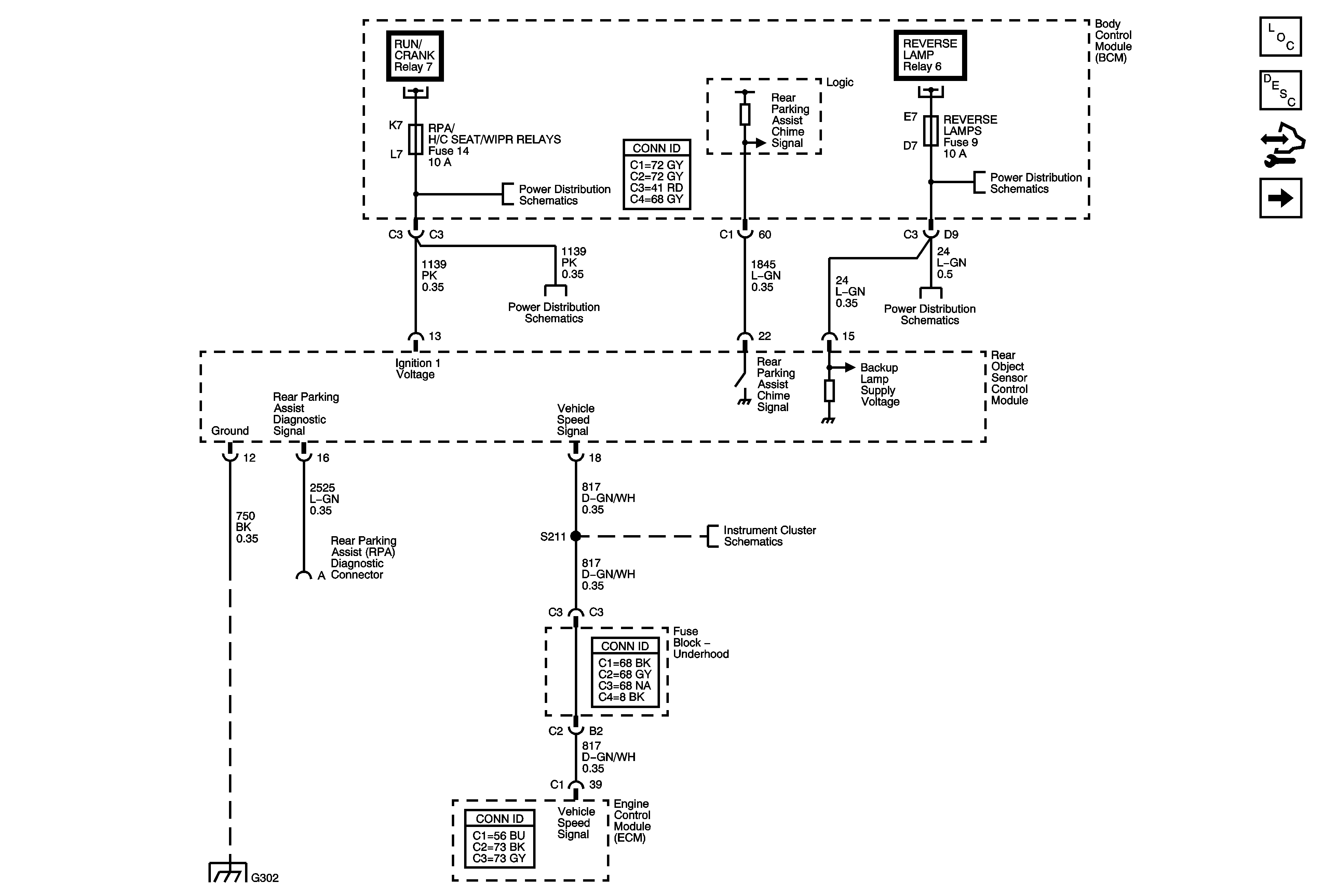
Power, Ground, DLC, and Non-Sensor Signals
Master Electrical Component List
Object Detection Description and Operation
Control Module References
Display and Sensors
ECM Power, Ground, MIL, and Serial Data
RPA/H/C SEAT, GMLAN DEVICES, ECM, SDM/PSIR SW, ACC/TCM, and ABS/MRRTD Fuses
RPA/H/C SEAT, GMLAN DEVICES, ECM, SDM/PSIR SW, ACC/TCM, and ABS/MRRTD Fuses
Backup Lamps
BATT 3, STOP/B/U/LPS, BTSI SOL/COL LOCK, RADIO/ANT/VICS, PWR FLDG MIR - EXT/RET, REAR FOG/ALDL TOP SW, REVERSE LAMPS Fuses, AND STOP LAMP, REVERSE LAMP Relays
BATT 3, STOP/B/U/LPS, BTSI SOL/COL LOCK, RADIO/ANT/VICS, PWR FLDG MIR - EXT/RET, REAR FOG/ALDL TOP SW, REVERSE LAMPS Fuses, AND STOP LAMP, REVERSE LAMP Relays
Gages
G302, G401, and G402
Figure
2:
Display and Sensors
Master Electrical Component List
Object Detection Description and Operation
Control Module References
Power, Ground, DLC, and Non-Sensor Signals