GM Service Manual Online
For 1990-2009 cars only
Makes
🢒
Cadillac
🢒
2007
🢒
XLR
🢒 Charging
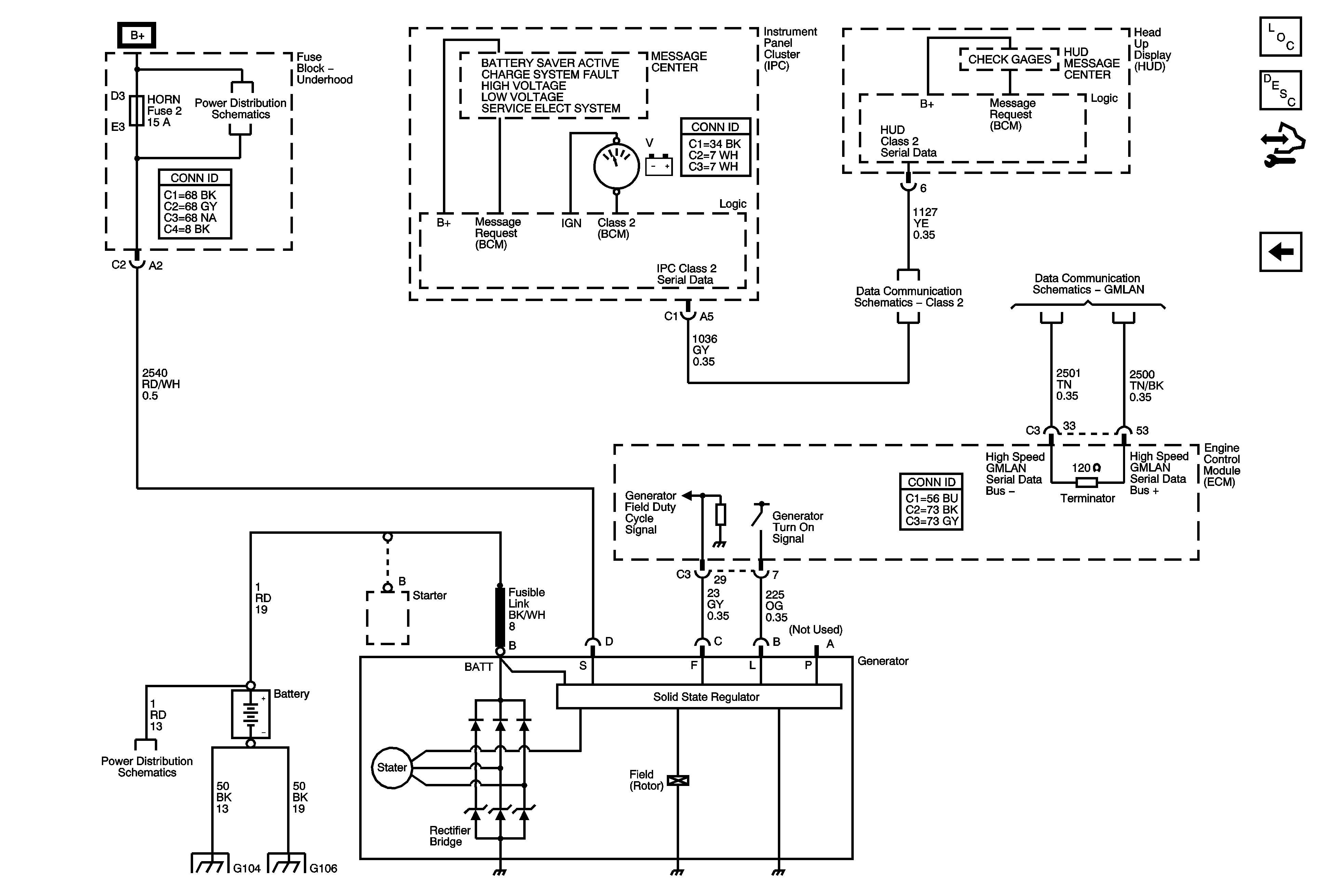
Charging
Charging
Master Electrical Component List
Charging System Description and Operation
Control Module References
Starting
Fuse Block - Underhood Bussing
COOLFAN, AMP, HVAC, ABS, MRRTD, ECM/TCM, HORN, BATT 2 Fuses, and HORN, REAR DEFOG Relays
Fuse Block - Underhood Bussing
Class 2
GMLAN
G104 and G106
G104 and G106