GM Service Manual Online
For 1990-2009 cars only
Makes
🢒
Cadillac
🢒
2007
🢒
XLR
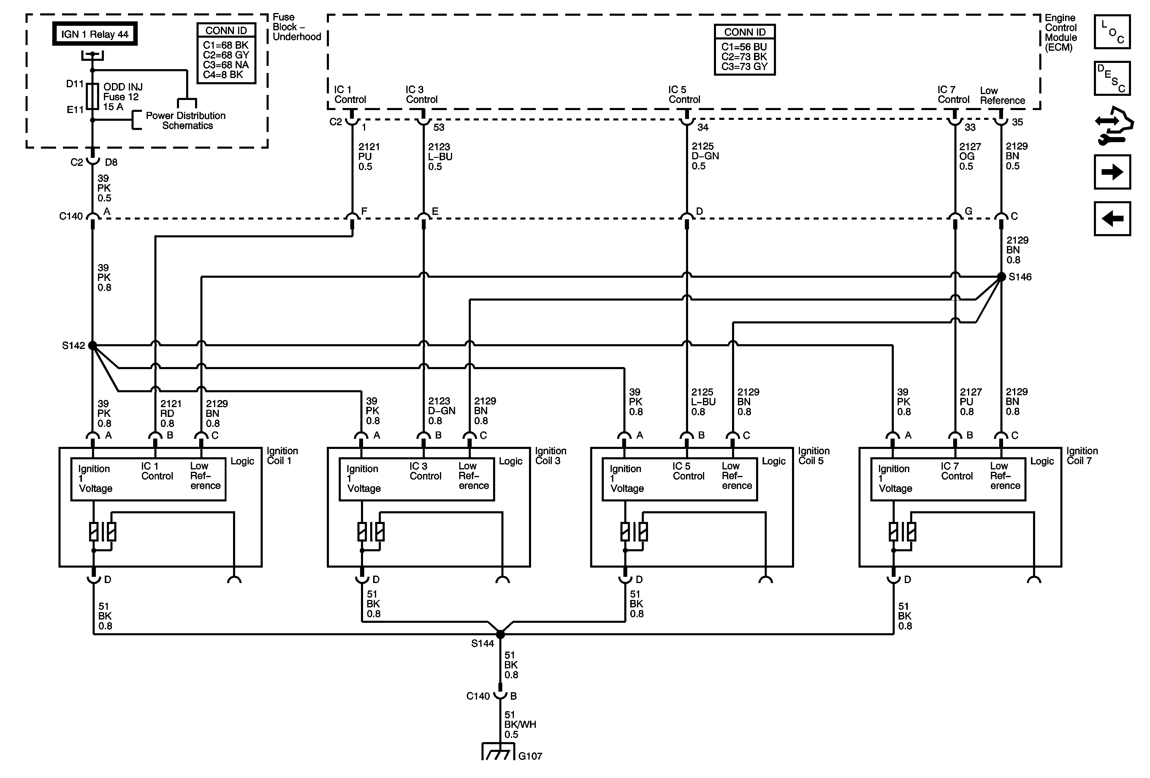
🢒 Ignition Coils Bank 1
Ignition Coils Bank 1
Ignition Coils Bank 1
Master Electrical Component List
Engine Control Module Description
Control Module References
Ignition Coils Bank 2
Electronic Throttle Controls
Fuse Block - Underhood Bussing
ETC, O2 SEN, EMISSION, ODD INJ, EVEN INJ, and IGN 1, A/C COMP Relays
G105, G107, G109, G110, G111 and G112