GM Service Manual Online
For 1990-2009 cars only
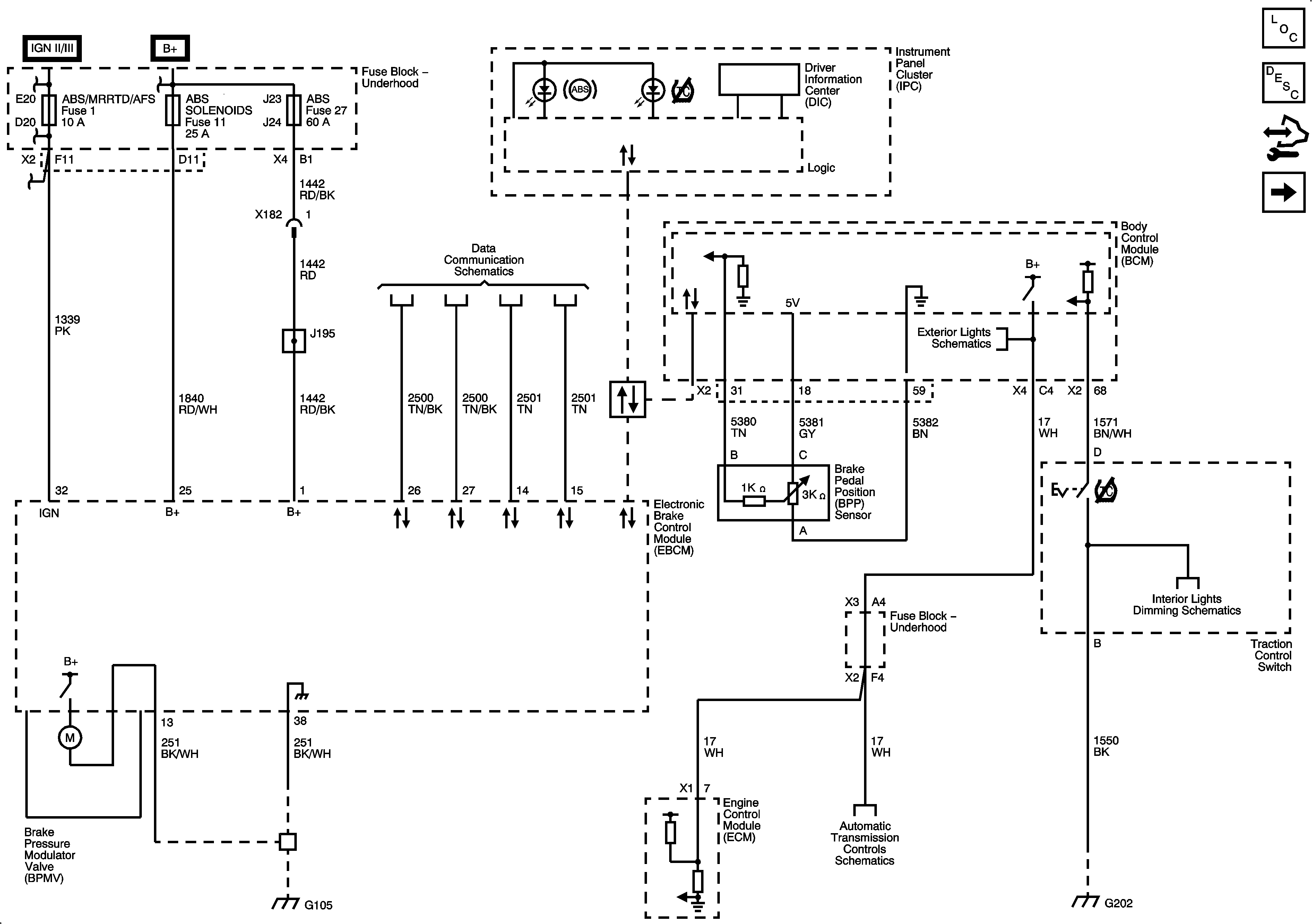
Figure 1:

Power, Ground, Indicators, and Brake Pressure Modulator Valve


Object Number: 2075677  Size: FS
Master Electrical Component List
ABS Description and Operation
Control Module References
Brake Pedal Signal and Traction Control Switch
RPA/H/C SEAT/WIPR RELAYS, GMLAN DEVICES, ECM, SCMPSIR SW, ACC/TCM, and ABS/MRRTD/AFS Fuses
RPA/H/C SEAT/WIPR RELAYS, GMLAN DEVICES, ECM, SCMPSIR SW, ACC/TCM, and ABS/MRRTD/AFS Fuses
Fuse Block - Underhood Bussing
COOLFAN, AMP, HVAC, ABS, W/S WASH/INTERCOOL, MRRTD, ECM/TCM, HORN, and BATT2 Fuses
Power, Ground, and Class 2
GMLAN
G105, G107, G109, G110, G111, and G112
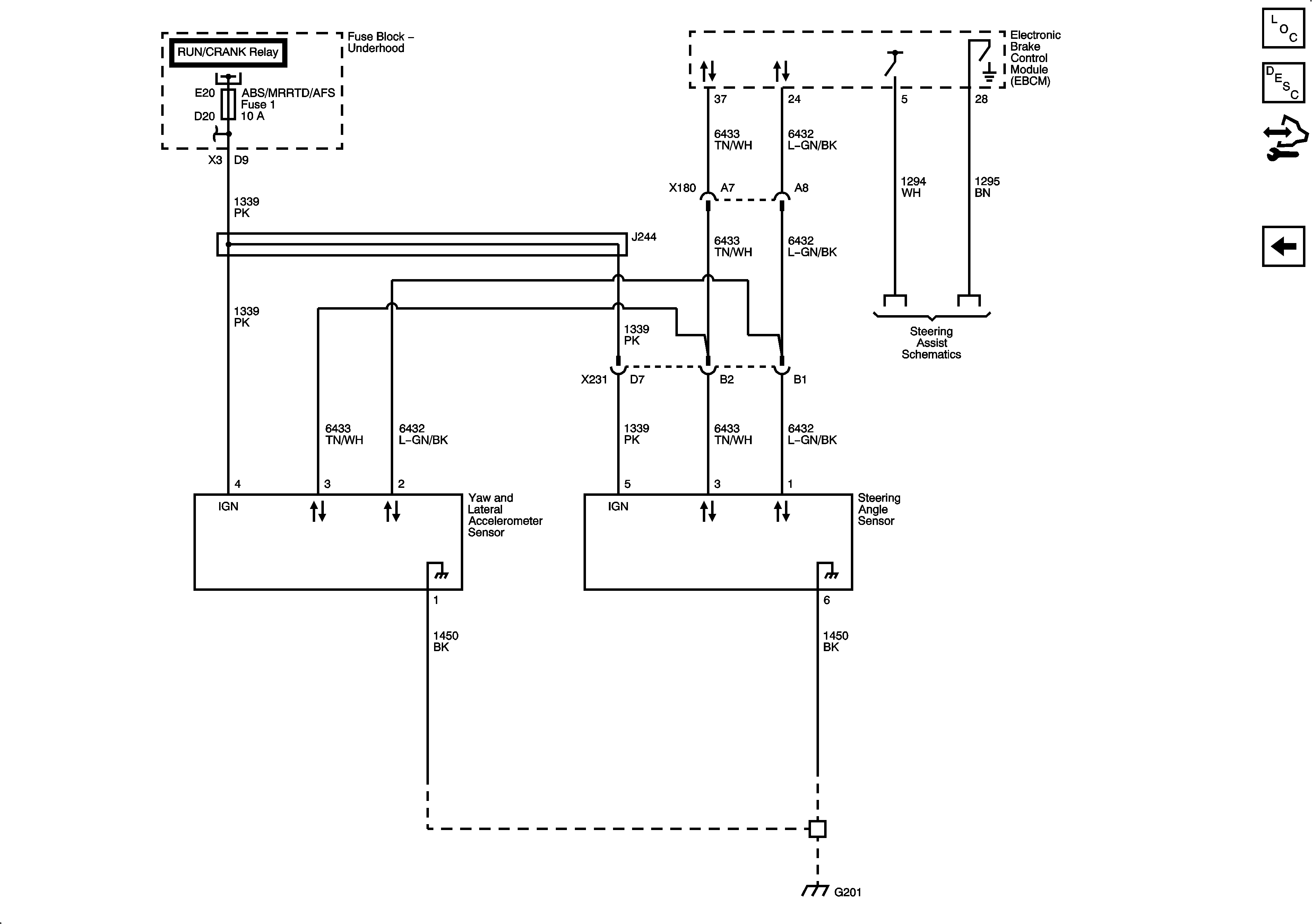
Figure 2:

Brake Pedal Signal, and Traction Control Switch


Object Number: 2075679  Size: FS
Master Electrical Component List
ABS Description and Operation
Control Module References
Stability Control Sensors
Power, Ground, Indicators, and Brake Pressure Modulator Valve
Stop and License Lamps
DLC, HVAC Control Module, Radio, and Switches
Power, Ground, and Serial Data
G202 1 of 2
Figure 3:

Stability Control Sensors


Object Number: 2075680  Size: FS
Master Electrical Component List
ABS Description and Operation
Control Module References
Wheel Speed Sensors
Brake Pedal Signal and Traction Control Switch
CLSTR/HUD, DECK LID CLOSE/PARK/BRK B, DR LOCKS, INTERIOR LIGHTS, HVAC/PWR SND, ISRVM/HVAC, TUTD SW STRG COL SW Fuses, and RUN/CRANK Relay
RPA/H/C SEAT/WIPR RELAYS, GMLAN DEVICES, ECM, SCMPSIR SW, ACC/TCM, and ABS/MRRTD/AFS Fuses
RPA/H/C SEAT/WIPR RELAYS, GMLAN DEVICES, ECM, SCMPSIR SW, ACC/TCM, and ABS/MRRTD/AFS Fuses
Power Steering Schematics
G201
Figure 4:

Wheel Speed Sensors


Object Number: 2075682  Size: FS
Master Electrical Component List
ABS Description and Operation
Control Module References
Stability Control Sensors