GM Service Manual Online
For 1990-2009 cars only
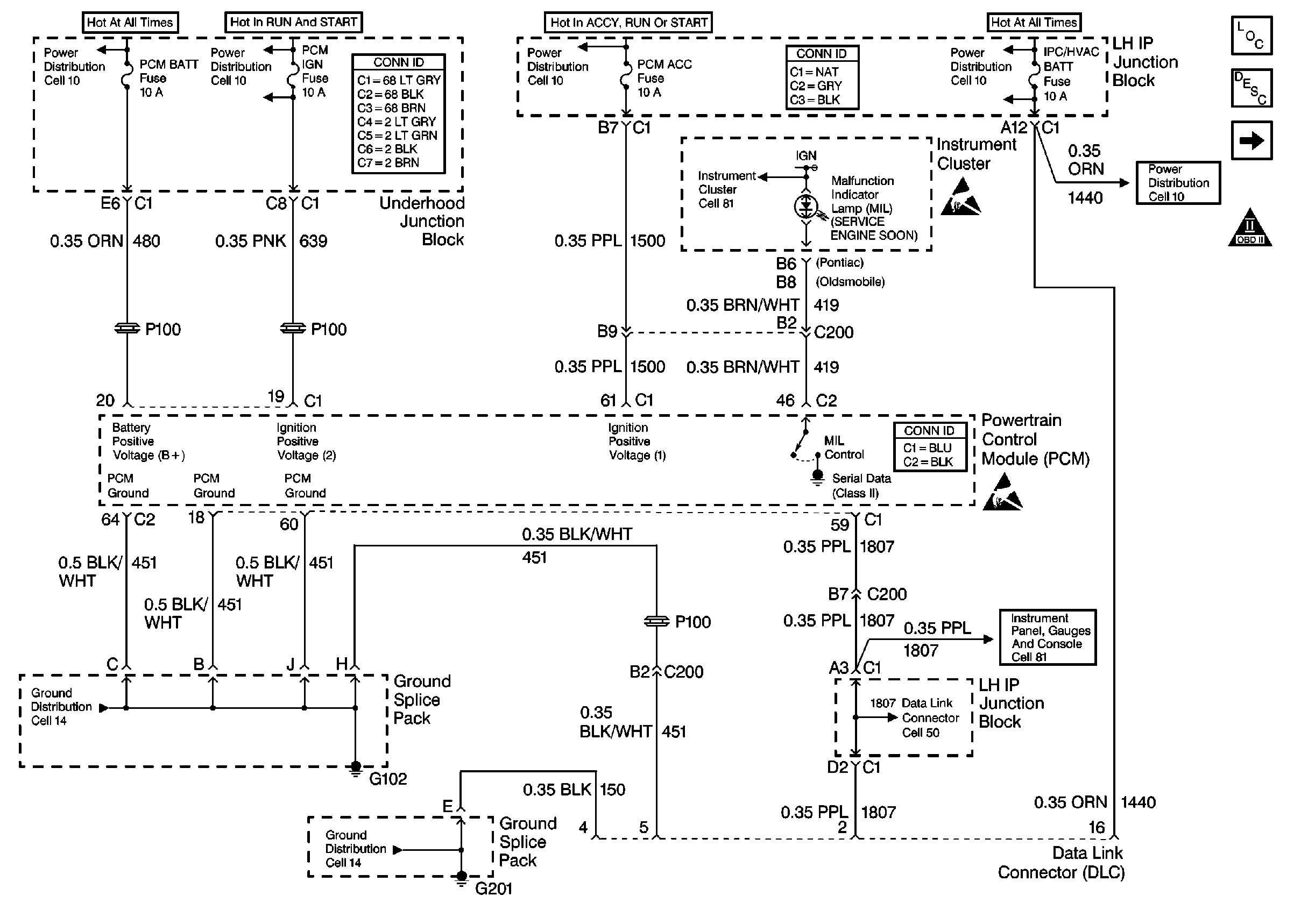
Figure 1:

Cell 23: Power, Ground, MIL, and DLC


Object Number: 229763  Size: FS
Engine Controls Components
Information Sensors/Switches Description
Cell 23: Ignition Controls
OBDII Symbol Description Notice
Handling Electrostatic Discharge Sensitive Parts Notice
Handling Electrostatic Discharge Sensitive Parts Notice
Cell 10: LH BEC BATT 1, AUX PWR/CIGAR, PARK LPS, PCM BATT, PWRSEAT, PWR MIRROR, DR LOCK and TRUNK REL/RFA Fuses
Cell 10: IGN MOD, BU LMP/BTSI, PCM IGN, F/P INJR, A/C BFC, AUTO TRANS, ABS IGN Fuses
Power and Grounding Connector End Views
Cell 10: AIR BAG, TURN LPS, RDO ACC, WIPER, PCM ACC and IPC/BFC ACC FusEs
Power and Grounding Connector End Views
Cell 10: RH HDLP, LH HDLP, GEN BATT, LH BEC BATT 2, ABS BATT,STOP LPS, HAZARD LPS, IPC/HVAC BATT and BFC BATT Fuses
Instrument Cluster Ignition Voltage and Indicators 1 of 3
Power and Grounding Connector End Views
Cell 14: G102 and G104
Cell 10: RH HDLP, LH HDLP, GEN BATT, LH BEC BATT 2, ABS BATT,STOP LPS, HAZARD LPS, IPC/HVAC BATT and BFC BATT Fuses
Instrument Cluster Ignition Voltage and Indicators 1 of 3
Cell 50
Cell 14: G201
Figure 2:

Cell 23: Ignition Controls


Object Number: 229768  Size: FS
Engine Controls Components
Information Sensors/Switches Description
Cell 23: Fuel Controls
Cell 23: Power, Ground, MIL, and DLC
OBDII Symbol Description Notice
Handling Electrostatic Discharge Sensitive Parts Notice
Cell 10: IGN MOD, BU LMP/BTSI, PCM IGN, F/P INJR, A/C BFC, AUTO TRANS, ABS IGN Fuses
Engine Controls Connector End Views
Power and Grounding Connector End Views
Cell 14: G103 and G105
Figure 3:

Cell 23: Fuel Controls


Object Number: 229774  Size: FS
Engine Controls Components
Information Sensors/Switches Description
Cell 23: Engine Data Sensors
Cell 23: Ignition Controls
OBDII Symbol Description Notice
Handling Electrostatic Discharge Sensitive Parts Notice
Power and Grounding Connector End Views
Cell 10: LH BEC BATT 1, AUX PWR/CIGAR, PARK LPS, PCM BATT, PWRSEAT, PWR MIRROR, DR LOCK and TRUNK REL/RFA Fuses
HVAC Compressor Control Schematics
Cell 14: G102 and G104
Powertrain Control Module Connector End Views With EGR
Figure 4:

Fuel System


Object Number: 300952  Size: FS
Engine Controls Components
Information Sensors/Switches Description
Cell 23: Engine Data Sensors
Cell 23: VSS and Cruise Control
OBDII Symbol Description Notice
Handling Electrostatic Discharge Sensitive Parts Notice
Power and Grounding Connector End Views
Cell 14: G301
Cell 23: Engine Data Sensors
Cell 23: Engine Data Sensors
Figure 5:

Cell 23: Engine Data Sensors


Object Number: 229786  Size: FS
Engine Controls Components
Information Sensors/Switches Description
Cell 23: EVAP and EGR Controls
Cell 23: Fuel Controls
OBDII Symbol Description Notice
Handling Electrostatic Discharge Sensitive Parts Notice
Handling Electrostatic Discharge Sensitive Parts Notice
Power and Grounding Connector End Views
Cell 23: Fuel Controls
Figure 6:

Cell 23: EVAP and EGR Controls


Object Number: 229794  Size: FS
Engine Controls Components
Information Sensors/Switches Description
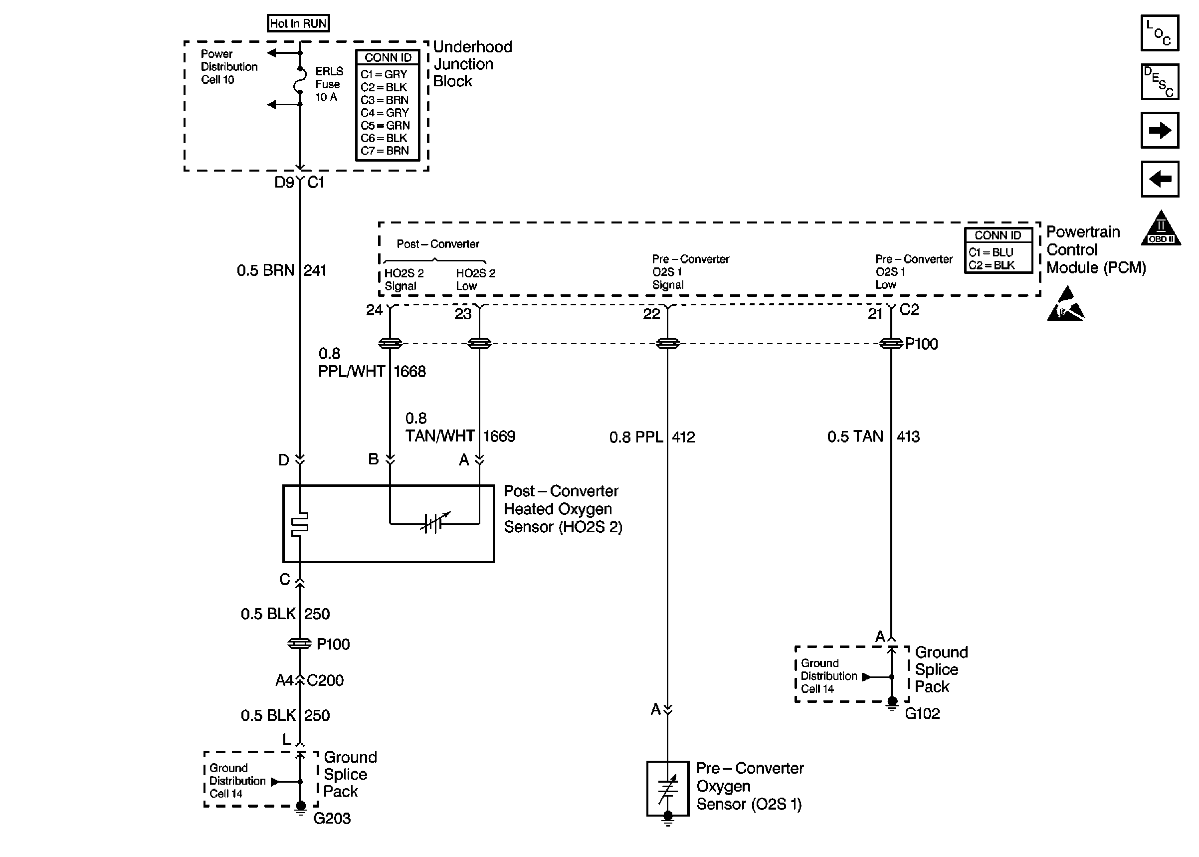
Cell 23: Oxygen Sensors
Cell 23: Engine Data Sensors
OBDII Symbol Description Notice
Handling Electrostatic Discharge Sensitive Parts Notice
Cell 10: HTR A/C IGN, ERLS Fuses
Cell 10: HTR A/C IGN, ERLS Fuses
Power and Grounding Connector End Views
Power and Grounding Connector End Views
Cell 14: G102 and G104
Power and Grounding Connector End Views
Figure 7:

Cell 23: Oxygen Sensors


Object Number: 229807  Size: FS
Engine Controls Components
Information Sensors/Switches Description
Cell 23: IAC Valve, Generator, TR and Oil Switches
Cell 23: EVAP and EGR Controls
OBDII Symbol Description Notice
Handling Electrostatic Discharge Sensitive Parts Notice
Cell 10: HTR A/C IGN, ERLS Fuses
Power and Grounding Connector End Views
Power and Grounding Connector End Views
Cell 14: G102 and G104
Cell 14: G203
Figure 8:

Cell 23: IAC Valve, Generator, TR and Oil Switches


Object Number: 229811  Size: FS
Engine Controls Components
Information Sensors/Switches Description
Cell 23: Oxygen Sensors
OBDII Symbol Description Notice
Handling Electrostatic Discharge Sensitive Parts Notice
Power and Grounding Connector End Views
Cell 14: G102 and G104
Cell 23: VSS and Cruise Control
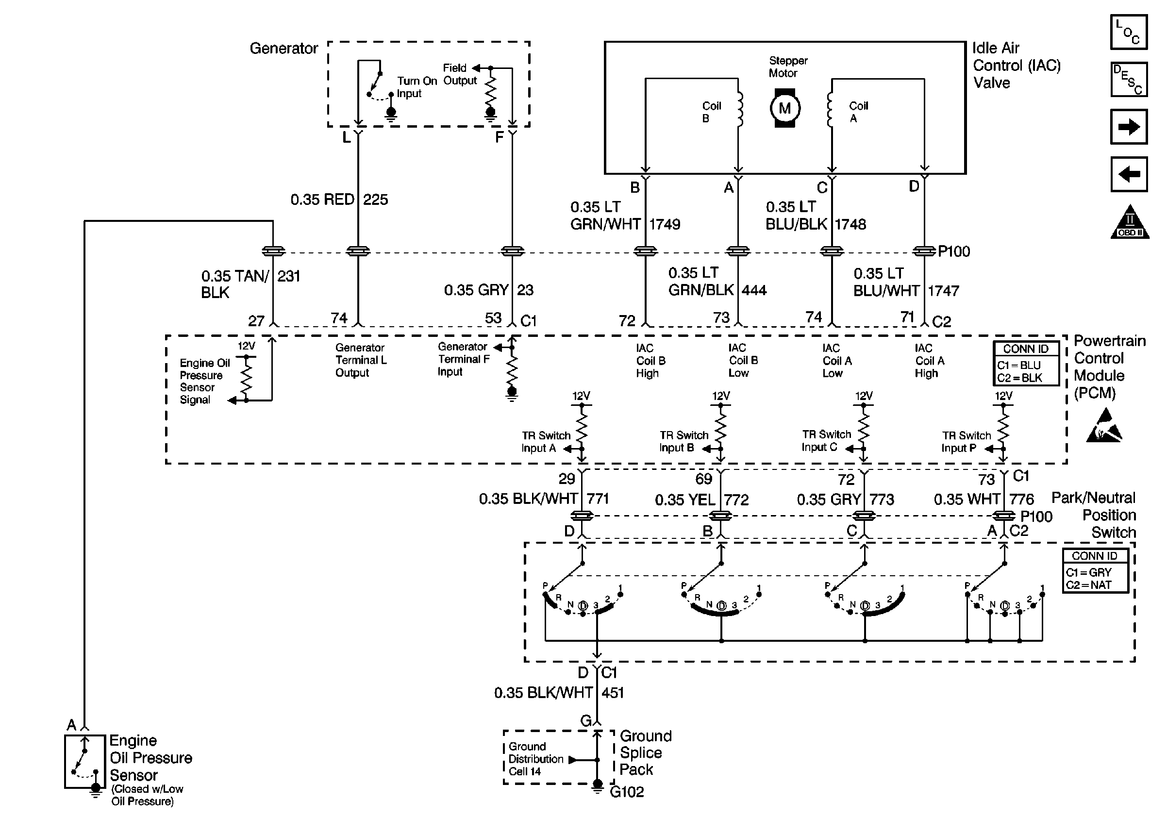
Figure 9:

Cell 23: VSS and Cruise Control


Object Number: 229818  Size: FS
Engine Controls Components
Information Sensors/Switches Description
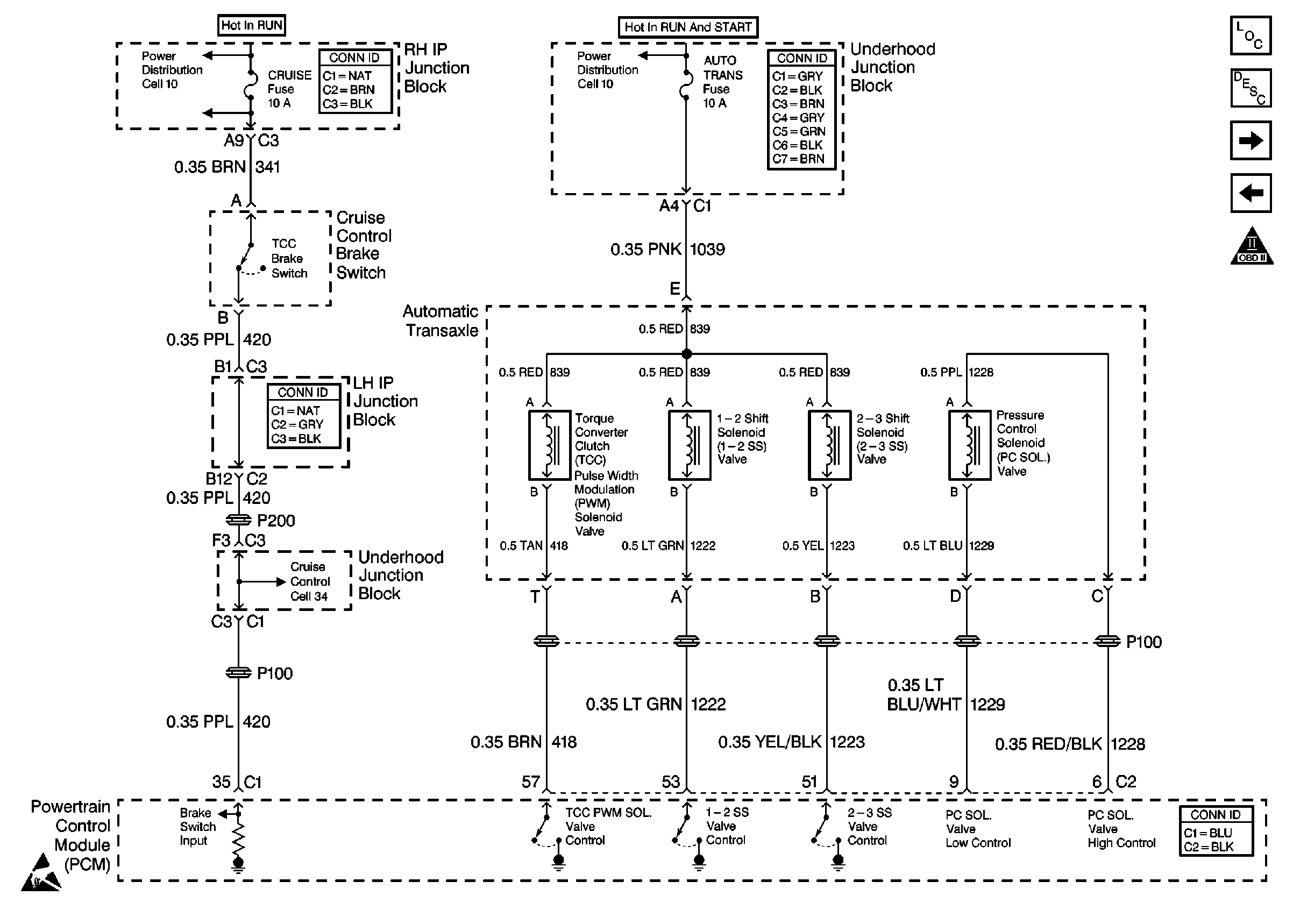
Cell 23: Transaxle Controls (Solenoids)
Cell 23: IAC Valve, Generator, TR and Oil Switches
OBDII Symbol Description Notice
Handling Electrostatic Discharge Sensitive Parts Notice
Handling Electrostatic Discharge Sensitive Parts Notice
Power and Grounding Connector End Views
Power and Grounding Connector End Views
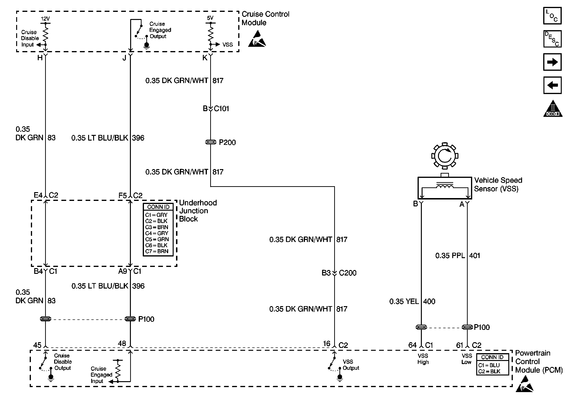
Figure 10:

Cell 23: Transaxle Controls (Solenoids)


Object Number: 229828  Size: FS
Engine Controls Components
Information Sensors/Switches Description
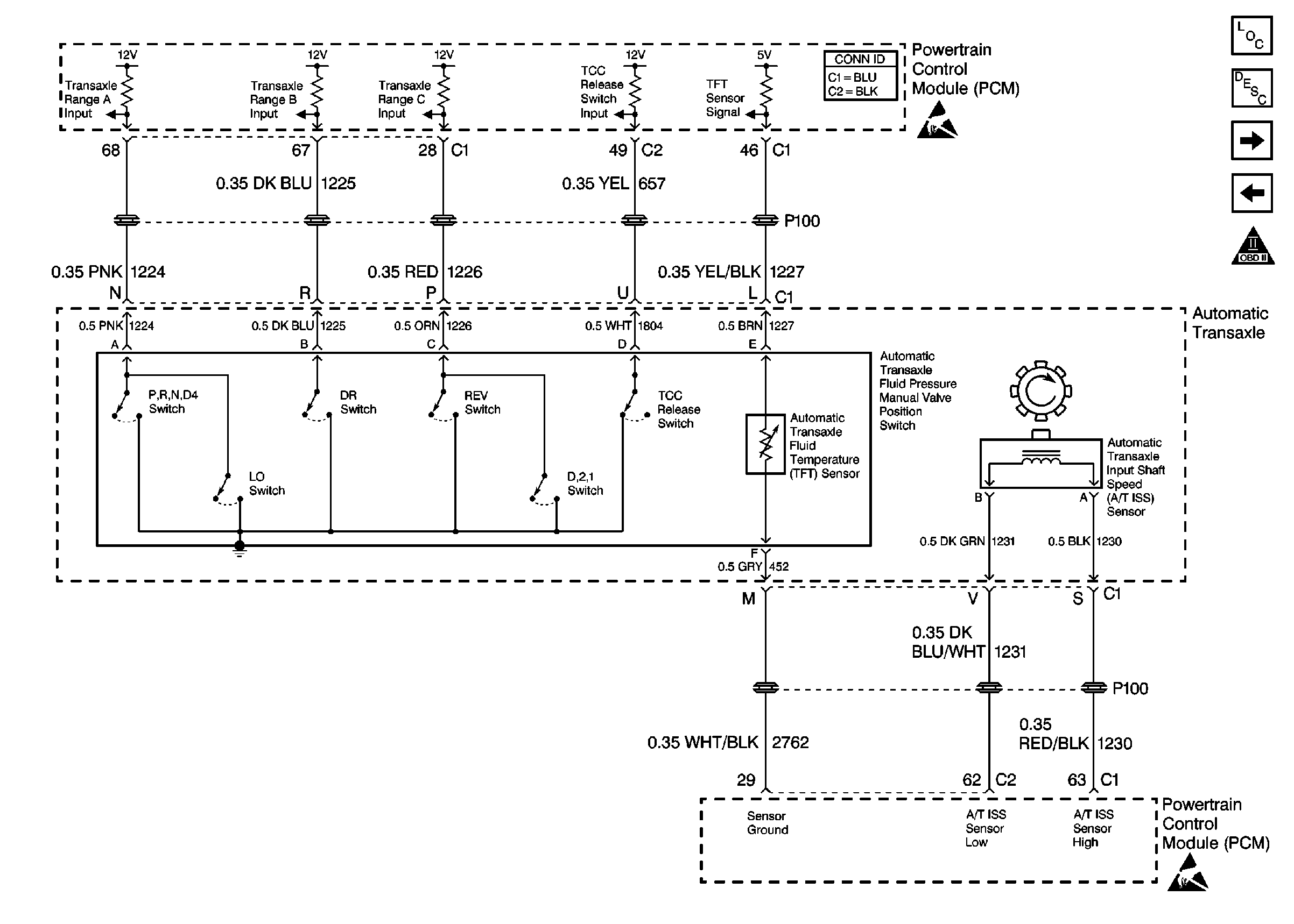
Cell 23: Transaxle Controls (Switches)
Cell 23: VSS and Cruise Control
OBDII Symbol Description Notice
Handling Electrostatic Discharge Sensitive Parts Notice
Cell 10: PWR WNDWS, CRUISE SW, CRUISE, SUNROOF, HVAC BLOWER
Power and Grounding Connector End Views
Cell 10: IGN MOD, BU LMP/BTSI, PCM IGN, F/P INJR, A/C BFC, AUTO TRANS, ABS IGN Fuses
Power and Grounding Connector End Views
Power and Grounding Connector End Views
Cell 34: Cruise Control Brake Switch and Cruise Control Module
Power and Grounding Connector End Views
Figure 11:

Cell 23: Transaxle Controls (Switches)


Object Number: 229838  Size: FS
Engine Controls Components
Information Sensors/Switches Description
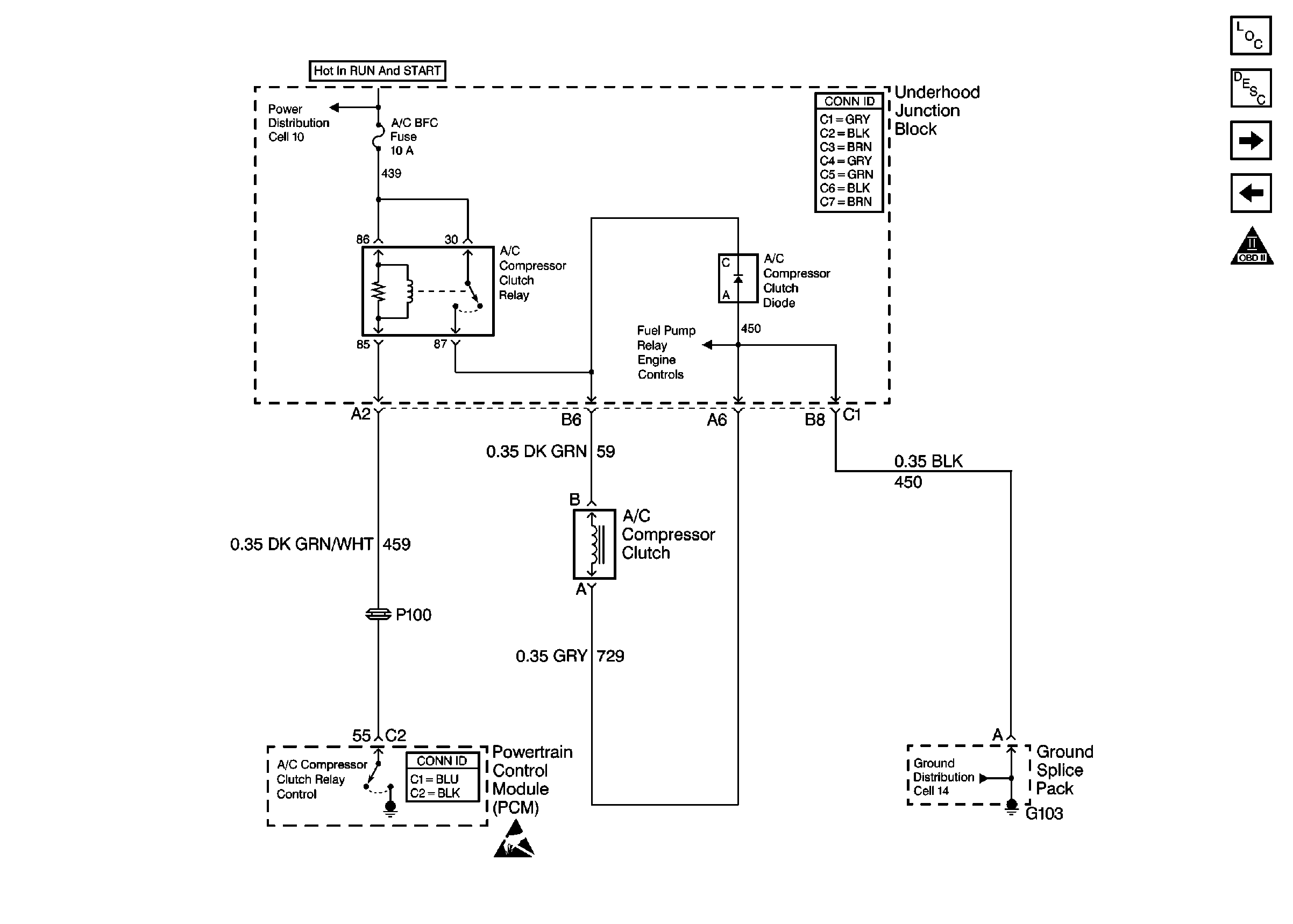
Cell 23: A/C Controls
Cell 23: Transaxle Controls (Solenoids)
OBDII Symbol Description Notice
Handling Electrostatic Discharge Sensitive Parts Notice
Handling Electrostatic Discharge Sensitive Parts Notice
Power and Grounding Connector End Views
Figure 12:

Cell 23: A/C Controls


Object Number: 229849  Size: FS
Engine Controls Components
Information Sensors/Switches Description
Cell 23: Cooling Fan Controls
Cell 23: Transaxle Controls (Switches)
OBDII Symbol Description Notice
Handling Electrostatic Discharge Sensitive Parts Notice
Cell 10: IGN SW - BATT 1 and IGN SW - BATT 2Fuses
Power and Grounding Connector End Views
Cell 14: G103 and G105
Power and Grounding Connector End Views
Figure 13:

Cell 23: Cooling Fan Controls


Object Number: 229853  Size: FS
Engine Controls Components
Information Sensors/Switches Description
Cell 23: A/C Controls
OBDII Symbol Description Notice
Handling Electrostatic Discharge Sensitive Parts Notice
Cell 10: IGN SW - BATT 1 and IGN SW - BATT 2Fuses
Power and Grounding Connector End Views
Cell 14: G103 and G105
Power and Grounding Connector End Views
Cell 14: G103 and G105