GM Service Manual Online
For 1990-2009 cars only
Makes
🢒
Chevrolet
🢒
1999
🢒
Alero Export
🢒
Body and Accessories
🢒
Cruise Control
🢒 Cruise Control Schematics
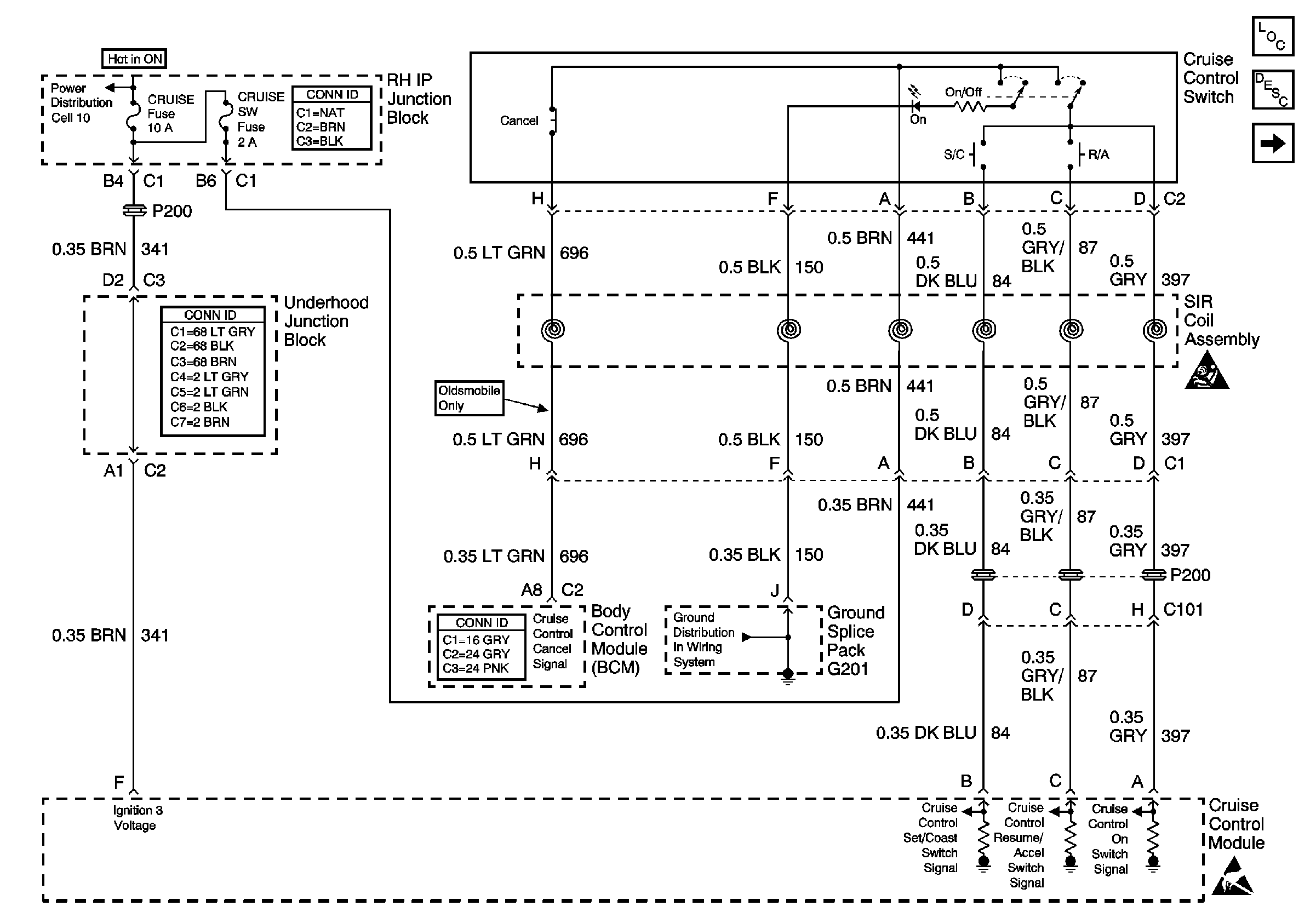
Figure
1:
Cell 34: Cruise Control Switch and SIR Coil Assembly
Cruise Control Components
Cruise Control System Circuit Description
Cell 34: Cruise Control Brake Switch and Cruise Control Module
SIR Handling Caution
Power Distribution Schematics
Ground Distribution Schematics
Handling ESD Sensitive Parts Notice
Figure
2:
Cell 34: Cruise Control Brake Switch and Cruise Control Module
Cruise Control Components
Cruise Control System Circuit Description
Cell 34: Cruise Control Switch and SIR Coil Assembly
Handling ESD Sensitive Parts Notice
Handling ESD Sensitive Parts Notice
Handling ESD Sensitive Parts Notice
Power Distribution Schematics
Ground Distribution Schematics
Exterior Lights Schematics