GM Service Manual Online
For 1990-2009 cars only
Makes
🢒
Chevrolet
🢒
1999
🢒
Alero Export
🢒
Body and Accessories
🢒
Stationary Windows
🢒 Defogger Schematics
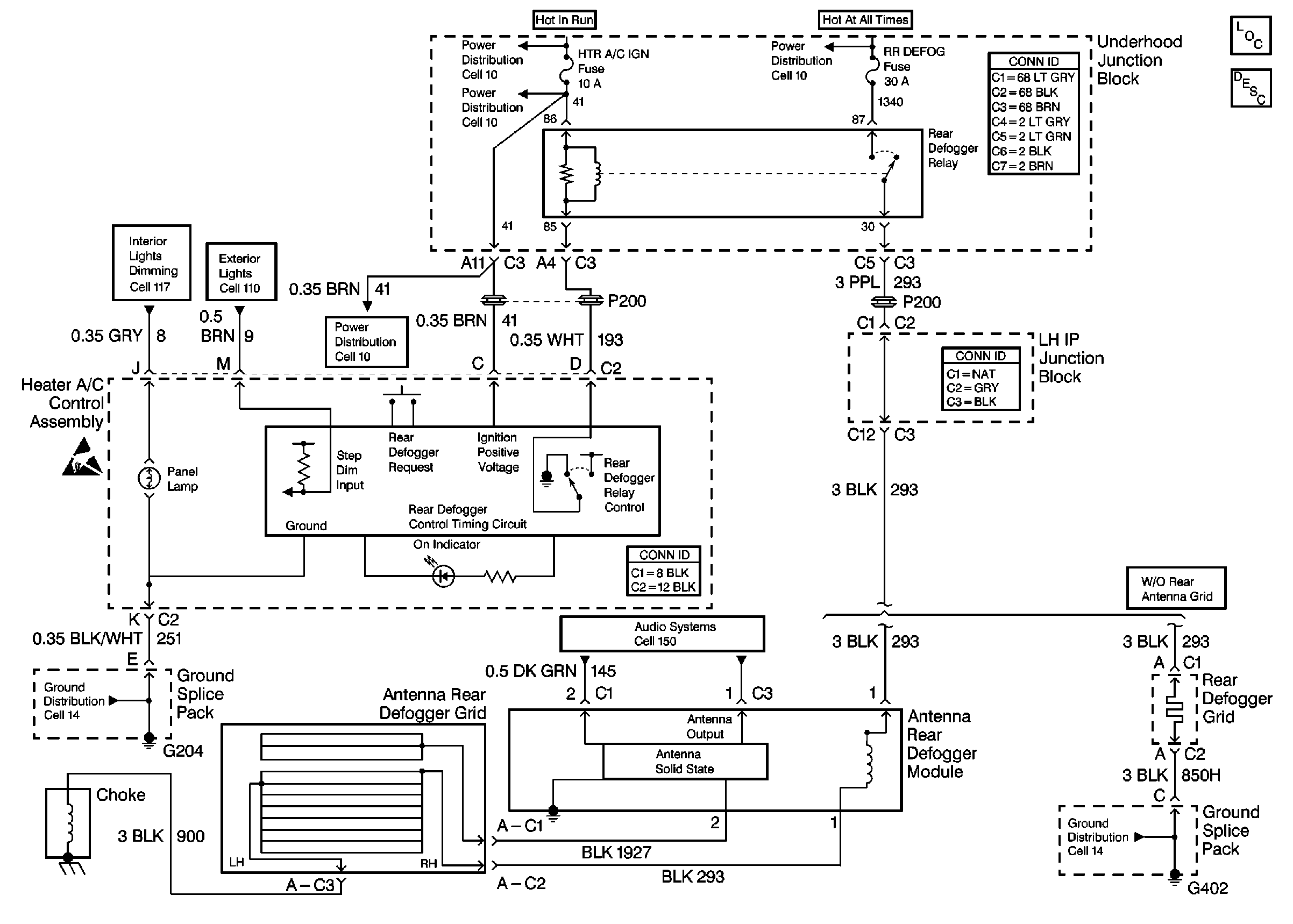
Cell 61: Rear Window Defogger
Stationary Windows Components
Rear Window Defogger Circuit Description
Handling Electrostatic Discharge Sensitive Parts Notice
Power Distribution Schematics
Power Distribution Schematics
Power Distribution Schematics
Power Distribution Schematics
Ground Distribution Schematics
Ground Distribution Schematics
Cell 117: Interior Lamps
Cell 110: Tail/Stop Lamps
Radio/Audio System Schematics