GM Service Manual Online
For 1990-2009 cars only
Figure 1:

Power, Front Speakers, and Antenna -- Oldsmobile


Object Number: 238550  Size: FS
Entertainment Components
Radio/Audio System Circuit Description
Cassette Controls, Ground, and Rear Speakers
Defogger Schematics
Interior Lights Dimming Schematics
Exterior Lights Schematics
Power Distribution Schematics
Power Distribution Schematics
Handling ESD Sensitive Parts Notice
Figure 2:

Cassette Controls, Ground, and Rear Speakers


Object Number: 238548  Size: FS
Entertainment Components
Radio/Audio System Description
Cell 150: Pontiac w/Remote Cassette
Cell 150: Oldsmobile
Ground Distribution Schematics
Handling ESD Sensitive Parts Notice
Handling ESD Sensitive Parts Notice
Figure 3:

Power, Front Speakers, and Antenna -- Pontiac


Object Number: 238540  Size: FS
Entertainment Components
Radio/Audio System Description
Cell 150: W/UQ3
Cassette Controls, Ground, and Rear Speakers
Interior Lights Dimming Schematics
Exterior Lights Schematics
Power Distribution Schematics
Power Distribution Schematics
Handling ESD Sensitive Parts Notice
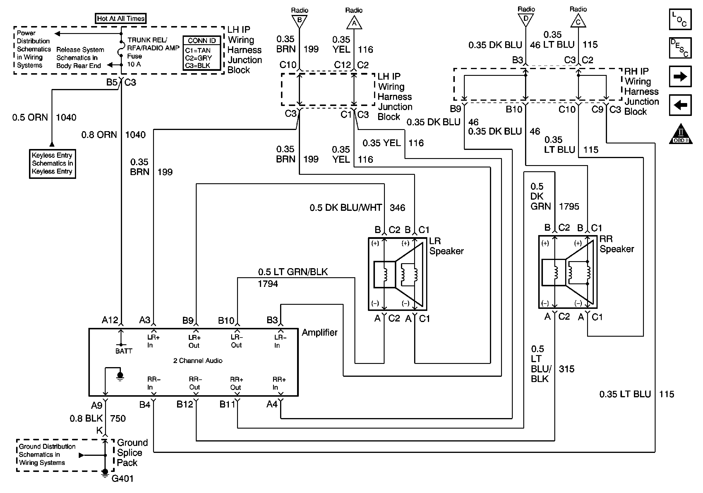
Figure 4:

Amplifier and Rear Speakers


Object Number: 238554  Size: FS
Entertainment Components
Radio/Audio System Description
99 x130 Entertainment Cell 150
Cell 150: Pontiac w/Remote Cassette
Ground Distribution Schematics
Keyless Entry Schematics
Release Systems Schematics
Power Distribution Schematics