GM Service Manual Online
For 1990-2009 cars only
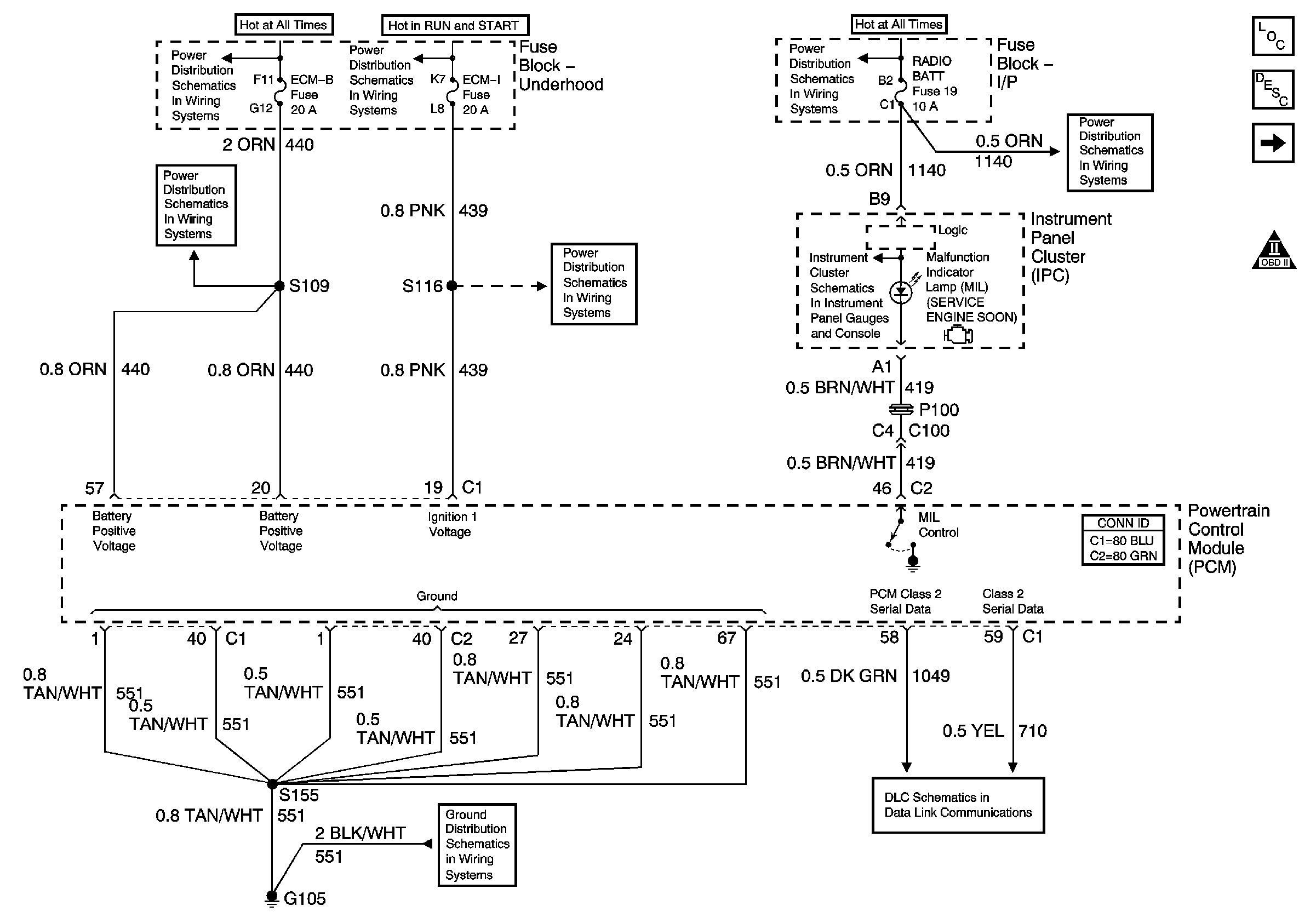
Figure 1:

Module Power, Ground, Serial Data, and MIL


Object Number: 896186  Size: FS
Master Electrical Component List
Powertrain Control Module Description
Engine Data Sensors
OBD II Symbol Description Notice
B+ Bus
Ignition Switch - START, RUN/START, and OFF/RUN/START Bus Bars
B+ Bus
CIG LTR, CRANK, and RADIO BATT Fuses
ABS, A/C COMP, ECM-B, HORN, HTD MIR/RR DEFOG, and RAP Fuses
ECM-I Fuse
Indicators
G105 and G107
Data Link Connector (DLC) Schematics
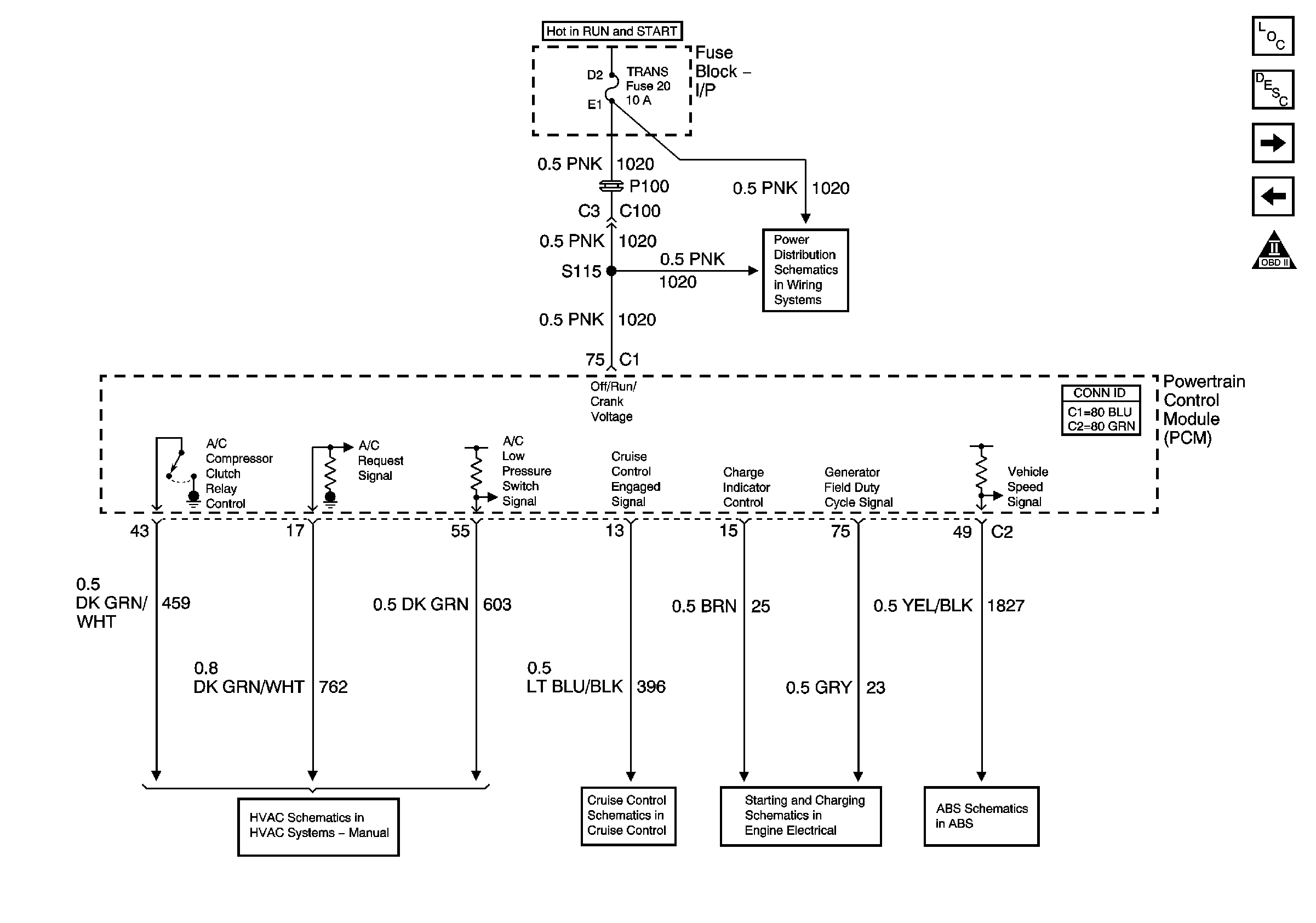
Figure 2:

Engine Data Sensor


Object Number: 896187  Size: FS
Master Electrical Component List
Air Intake System Description
Oxygen Sensors
Module Power, Ground, Serial Data, and Ground
OBD II Symbol Description Notice
Ignition Switch - START, RUN/START, and OFF/RUN/START Bus Bars
ENG-I, and IGN-E Fuses
Gages
G104
G105 and G107
G100, G106, and G302
Engine Controls Schematic Icons
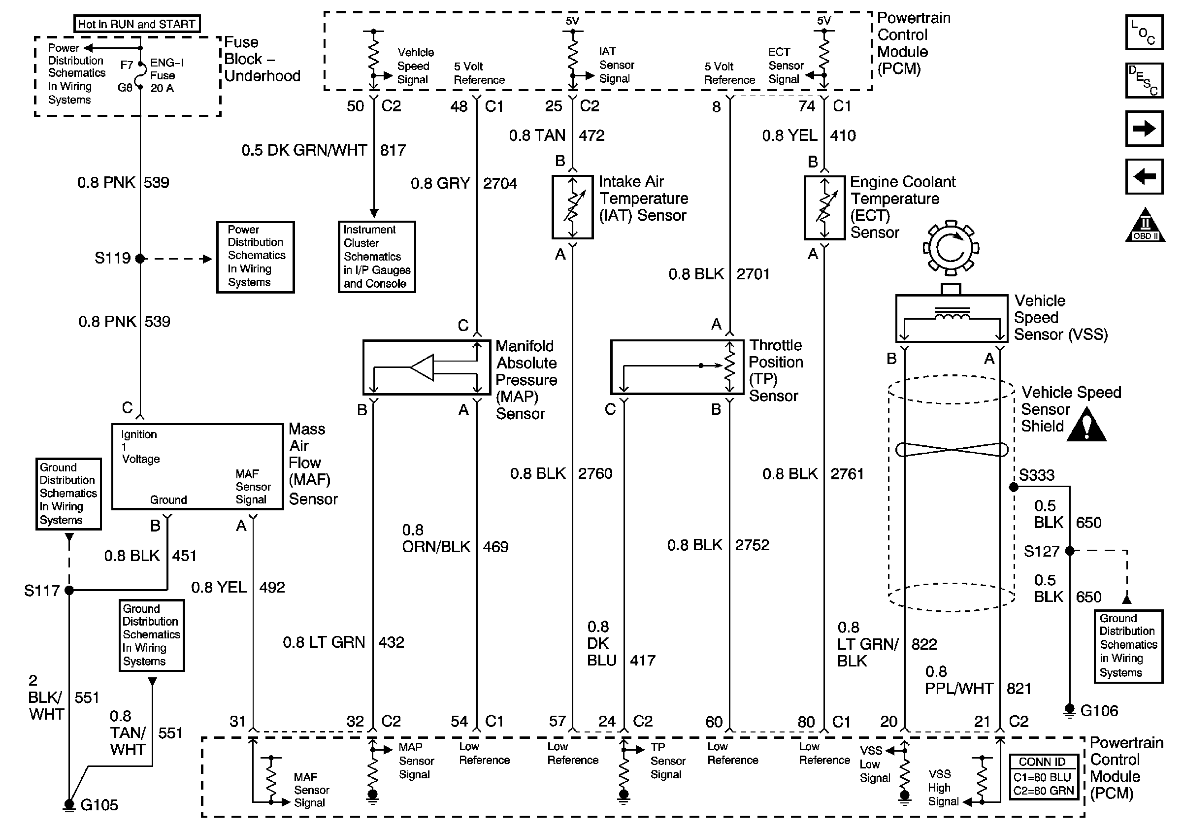
Figure 3:

Oxygen Sensors


Object Number: 896191  Size: FS
Master Electrical Component List
Powertrain Control Module Description
Ignition Controls
Engine Data Sensors
OBD II Symbol Description Notice
Ignition Switch - START, RUN/START, and OFF/RUN/START Bus Bars
ENG-I, and IGN-E Fuses
Figure 4:

Ignition Controls


Object Number: 896195  Size: FS
Master Electrical Component List
Knock Sensor (KS) System Description
Fuel Controls
Oxygen Sensors
OBD II Symbol Description Notice
Ignition Switch - START, RUN/START, and OFF/RUN/START Bus Bars
ECM-I Fuse
G100, G106, and G302
G105 and G107
Figure 5:

Fuel Controls


Object Number: 896198  Size: FS
Master Electrical Component List
Fuel System Description
Fuel Injection Controls
Ignition Controls
OBD II Symbol Description Notice
B+ Bus
ABS, A/C COMP, ECM-B, HORN, HTD MIR/RR DEFOG, and RAP Fuses
G104
Figure 6:

Fuel Injection Controls


Object Number: 896202  Size: FS
Master Electrical Component List
Fuel System Description
Fuel and Device Controls
Fuel Controls
OBD II Symbol Description Notice
Ignition Switch - START, RUN/START, and OFF/RUN/START Bus Bars
ECM-I Fuse
Figure 7:

Fuel And Device Controls


Object Number: 896250  Size: FS
Master Electrical Component List
Evaporative Emission Control System Description
Controlled/Monitored Subsystem References
Fuel Injection Controls
OBD II Symbol Description Notice
Ignition Switch - START, RUN/START, and OFF/RUN/START Bus Bars
B+ Bus
ENG-I, and IGN-E Fuses
ABS, A/C COMP, ECM-B, HORN, HTD MIR/RR DEFOG, and RAP Fuses
Figure 8:

Controlled/Monitored Subsystem References


Object Number: 896257  Size: FS
Master Electrical Component List
Powertrain Control Module Description
Transmission Controls - A/T
Fuel and Device Controls
OBD II Symbol Description Notice
TRANS, and WINDOWS Circuit Breaker
Compressor Controls
Cruise Control Schematics
Charging
EBCM Controls
Figure 9:

Transmission Controls - A/T


Object Number: 896261  Size: FS
Master Electrical Component List
Powertrain Control Module Description
Controlled/Monitored Subsystem References
OBD II Symbol Description Notice
Switch Inputs and PNP Switch
Stop Lamp Switch and Valve Controls
Stop Lamp Switch and Valve Controls
Switch Inputs and PNP Switch
Stop Lamp Switch and Valve Controls