GM Service Manual Online
For 1990-2009 cars only
Makes
🢒
Chevrolet
🢒
2004
🢒
Aveo
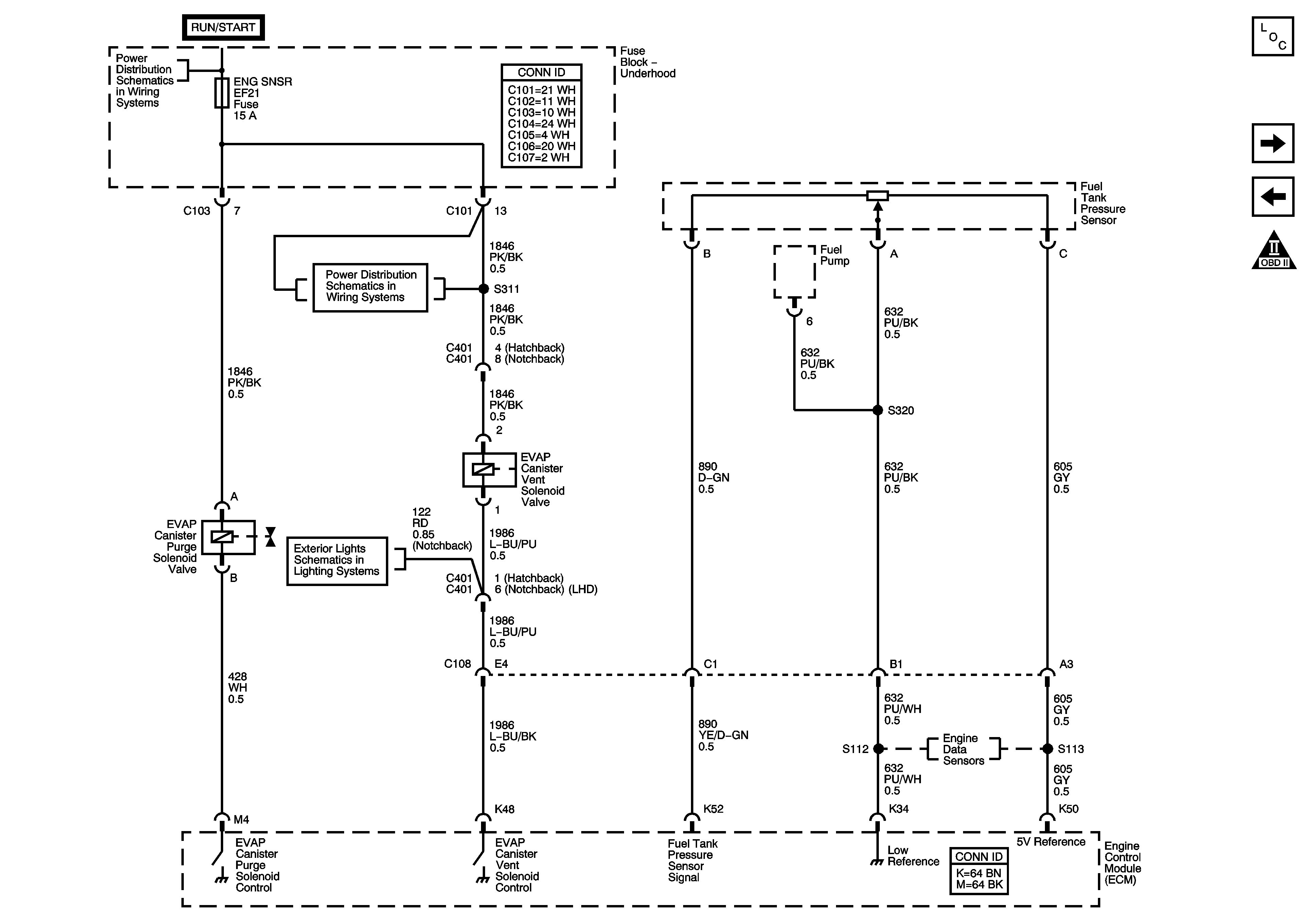
🢒 Fuel Controls - EVAP Controls
Fuel Controls - EVAP Controls
Fuel Controls - EVAP Controls
Master Electrical Component List
Device Controls
Fuel Controls - Fuel Pump Controls and Injectors
Antilock Brake System Schematic Icons
Underhood Fuse Block - MAIN Relay and ECM, ENG SNSR, and INJ Fuses - MR-140
Underhood Fuse Block - MAIN Relay and ECM, ENG SNSR, and INJ Fuses - MR-140
Park Lamp and License Plate Lamps
Engine Data Sensors - Pressure and Temperature