GM Service Manual Online
For 1990-2009 cars only
Makes
🢒
Chevrolet
🢒
2004
🢒
Aveo
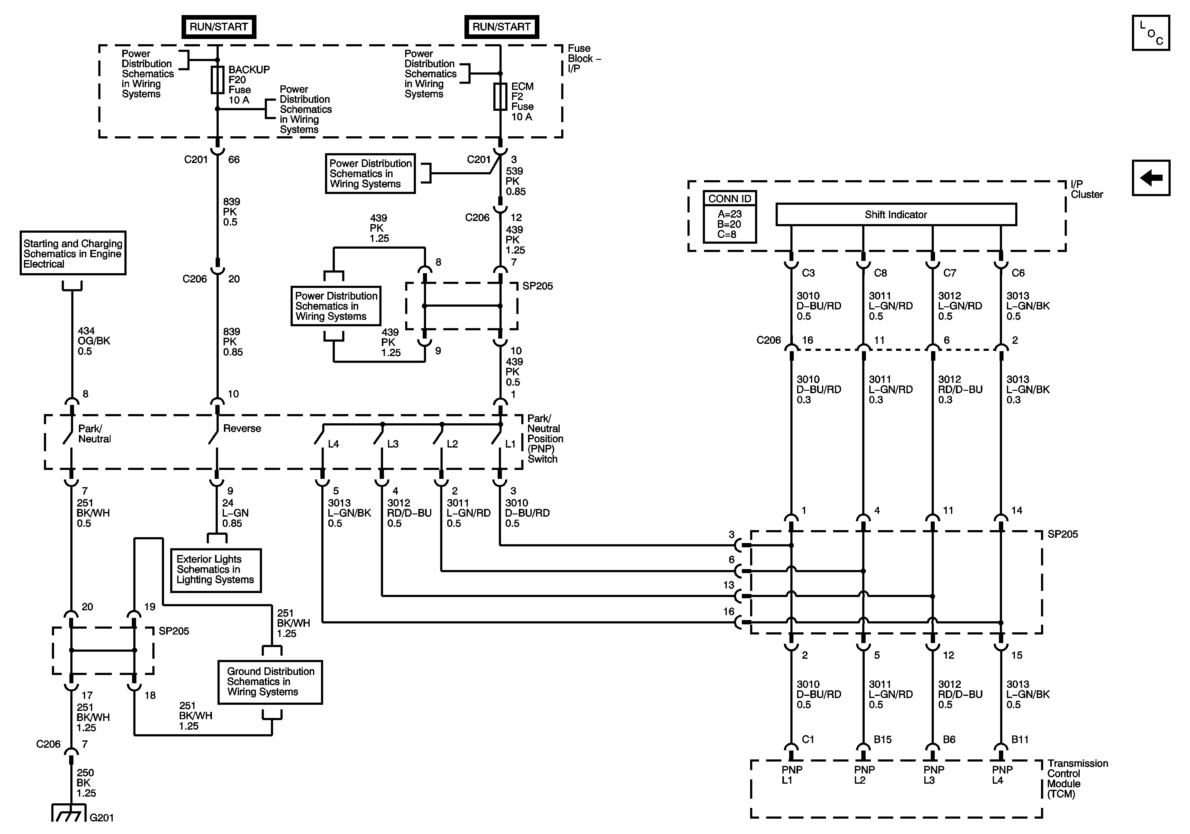
🢒 Park/Neutral Position (PNP) Switch
Park/Neutral Position (PNP) Switch
Park/Neutral Position (PNP) Switch
Master Electrical Component List
Vehicle Speed Signal
I/P Fuse Block - CLSTR, AIR BAG, BCK/UP, and ENG FUSE BOX DRL Fuses
I/P Fuse Block - CLSTR, AIR BAG, BCK/UP, and ENG FUSE BOX DRL Fuses
I/P Fuse Block - ECM Fuse
Starting and Charging
I/P Fuse Block - ECM Fuse
I/P Fuse Block - ECM Fuse
Backup Lamps (Notchback)
G201