GM Service Manual Online
For 1990-2009 cars only
Makes
🢒
Chevrolet
🢒
2004
🢒
Aveo
🢒 Starting and Charging
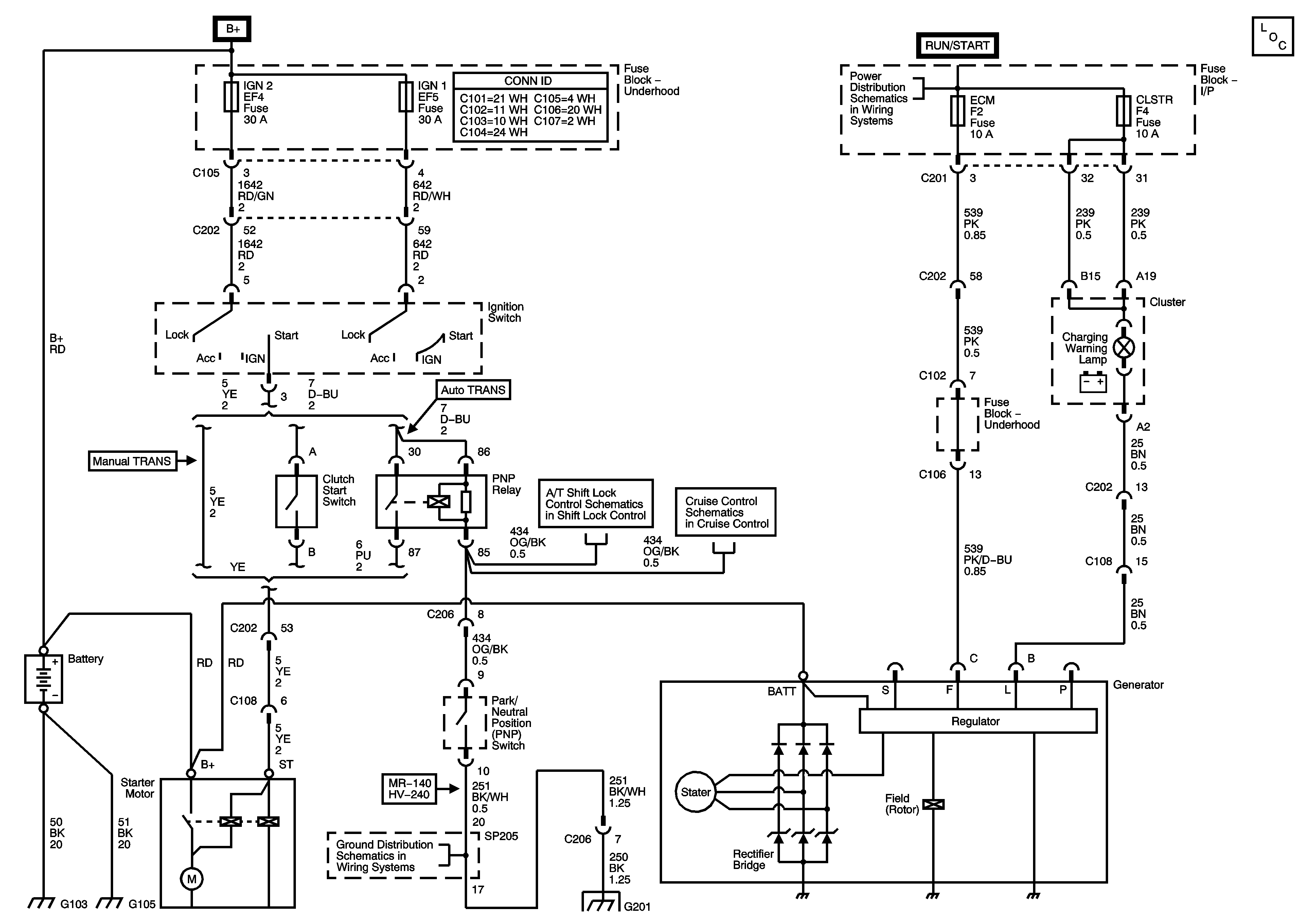
Starting and Charging
Master Electrical Component List
I/P Fuse Block - ECM Fuse
Shift Lock Control - w/ Ignition Lock Cylinder Control Actuator
Automatic Transmission
G201