GM Service Manual Online
For 1990-2009 cars only
Makes
🢒
Chevrolet
🢒
2007
🢒
Aveo HB
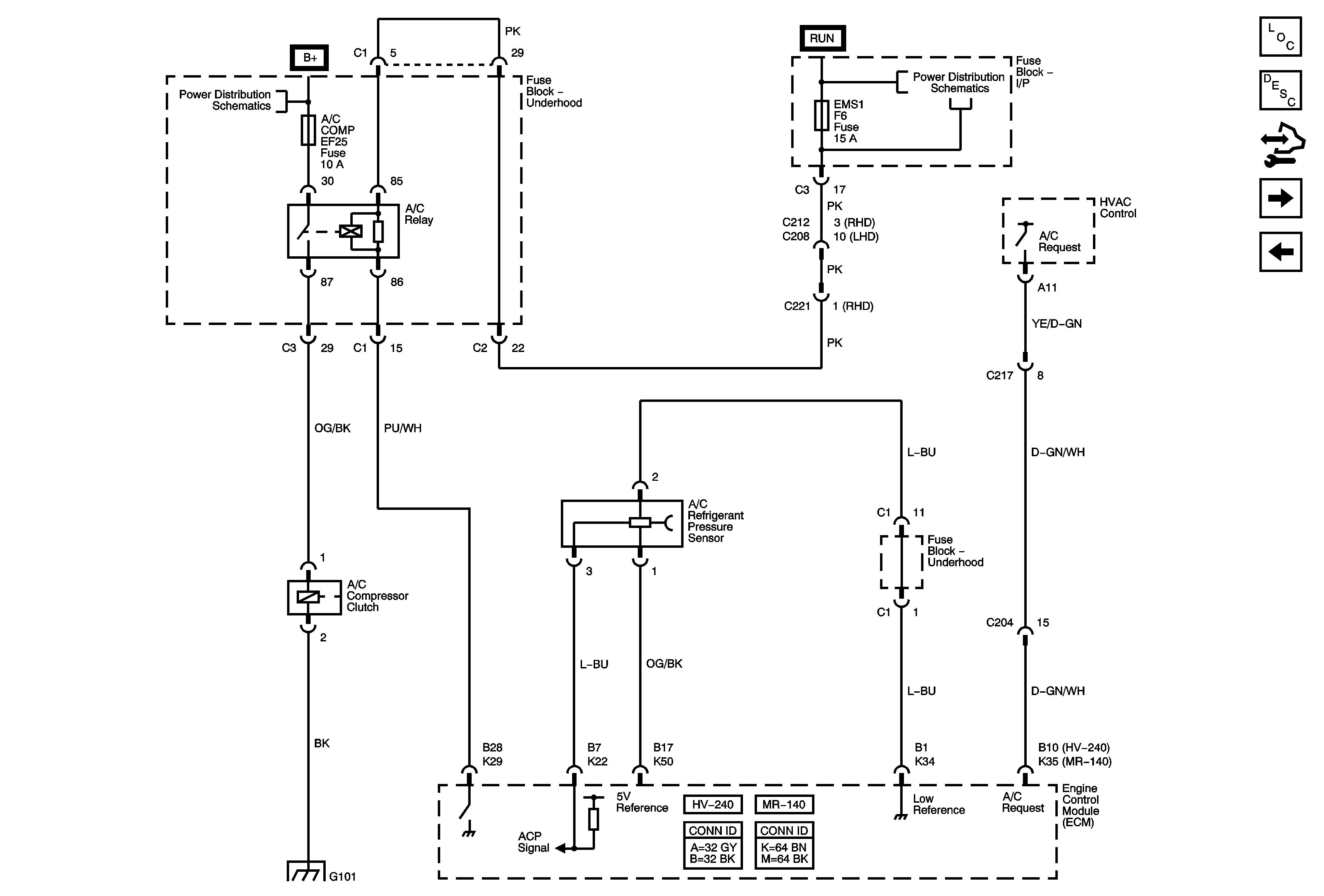
🢒 Compressor Control MR140, HV240
Compressor Control MR140, HV240
Compressor Control MR140, HV240
Master Electrical Component List Notchback
Automatic HVAC Description and Operation
Control Module References
HVAC Control, HVAC Sensors
Compressor Control Sirius D42
FAN LOW, FAN HI, A/C COMP, P/WINDOW Relays and Fuses
SDM, EMS 1, EMS 2 Fuses
G101, G103, G104