GM Service Manual Online
For 1990-2009 cars only
Makes
🢒
Chevrolet
🢒
2007
🢒
Aveo HB
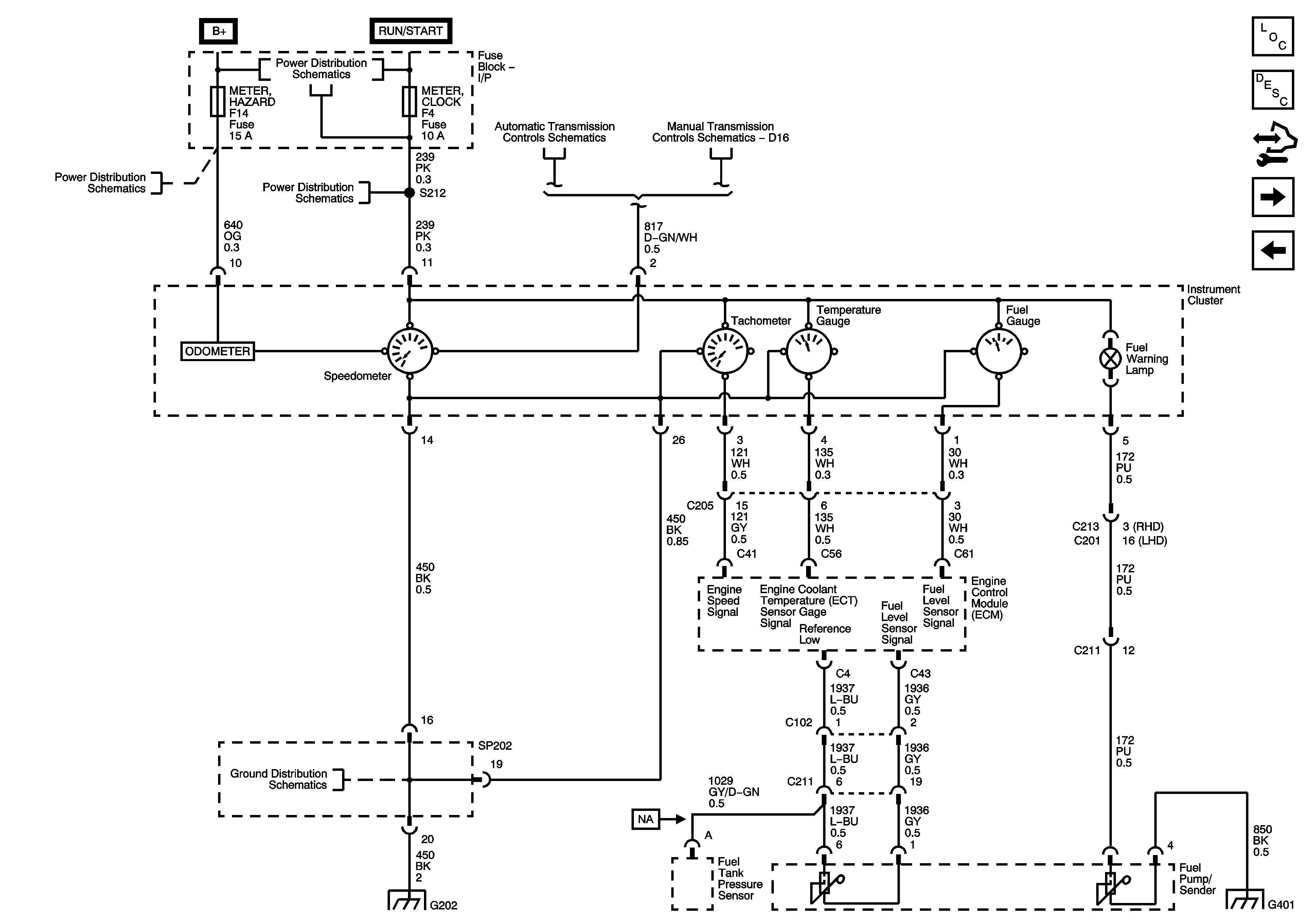
🢒 Instrument ClusterGages 1.6L
Instrument ClusterGages 1.6L
1.6L Gages
Master Electrical Component List Hatchback
Instrument Panel Description
Control Module References
Indicators 1 of 2
Instrument Cluster Gages 1.4L, 1.5L
Battery Feed
Battery Feed
Battery Feed
Power and Grounds
VSS 1.6L
Ground Distribution G101, G102 - 1 of 2 and G105
Ground Distribution G202 - 1 of 3
Ground Distribution G401