GM Service Manual Online
For 1990-2009 cars only
Makes
🢒
Chevrolet
🢒
2007
🢒
Aveo HB
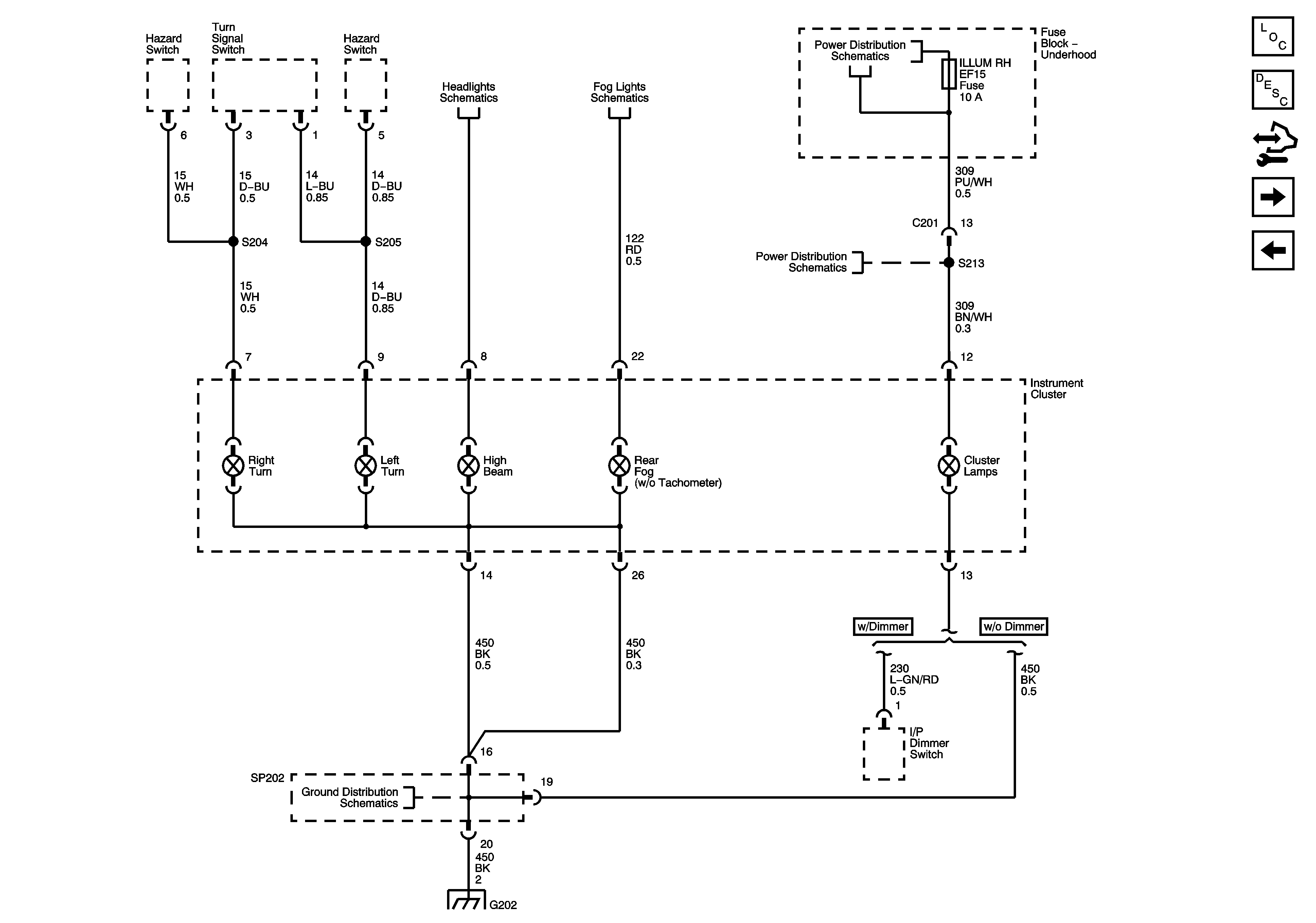
🢒 Indicators 1 of 2
Indicators 1 of 2
Indicators - 1 of 2
Master Electrical Component List (Hatchback)
Instrument Panel Description
Control Module References
Indicators 2 of 2
Instrument Cluster Gages 1.6L
Headlight Leveling Hatchback
Fog Lights (Hatchback)
Battery Feed
Battery Feed
Ground Distribution G202 - 3 of 3, G201
Ground Distribution G202 - 1 of 3