GM Service Manual Online
For 1990-2009 cars only
Makes
🢒
Chevrolet
🢒
2007
🢒
Aveo HB
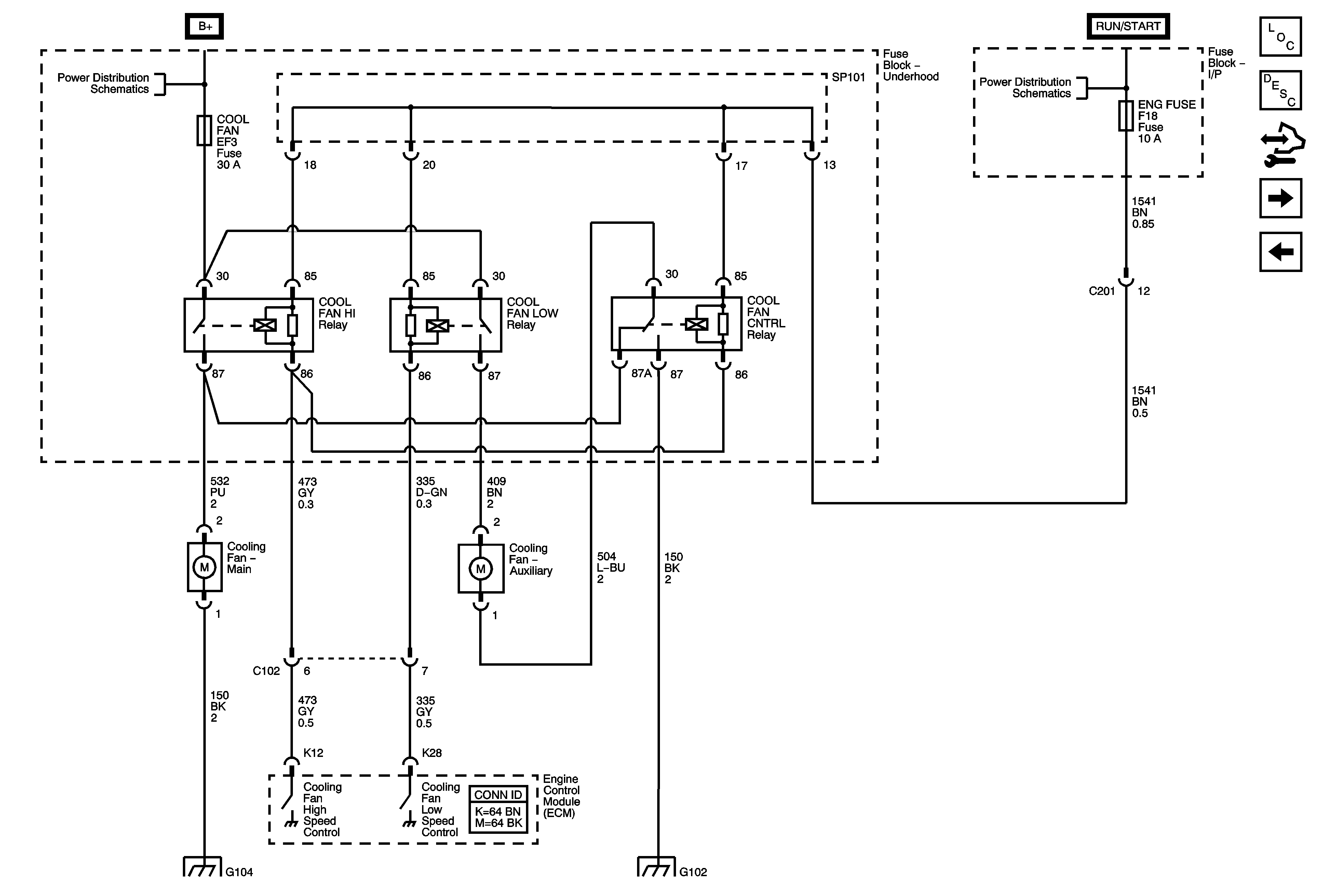
🢒 Engine Cooling 1.4L, 1.5L
Engine Cooling 1.4L, 1.5L
1.4L, 1.5L
Master Electrical Component List (Hatchback)
Cooling System Description and Operation
Control Module References
Engine Cooling 1.6L
Engine Cooling 1.2L
Battery Feed
Power Distribution Fuse F18
G104
Ground Distribution G101, G102 - 1 of 2 and G105