GM Service Manual Online
For 1990-2009 cars only
Makes
🢒
Chevrolet
🢒
2001
🢒
Blazer - 2WD
🢒
Body and Accessories
🢒
Wipers/Washer Systems
🢒 Wiper/Washer Schematics
Figure
1:
Pulse Wipers
Master Electrical Component List
Wiper/Washer System Description and Operation
Rear Wipers
Ign ACC, RUN and RAP Bus Bar
Headlamp Washer System (Export Only)
Heated Oxygen Sensors
Oxygen Sensors
G104 and G117
Figure
2:
Rear Wipers
Master Electrical Component List
Rear Wiper/Washer System Description and Operation
Headlamp Washer System (Export Only)
Pulse Wipers
Ign ACC, RUN and RAP Bus Bar
B+ Bus Bar
Power and Ground
G102 (Except Export)
G102 (Except Export)
G420,G450 and S427 (Utility w/ Endgate and Crew Cab)
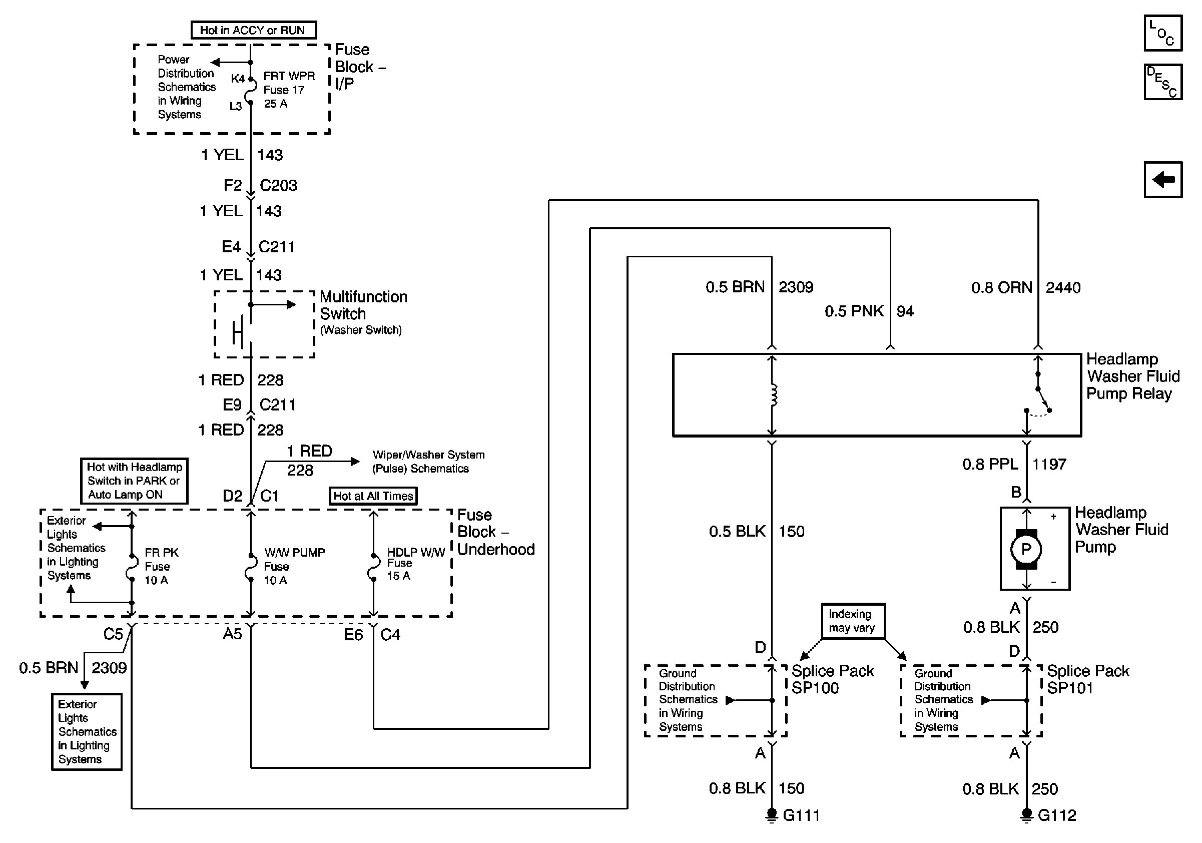
Figure
3:
Headlamp Washer System (Export Only)
Master Electrical Component List
Headlamp Washer System Description and Operation
Rear Wipers
Ign ACC, RUN and RAP Bus Bar
Park Lamp and Marker Lamps, Front
Pulse Wipers
Park Lamp and Marker Lamps, Front
G109, G111, G112 and G113 (Except Export)
G109, G111, G112 and G113 (Except Export)