GM Service Manual Online
For 1990-2009 cars only
Figure 1:

TBC, PARK LPS, GAUGES and CRUISE Fuses


Object Number: 669342  Size: FS
Master Electrical Component List
Audible Warnings Description and Operation
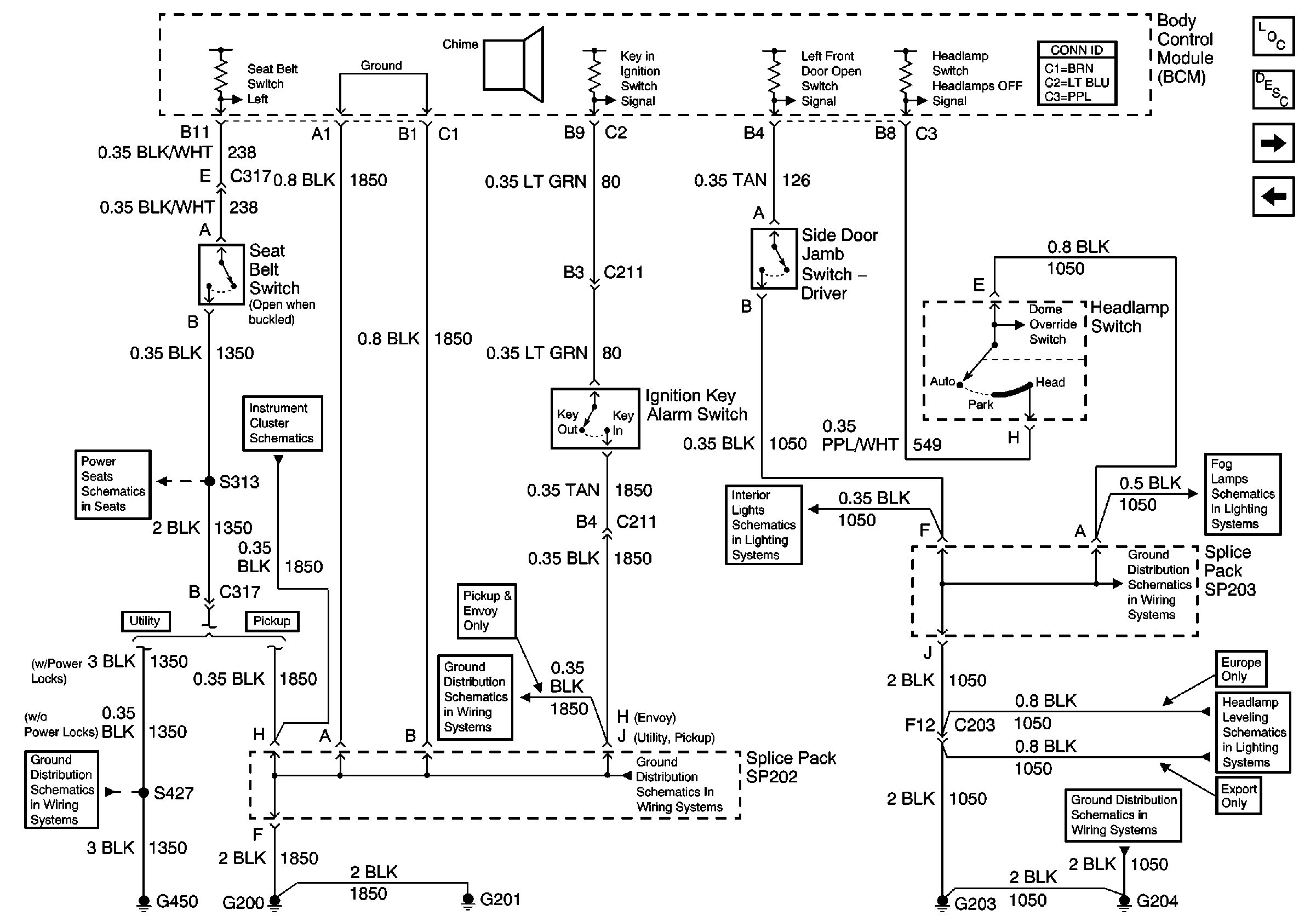
Seat Belt Switch, Ignition Key Alarm Switch, Door Jamb Switch and Headlamp Switch
Keyless Entry Schematics
STUD 2, ABS, TBC and RR W/W Fuses
ILLUM and PARK LP Fuses
Ign RUN and START Bus Bar
Ign ACC, RUN and RAP Bus Bar
Power and Ground
Power and Ground
ILLUM and PARK LP Fuses
HVAC and CRUISE Fuses
Figure 2:

Seat Belt Switch, Ignition Key Alarm Switch, Door Jamb Switch and Headlamp Switch


Object Number: 669348  Size: FS
Master Electrical Component List
Audible Warnings Description and Operation
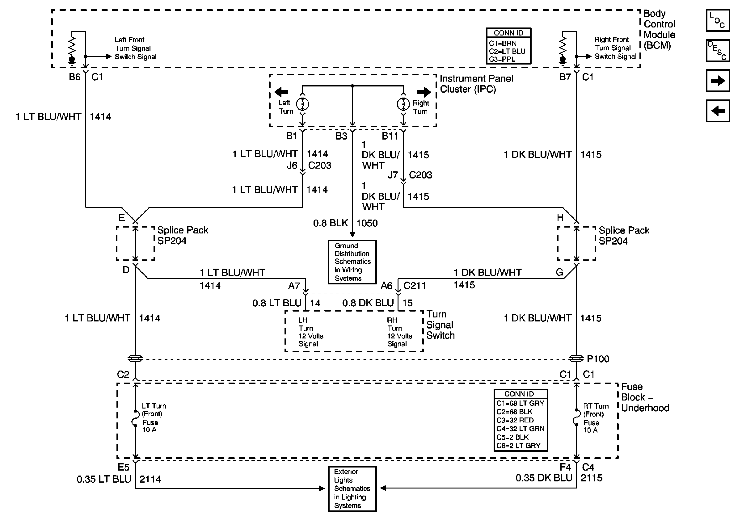
Turn Signals
TBC, PARK LPS, GAUGES and CRUISE Fuses
6-Way LH Power Seat
Indicators
G420,G450 and S427 (Utility w/ Endgate and Crew Cab)
G200, G201 and G207 (Envoy)
G200, G201 and G207 (Pickup and Crew Cab)
Front Door Jamb and Door Handle Switches
Rear (Export)
G203 and G204 (Pickup)
Headlight Leveling Schematics (Export)
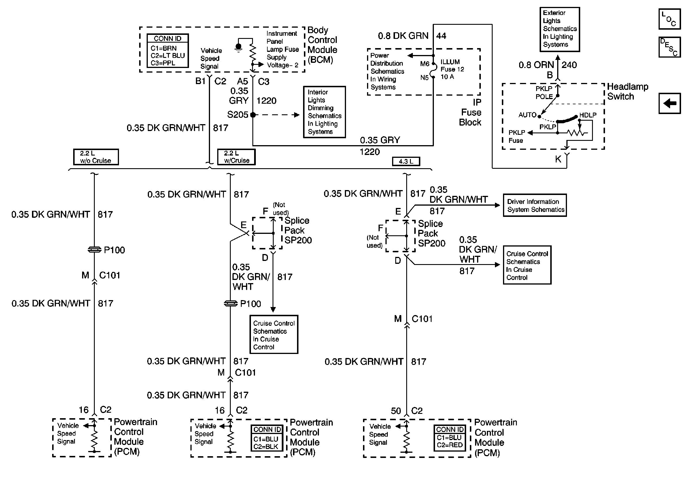
BCM, PCM/VCM and Headlamp Switch
G203 and G204 (Pickup)
Figure 3:

Turn Signals


Object Number: 669352  Size: FS
Master Electrical Component List
Audible Warnings Description and Operation
BCM, PCM/VCM and Headlamp Switch
Seat Belt Switch, Ignition Key Alarm Switch, Door Jamb Switch and Headlamp Switch
G203 and G204 (Envoy)
Turn Signal Lamps, Front and Turn Signal Fuses, Rear
Figure 4:

BCM, PCM/VCM and Headlamp Switch


Object Number: 669354  Size: FS
Master Electrical Component List
Audible Warnings Description and Operation
Turn Signals
ILLUM Fuse 12
ILLUM and PARK LP Fuses
Seat Belt Switch, Ignition Key Alarm Switch, Door Jamb Switch and Headlamp Switch
Park/Turn Signal Lamps, Marker and License Lamps, Rear(Pickup)
Air Temperature Sensor - Outside (w/ Trip Computer)
Clutch Pedal Position Switch, Stoplamp Switch, PCM and Cruise Control Module
Clutch Pedal Position Switch, Stoplamp Switch, PCM and Cruise Control Module