GM Service Manual Online
For 1990-2009 cars only
Makes
🢒
Chevrolet
🢒
1998
🢒
Blazer - 4WD
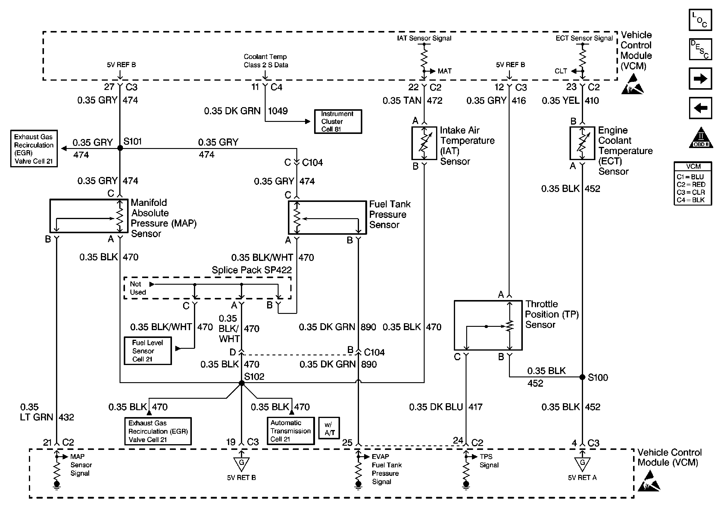
🢒 Pickup Engine Sensors
Pickup Engine Sensors
Pickup Engine Sensors
EGR And IAC Valves
Pickup Fuel Level Sensor
EGR And IAC Valves
Automatic Transmission Switch Inputs
Handling Electrostatic Discharge Sensitive Parts Notice
Handling Electrostatic Discharge Sensitive Parts Notice
Engine Controls Components
Vehicle Control Module Description
MAF Sensor And EVAP Valves
Utility Engine Sensors
OBD II Symbol Description Notice