GM Service Manual Online
For 1990-2009 cars only
Makes
🢒
Chevrolet
🢒
1998
🢒
Blazer - 4WD
🢒 Utility Engine Sensors
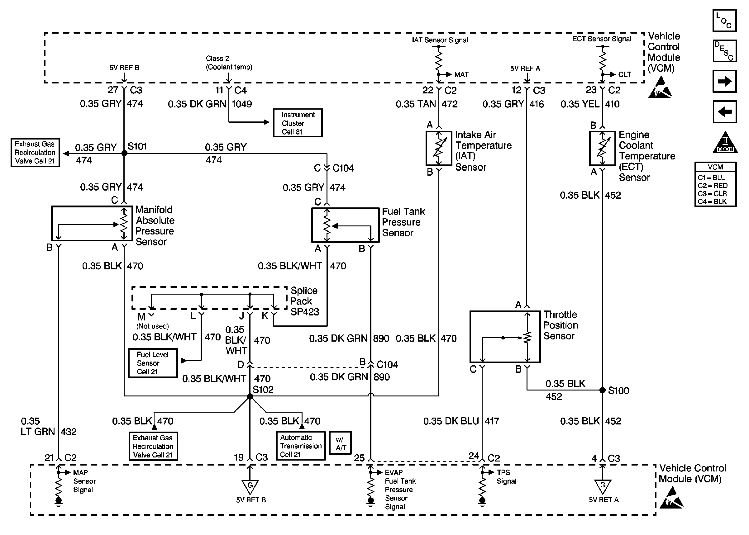
Utility Engine Sensors
Utility Engine Sensors
EGR And IAC Valves
Utility Fuel Level Sensor
EGR And IAC Valves
Automatic Transmission Switch Inputs
Handling Electrostatic Discharge Sensitive Parts Notice
Handling Electrostatic Discharge Sensitive Parts Notice
Engine Controls Components
Vehicle Control Module Description
Pickup Engine Sensors
Fuel Injection Controls
OBD II Symbol Description Notice