GM Service Manual Online
For 1990-2009 cars only
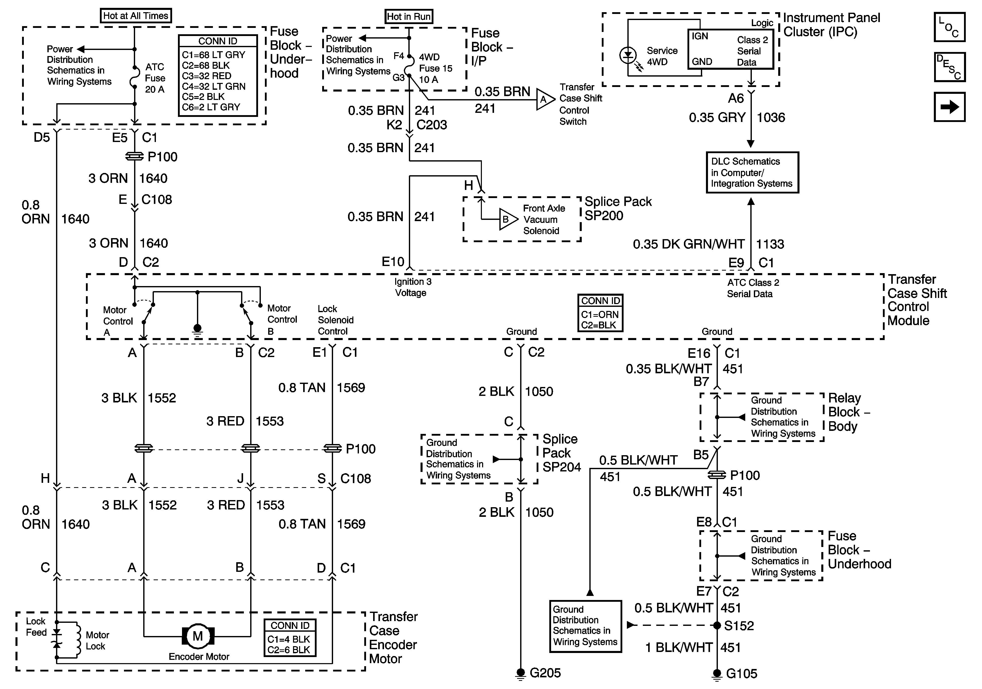
Figure 1:

Power, Ground and Transfer Case Encoder Motor


Object Number: 1509544  Size: FS
Master Electrical Component List
Transfer Case Description and Operation
CRANK Fuse, Front Axle Indicator Switch
B+ Bus Bar
Ign ACC, RUN and RAP Bus Bar
ILLUM Fuse, Shift Control Switch and Body Control Module - BCM
CRANK Fuse, Front Axle Indicator Switch
04 S/T Classic DaClass 2 Serial Data
G205
G103 and G105
G103 and G105
G103 and G105
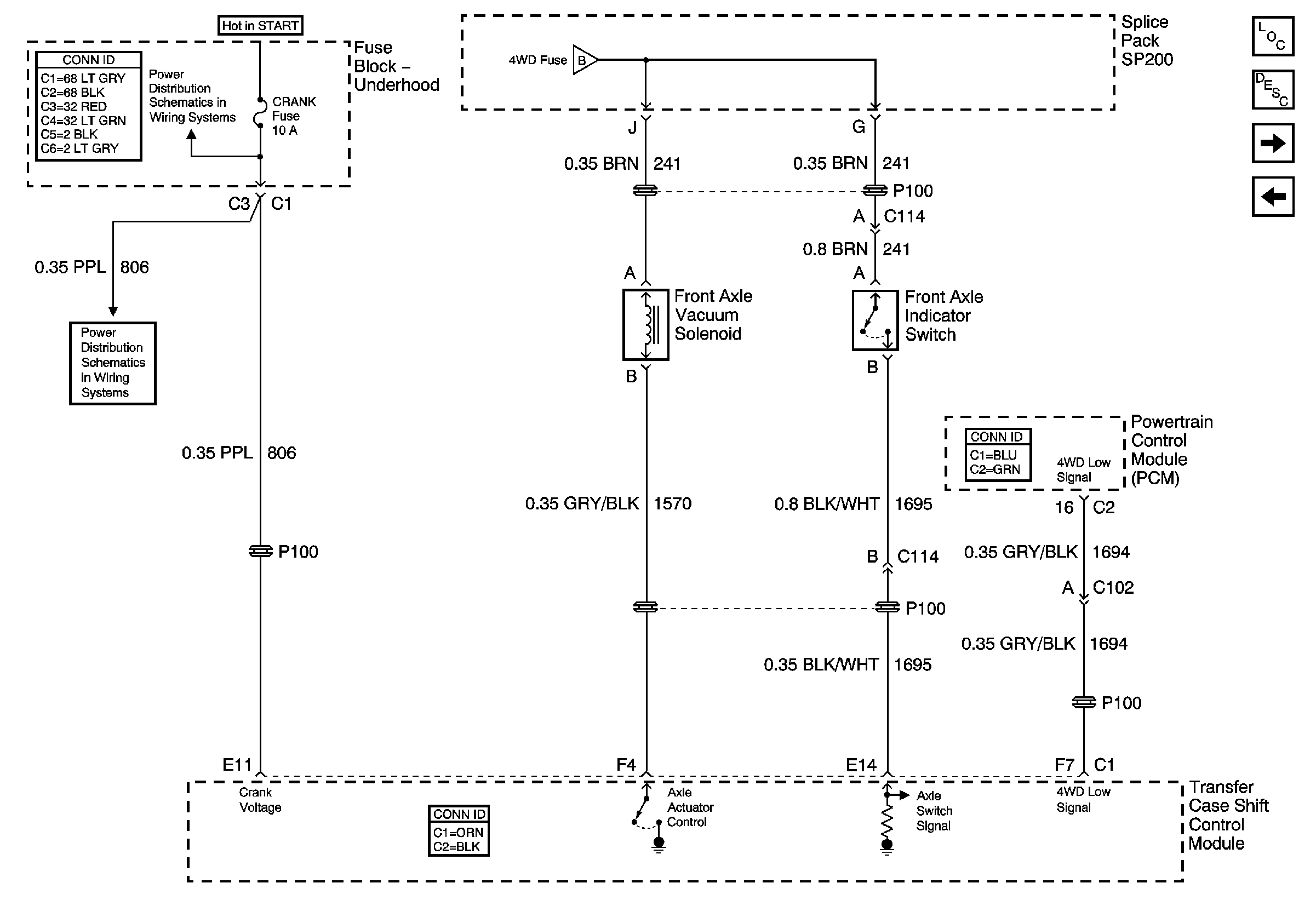
Figure 2:

CRANK Fuse, Front Axle Indicator Switch, and Front Axle Vacuum Solenoid


Object Number: 884533  Size: FS
Master Electrical Component List
Transfer Case Description and Operation
ILLUM Fuse, Shift Control Switch and Body Control Module - BCM
Power,Ground and Tranfer Case Encoder Motor
CRANK and CLSTR Fuses
CRANK and CLSTR Fuses
Power,Ground and Tranfer Case Encoder Motor
Figure 3:

ILLUM Fuse, Shift Control Switch and Body Control Module (BCM)


Object Number: 1509545  Size: FS
Master Electrical Component List
Transfer Case Description and Operation
Transfer Case Encoder Motor and Shift Control Module
CRANK Fuse, Front Axle Indicator Switch
LED Dimming Signal
ILLUM, STG WHL ILLUM, and PARK LP Fuses
ILLUM, STG WHL ILLUM, and PARK LP Fuses
Power,Ground and Tranfer Case Encoder Motor
G203 and G204 - Utility w/Manual A/C
G203 and G204 - Utility w/Manual A/C
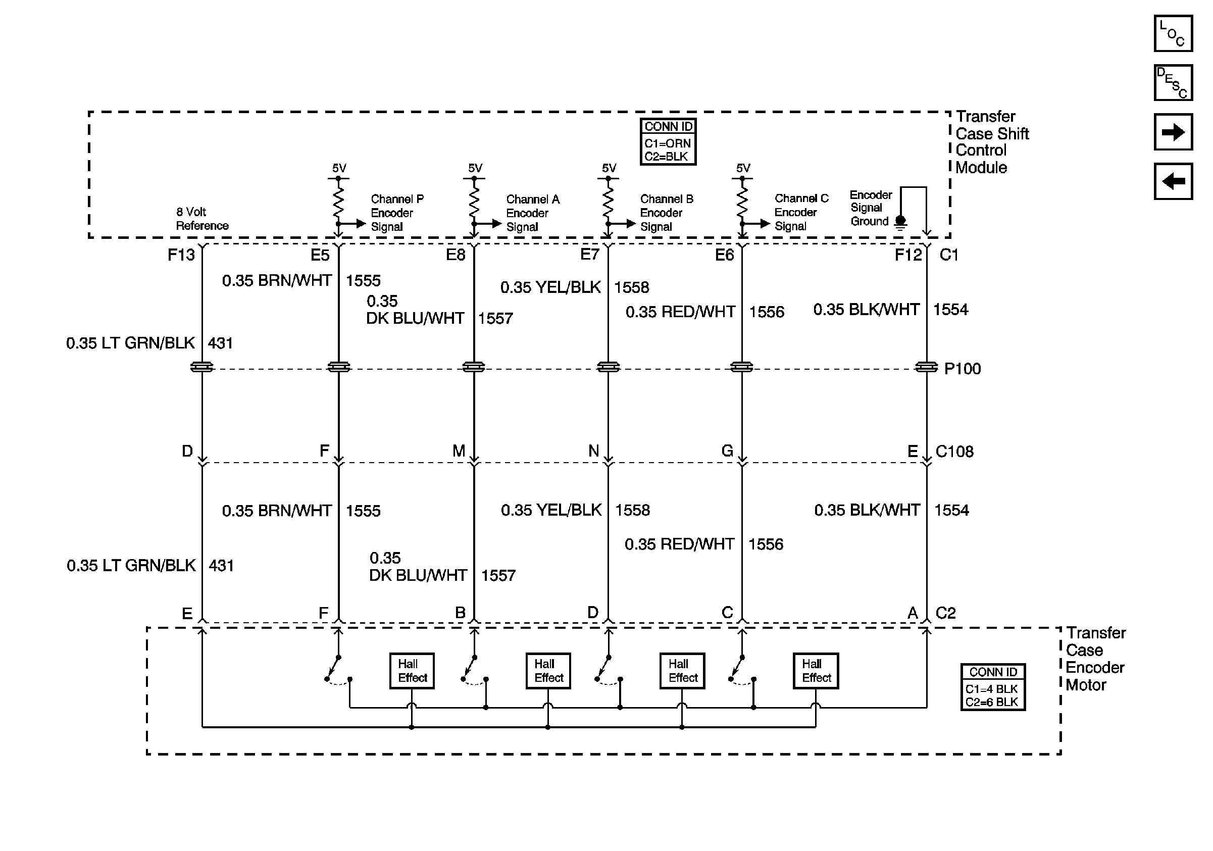
Figure 4:

Transfer Case Encoder Motor and Shift Control Module


Object Number: 755632  Size: FS
Master Electrical Component List
Transfer Case Description and Operation
Speed Sensors
ILLUM Fuse, Shift Control Switch and Body Control Module - BCM
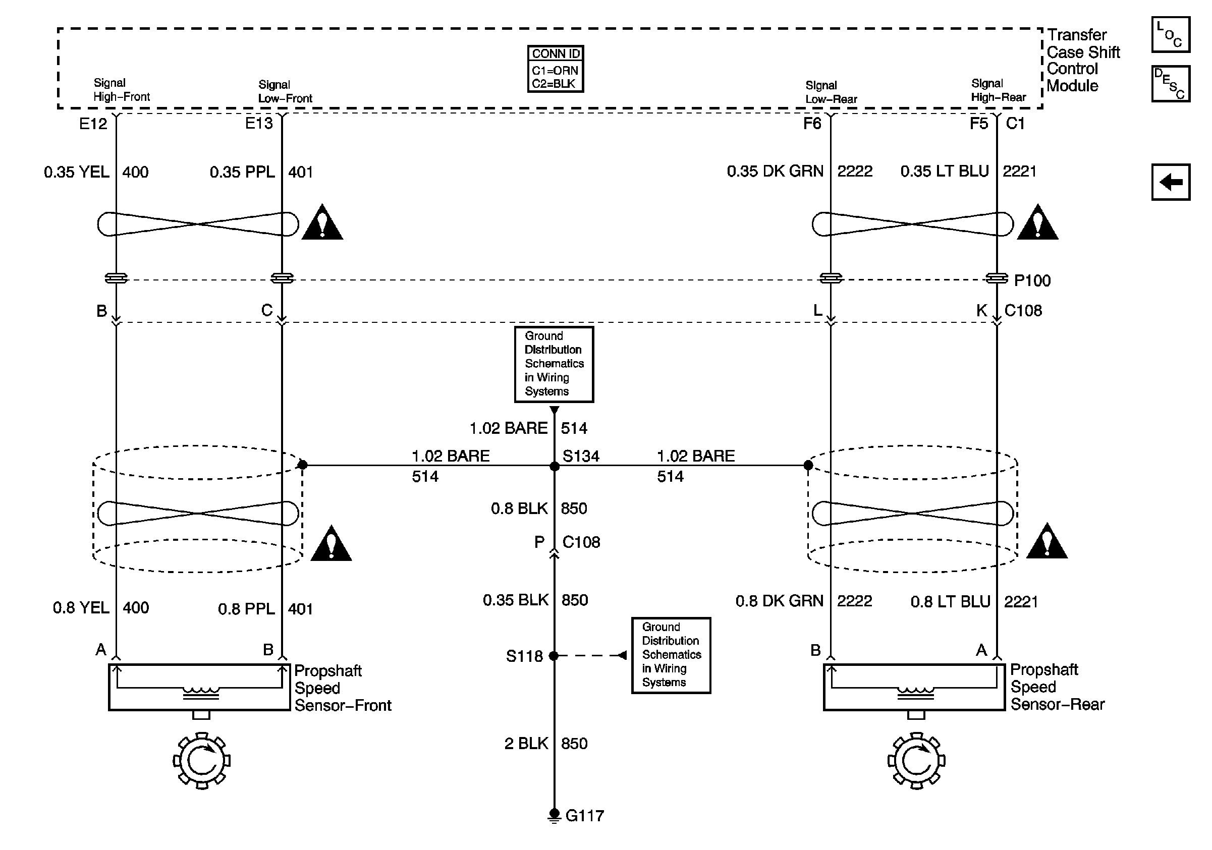
Figure 5:

Speed Sensors


Object Number: 755633  Size: FS
Master Electrical Component List
Transfer Case Description and Operation
Transfer Case Encoder Motor and Shift Control Module
Transfer Case Control Schematic Icons
Transfer Case Control Schematic Icons
Transfer Case Control Schematic Icons
Transfer Case Control Schematic Icons
G104 and G117
G104 and G117