GM Service Manual Online
For 1990-2009 cars only
Makes
🢒
Chevrolet
🢒
2000
🢒
Blazer - 4WD - RHD
🢒 Fog Lamp Relay, Front
Fog Lamp Relay, Front
Fog Lamp Relay, Front
Lighting Systems Component Views
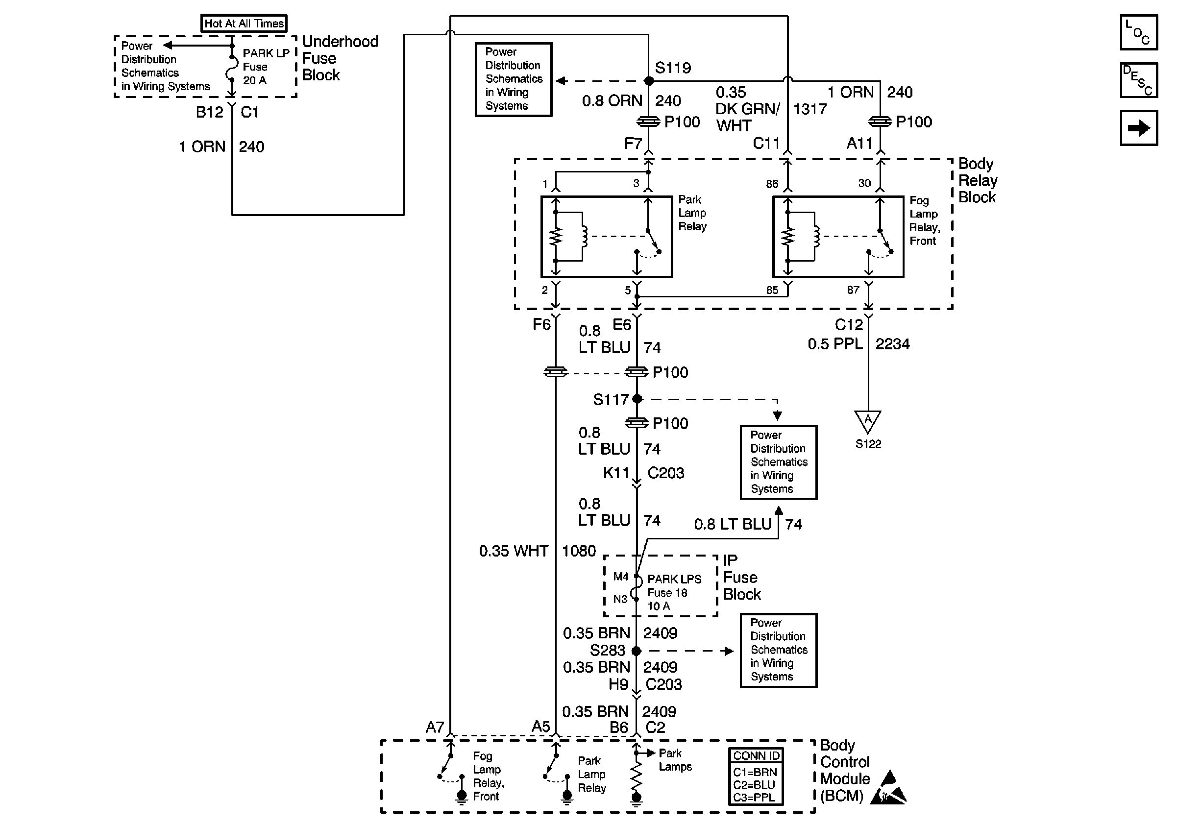
Fog Lights Circuit Description
Front Fog Lamps, LH/RH, and Fog Lamp Switch, Front
B+ Bus Bar
PARK LP, FR PRK, LR PRK, RR PRK, and TRL PRK Fuses
Front Fog Lamps, LH/RH, and Fog Lamp Switch, Front
PARK LP, FR PRK, LR PRK, RR PRK, and TRL PRK Fuses
ILLUM and PARK LP Fuses
Body Control System Connector End Views
Handling ESD Sensitive Parts Notice