GM Service Manual Online
For 1990-2009 cars only
Makes
🢒
Chevrolet
🢒
2000
🢒
Blazer - 4WD - RHD
🢒 Power, Ground and BCM
Power, Ground and BCM
Power, Ground and BCM
Lighting Systems Component Views
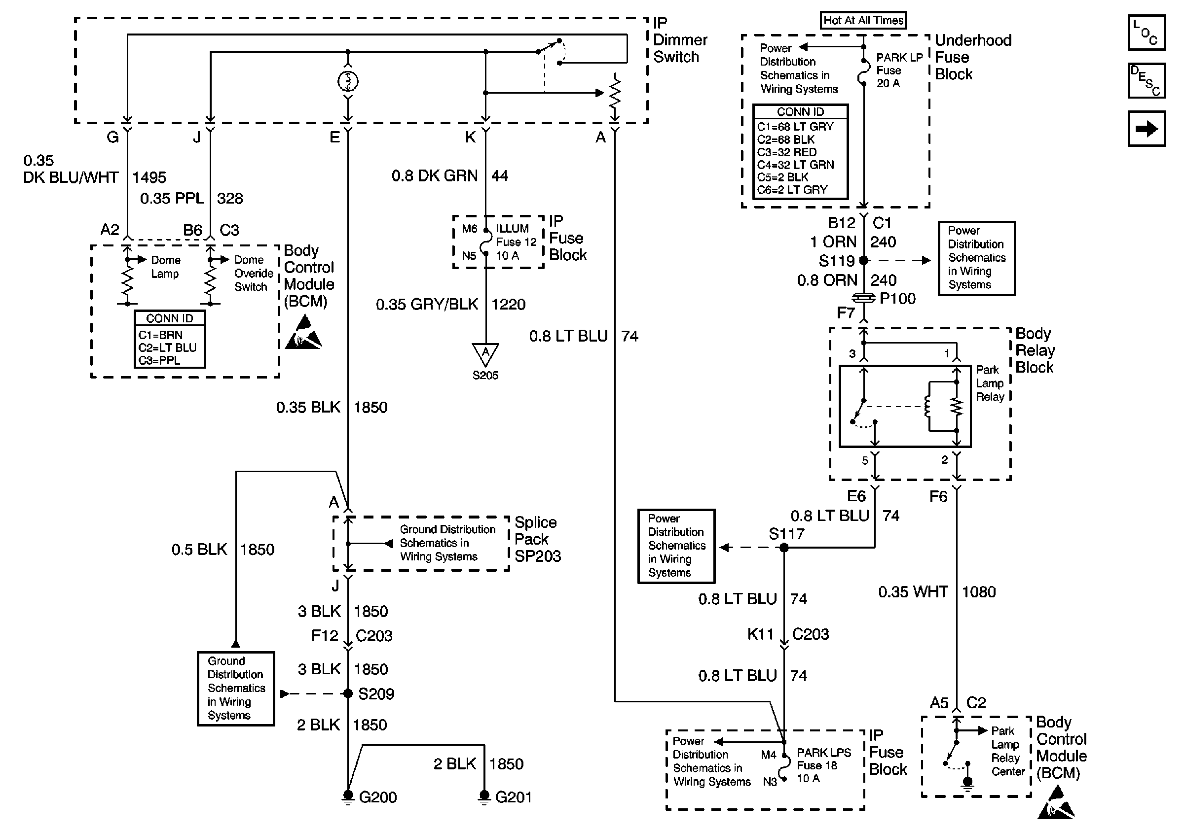
Interior Lights Dimming Circuit Description
Hazard Switch, Radio, Instrument Cluster and Ground
B+ Bus Bar
Power and Grounding Connector End Views
Body Control System Connector End Views
Handling ESD Sensitive Parts Notice
Hazard Switch, Radio, Instrument Cluster and Ground
PARK LP, FR PRK, LR PRK, RR PRK, and TRL PRK Fuses
SP203
PARK LP, FR PRK, LR PRK, RR PRK, and TRL PRK Fuses
G200 and G201
PARK LP, FR PRK, LR PRK, RR PRK, and TRL PRK Fuses
Handling ESD Sensitive Parts Notice