GM Service Manual Online
For 1990-2009 cars only
Makes
🢒
Chevrolet
🢒
2000
🢒
Blazer - 4WD - RHD
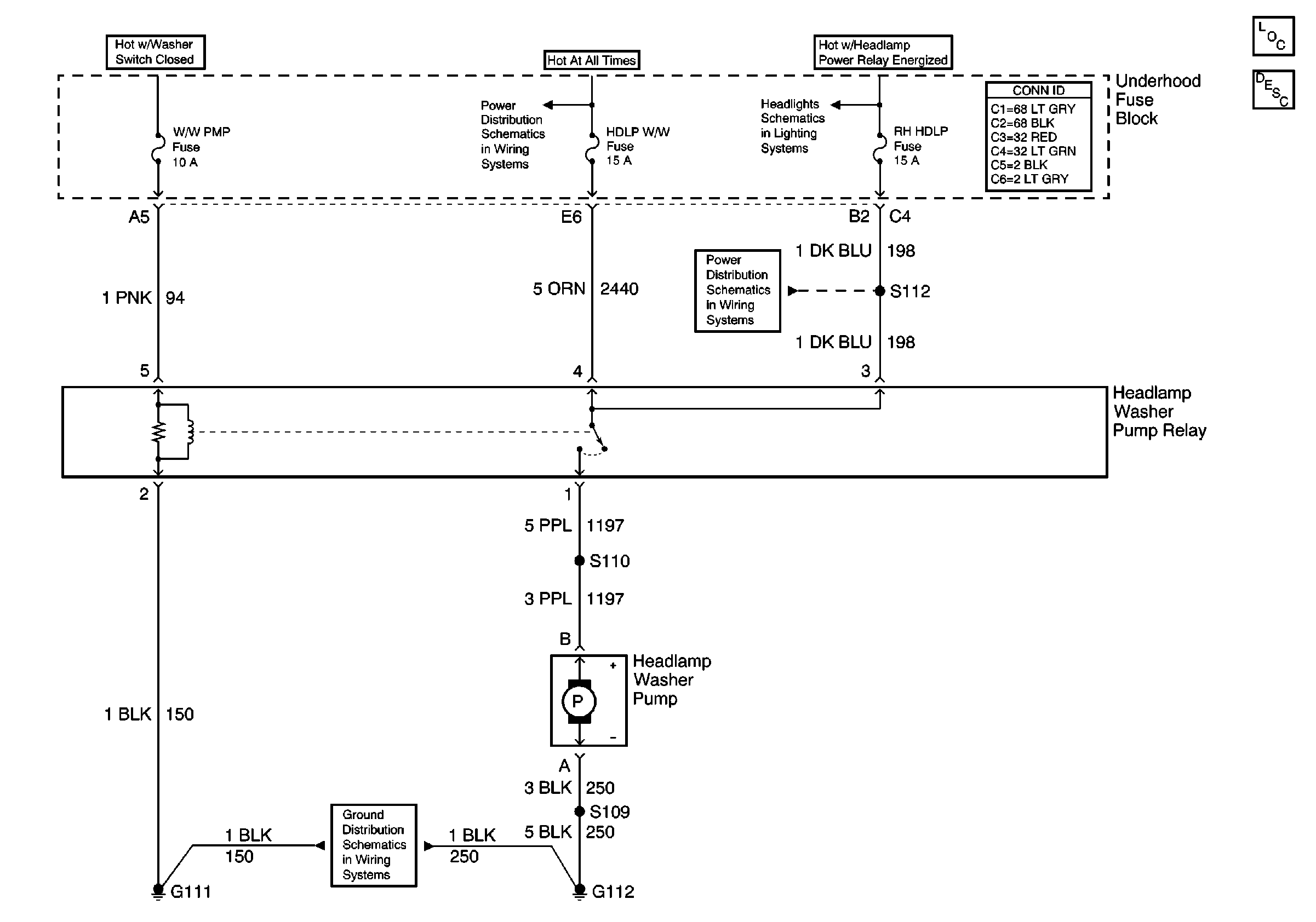
🢒 Headlamp Washer System Schematics
Headlamp Washer System Schematics
Wiper/Washer System Components
Wiper/Washer System Description
B+ Bus Bar
MIR/LKS, LH HDLP and RH HDLP Fuses
Power and Grounding Connector End Views
MIR/LKS, LH HDLP and RH HDLP Fuses
G111 and G112