GM Service Manual Online
For 1990-2009 cars only
Makes
🢒
Chevrolet
🢒
2000
🢒
Blazer - 4WD - RHD
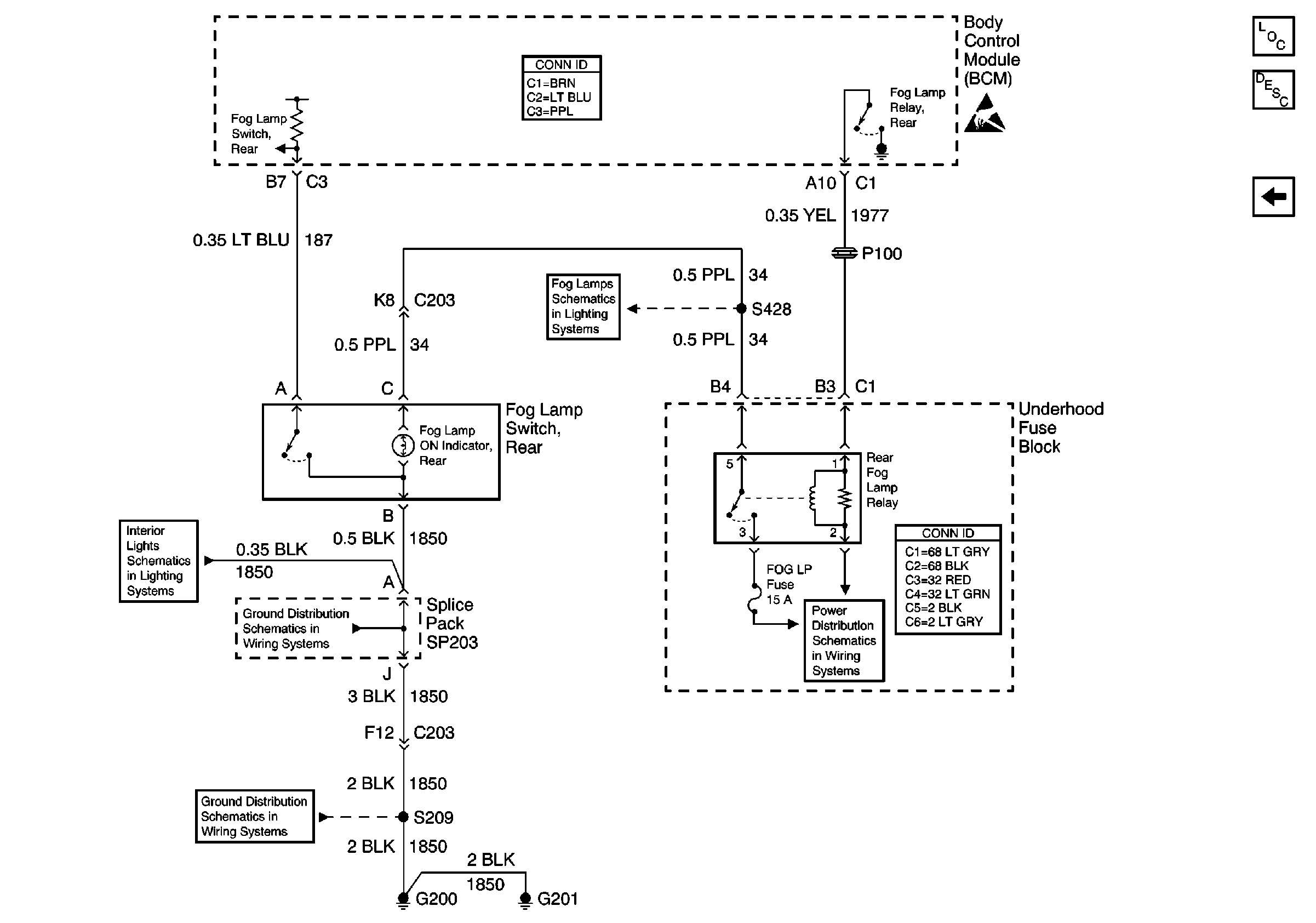
🢒 Rear Fog Lights
Rear Fog Lights
Rear Fog Lights
Body Control Module Components
Body Control System Circuit Description
Front Fog Lights
Body Control System Connector End Views
Handling ESD Sensitive Parts Notice
Rear Fog Lamps, LH/RH, and Fog Lamp Switch, Rear
Body Control Module (BCM) and IP Dimmer Switch
SP203
G200 and G201
Power and Grounding Connector End Views
B+ Bus Bar