GM Service Manual Online
For 1990-2009 cars only
Makes
🢒
Chevrolet
🢒
2001
🢒
Blazer - 4WD - RHD
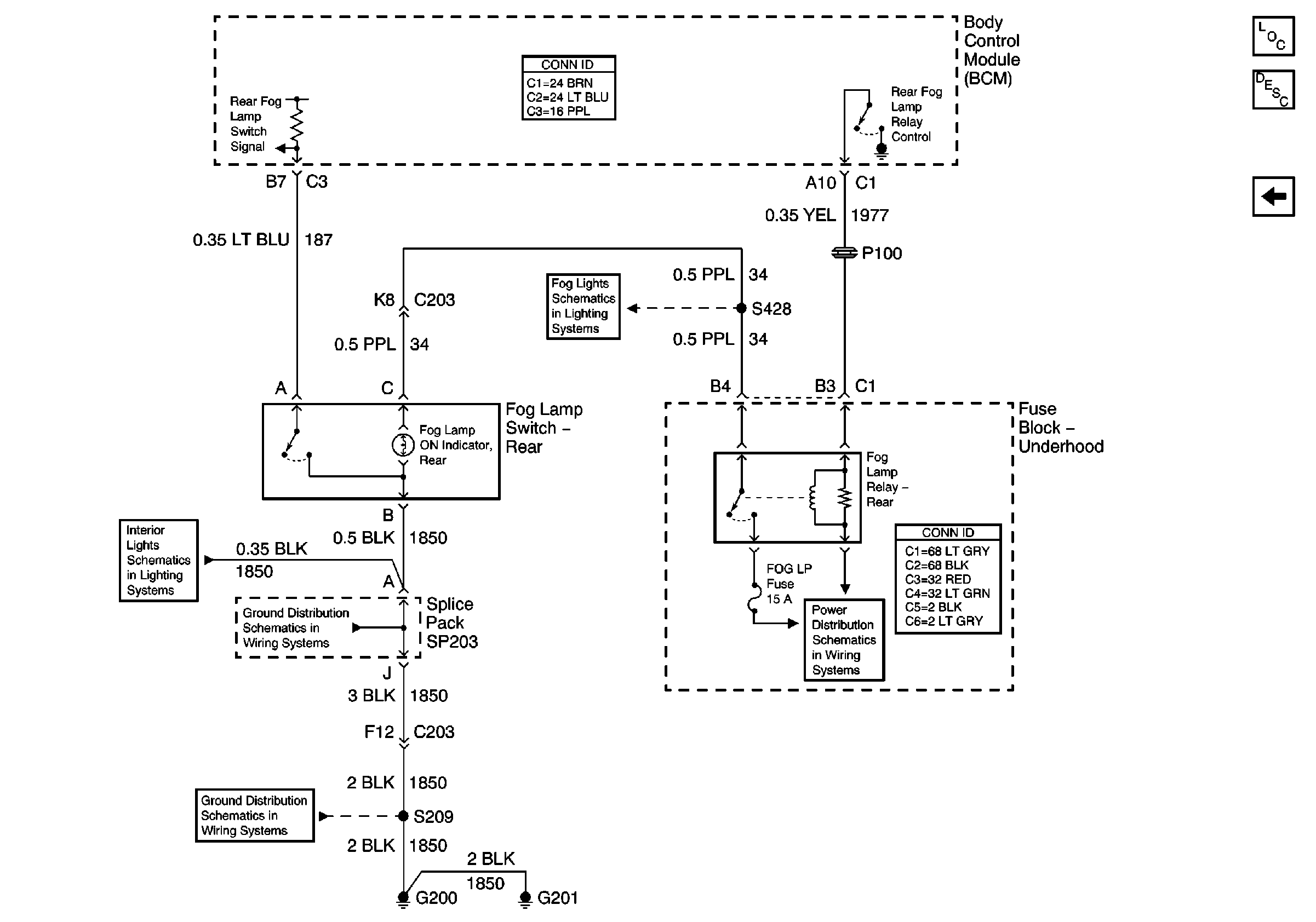
🢒 Rear Fog Lights
Rear Fog Lights
Rear Fog Lights
Master Electrical Component List
Body Control System Description and Operation
Front Fog Lights
Fog Lamps - LR/RR, and Fog Lamp Switch - Rear
Body Control Module (BCM) and IP Dimmer Switch
G200 and G201
G200 and G201
A/C, ABS, ECM B, FOG LP, STOP LP, VECHMSL, and TRCHMSL Fuses