GM Service Manual Online
For 1990-2009 cars only
Makes
🢒
Chevrolet
🢒
2001
🢒
Blazer - 4WD - RHD
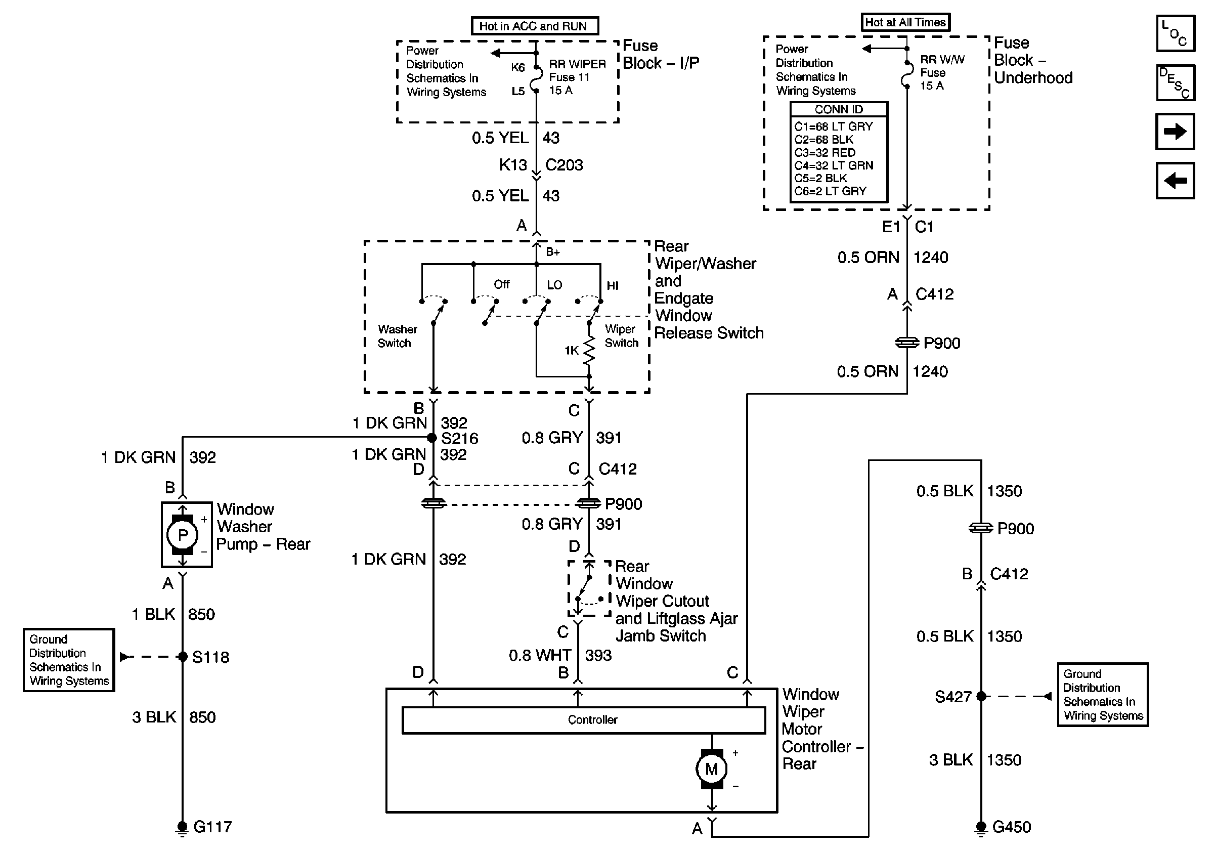
🢒 Rear Wipers
Rear Wipers
Rear Wipers
Master Electrical Component List
Rear Wiper/Washer System Description and Operation
Headlamp Washers
Pulse Wipers
Ign START, RUN and ACC Bus Bar
B+ Bus Bar
G117
G450