GM Service Manual Online
For 1990-2009 cars only
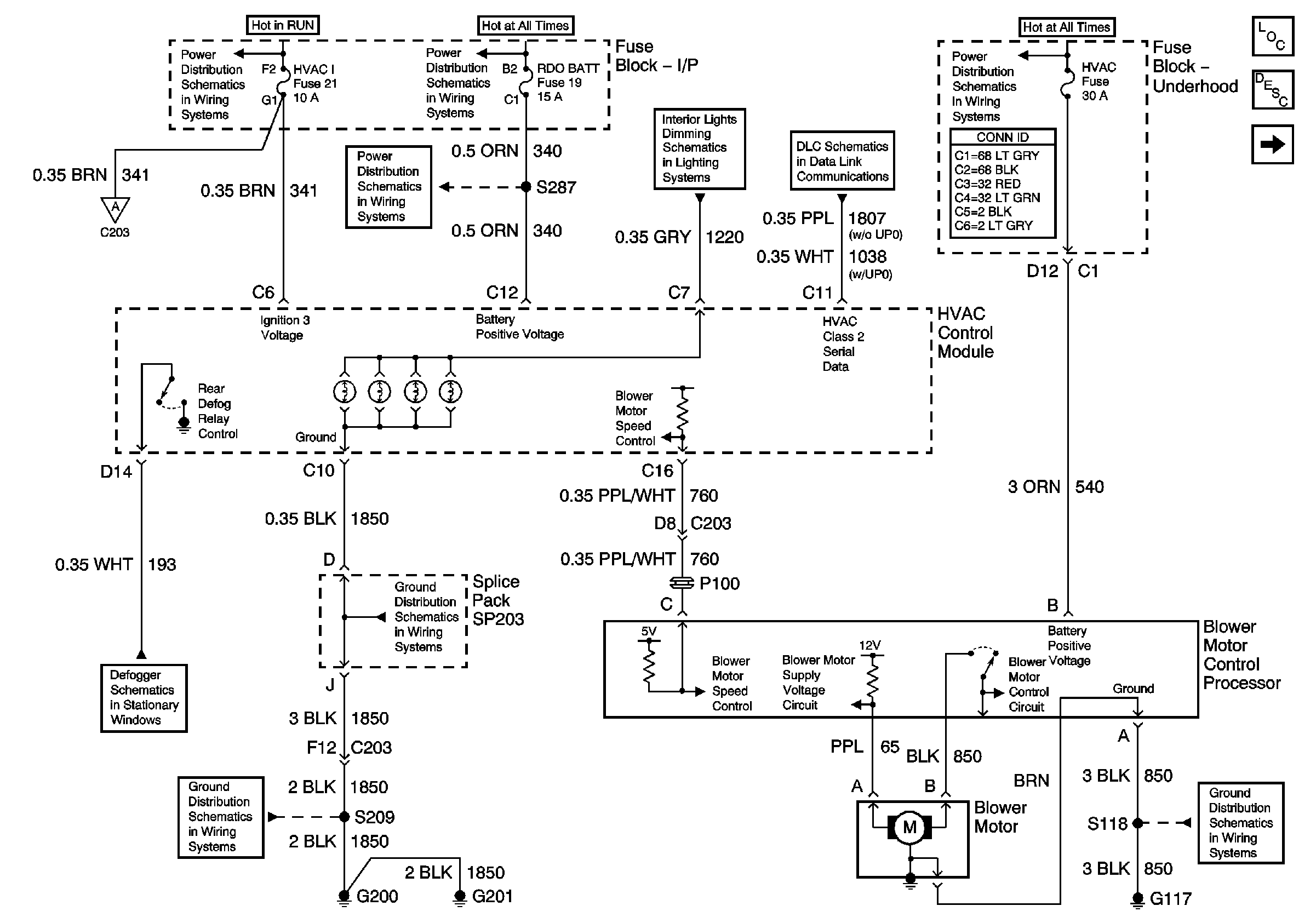
Figure 1:

Blower Motor, Blower Motor Control, HVAC Control Module, DLC, G203 and G204


Object Number: 753063  Size: FS
Master Electrical Component List
Air Delivery Description and Operation
A/C Low and High Pressure Switches, A/C Compressor Clutch , D100, Ground, HVAC Module and PCM
HVAC Control Module, Air Temperature Actuator, Vacuum Control Assembly, Air Temperature Sensor - Inside, and G202
Ign RUN and START Bus Bar
RDO BAT and AUX PWR Fuses
RDO BAT and AUX PWR Fuses
Hazard Switch, Radio, Instrument Panel Cluster (IPC) and Ground
Splice Pack SP201 and Modules
B+ Bus Bar
Defogger Schematics
G200 and G201
SP203
G117
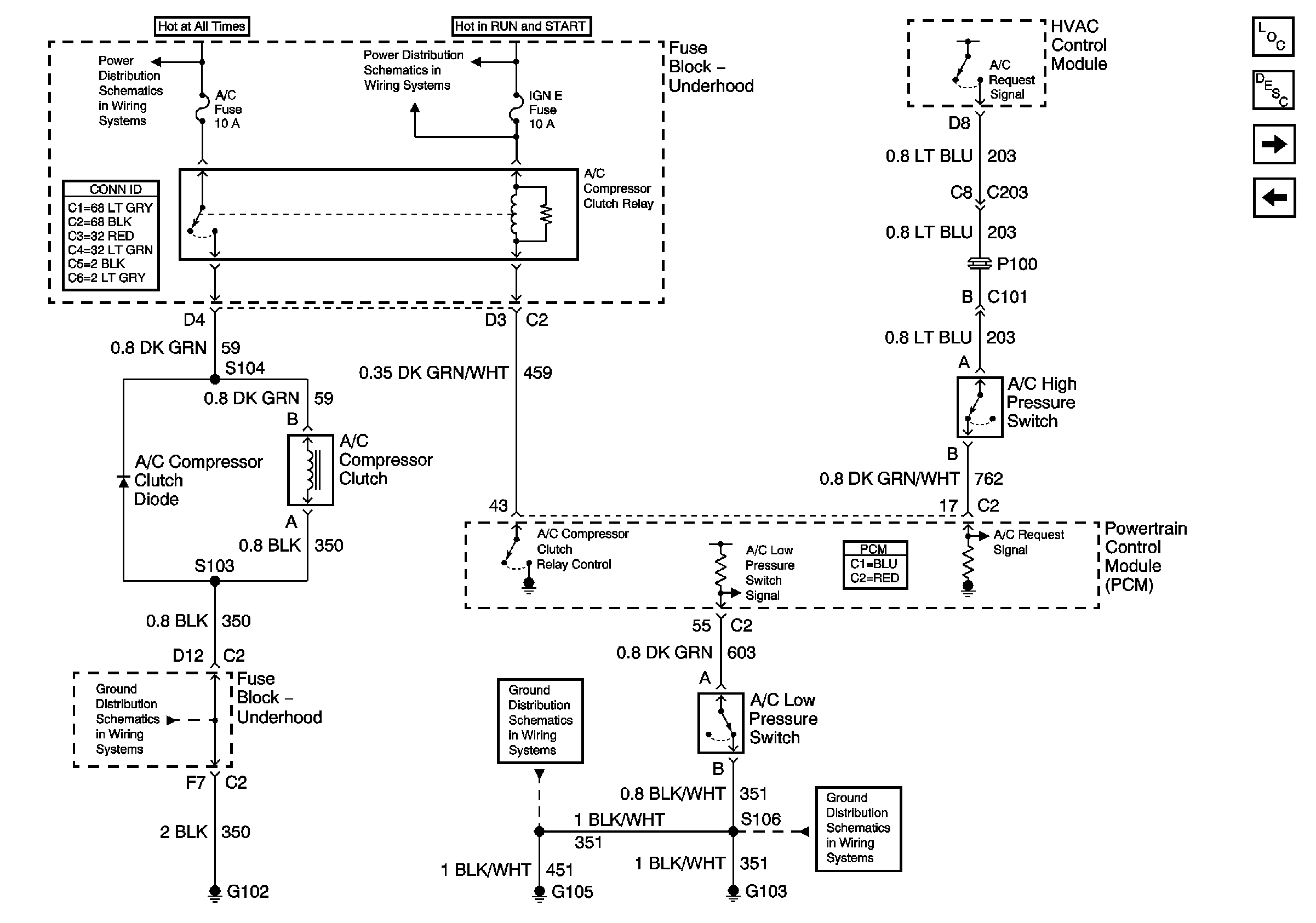
Figure 2:

A/C Low and High Pressure Switches, A/C Compressor Clutch , D100, Ground, HVAC Module and PCM


Object Number: 753065  Size: FS
Master Electrical Component List
Air Temperature Description and Operation
HVAC Control Module, Air Temperature Actuator, Vacuum Control Assembly, Air Temperature Sensor - Inside, and G202
Blower Motor, Blower Motor Control, HVAC Control Module, DLC, G203and G204
B+ Bus Bar
Ign START, RUN and ACC Bus Bar
G102
G103 and G105
G103 and G105
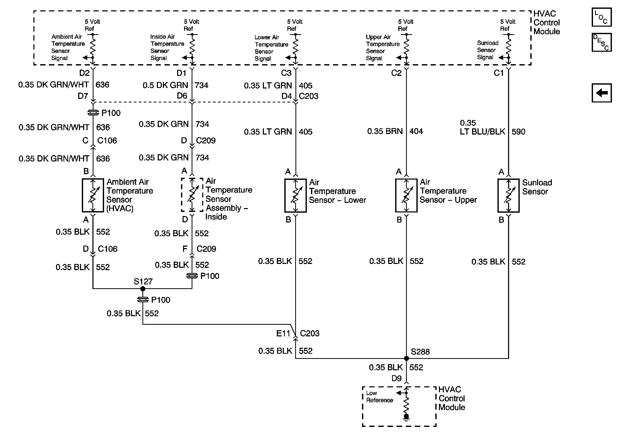
Figure 3:

HVAC Control Module, Air Temperature Actuator, Vacuum Control Assembly, Air Temperature Sensor - Inside, and G202


Object Number: 753066  Size: FS
Master Electrical Component List
Air Delivery Description and Operation
HVAC Control Module, Sunload Sensor, and Air Temperature Sensors
A/C Low and High Pressure Switches, A/C Compressor Clutch , D100, Ground, HVAC Module and PCM
Blower Motor, Blower Motor Control, HVAC Control Module, DLC, G203and G204
Automatic Day-Night Mirrors Schematics
G202 and G204
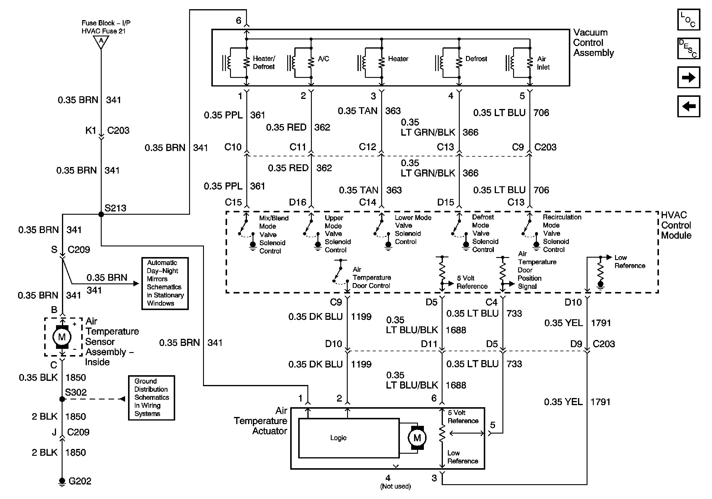
Figure 4:

HVAC Control Module, Sunload Sensor, and Air Temperature Sensors


Object Number: 753068  Size: FS
Master Electrical Component List
Air Temperature Description and Operation
HVAC Control Module, Air Temperature Actuator, Vacuum Control Assembly, Air Temperature Sensor - Inside, and G202